芯片元器件
HOME
芯片元器件
正文内容
4011芯片 CD4011芯片功能介绍,CD4011 引脚图及作用,一文教你读懂CD4011
发布时间 : 2026-01-01
作者 : 小编
访问数量 : 23
扫码分享至微信

CD4011芯片功能介绍,CD4011 引脚图及作用,一文教你读懂CD4011

我是小七,

干货满满 。大家不要错过,建议

收藏 ,错过就不一定找得到了,内容仅供参考,图片记得放大观看。

如果有什么错误或者不对,欢迎各位大佬指点

图片来源于网络

今天是CD4011芯片, 主要是以下几个方面:

1、CD4011 是什么芯片 ?2、CD4011 引脚图及作用 3、CD4011 3D 模型 4、CD4011 芯片功能介绍 5、CD4011 特性参数 6、CD4011 最简单电路图 7、CD4011 振荡电路原理 8、CD4011 与非门逻辑电路 9、CD4011 声光控制电路图 10、CD4011 蜂鸣器电路

一、CD4011 是什么芯片?

CD4011 芯片 带有四个独立的与非门 。需要注意的是,该 IC 的输出电压和工作电压是相等的。该芯片广泛用于许多电路中,包括 mp3 播放器、AV 接收器、蓝光播放器和家庭影院。

如果你想将此芯片用作逻辑反相器,你可以将 NAND 门重新配置为 NOT 门。更短的转换时间使该器件成为高速应用的最佳选择。该器件的典型工作电压为 5V ,采用 14 引脚 PDIPGDIPPDSO 封装 。工作电压范围为 -55 至 125C,传播延迟时间为 60ns。

器件以正逻辑执行布尔函数 Y = A × B 或 Y = A + B 。该 IC 用于 AV 接收器、便携式音频基座和蓝光播放器。

CD4011实物图

二、CD4011引脚图及作用

CD4011引脚图及作用

CD4011引脚图及作用

三、CD4011 3D模型

1、CD4011 电路符号

CD4011 电路符号

2、CD4011 封装尺寸

CD4011 封装尺寸

3、CD4011 3D模型

CD4011 3D模型

四、CD4011 芯片功能介绍

1、什么是与非门?

与非门 是一种逻辑门 ,其工作方式类似于与门,输出端有一个非门 。因此它通常被称为 NOT-AND。

由 AND 和 NOT 门构建的 NAND 门。

与非门

与门的任何输出都由非门反转。因此,简单地说,与非门是一种逻辑门,仅当所有输入为高时才提供低输出,如下面的真值表所示。

与非门的真值表

与非门用于设计广泛的逻辑功能,包括 SR 锁存器和 D 触发器 。你经常会看到连接两个输入以创建一个输入的电路示例。这将 NAND 转换成一个非门,将输入反转。

2、如何使用 CD4011?

首先,你需要一个 3 到 15V 的电源电压。某些版本的芯片支持高达 20V。检查你的芯片版本的数据表以获取确切值。

为了能够使用芯片中的任何与非门,你需要首先将 VDD 引脚 连接 到正电源端子,将 GND 引脚连接 到负电源端子。A 和 B 引脚 是 IC 中四个与非门的输入。Q 引脚 是 NAND 门的输出。

CD4011 功能结构

CD4011 12 个输入输出引脚 ,用于四个与非门 。要使用 CD4011 IC,只需使用 Vcc 和接地引脚为其供电。IC的典型工作电压为+5V,但也可以工作在+7V。输出引脚上 IC 的输出电压将等于 IC 的工作电压。根据与非门真值表,当门的两个输入均为低电平时,输出将为高电平,否则为低电平。

五、CD4011 特性参数

双输入与非门——四通道封装典型工作电压:5V高电平输出电流:- 1.5 mA低电平输出电流:1.5mA传播延迟时间:60 ns(典型值),CL = 50 pF,VDD = 10 V工作温度范围:- 55 C to + 125 C可用封装:14-pin PDIP、GDIP、PDSO缓冲输入和输出标准化对称输出特性在18 V的全封装温度范围内最大输入电流为1 µA;18 V 和 25°C 时为 100 nA100% 的 20 V 静态电流测试5V、10V 和 15V 参数额定值噪声容限(在整个封装温度范围内:VDD = 5 V 时 -1 V;VDD = 10 V 时 -2 V;-2.5 在 VDD = 15 V。

六、CD4011 最简单电路图

下图是一个可以使用 NAND 门构建的实际示例,在以下电路中,有两个触摸传感器;一个用于打开 LED,另一个用于关闭 LED。

该电路使用两个 NAND 门设置为由两个触摸传感器设置或重置的锁存器

所需的元器件清单:

一个 LED (L1)带有与非门的芯片,例如 CD4011BE3 个 10 kΩ 电阻 (R1-R3)2 x 两个金属板靠在一起形成触摸传感器

七、CD4011 振荡电路原理

1、CD4011 振荡电路原理

在任何模拟和数字电路中,都会通过反馈产生振荡。也是这种情况下,我们使用 R1、C2 将电流输出反馈到输入导致振荡。

CD4011 振荡电路原理

下图为 CD4011 振荡电路原理:

我们假设 IC1a 或引脚 3 的输出逻辑为“1”,所以 IC1b 或引脚 4 的输出为“0”,然后,引脚 3 上的电压将开始通过 R1 为 C1 充电。但 C1 也连接到门 1 的输入,最终,充电 C1 将变为“1”,足以将 IC1a 的输出从“1”切换为“0”逻辑。这导致 IC1b 改变状态,其输出变为“1”。现在 C1 由 IC1b 的输出放电。最终,C1 和 R1 处的电压变为“0”,IC1a 切换回之前的状态。然后将返回并按循环继续。如果我们降低电源电压会降低音量输出。我们可以在 3V 到 15V 之间使用。我们应该将未使用的 IC-4011 输入(引脚 8、9、12 和 13)接地。这种压控振荡器设计基于 CMOS 集成电路 CD4011。该振荡器提供了相当好的线性度,其电流消耗非常低。电源电压范围为 5 至 15 伏。该电路可以用作频率调制器。振荡器的输出频率取决于R1、R2、C1的参数和电源电压。

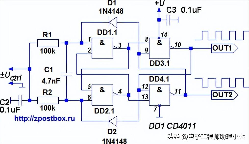
2、CD4011 压控振荡器电路

该电路包括两个基于 NAND 门的 RS 锁存器 - DD1.1、DD2.1 和 DD3.1、DD4.1 。如果输出 OUT1 为低电平,则输出 OUT2 为高电平,二极管 D2 不导通电流。

管脚 1 的逻辑电平为高,电容 C1 放电。引脚 6 的逻辑电平从高变为低,因此引脚 4 和 3 的逻辑电平也发生变化。电容 C1 以相反的极性充电(充电电流通过逻辑门输入端的保护二极管)。

该电路产生的脉冲幅度取决于电源电压,其频率取决于控制电压源 U ctrl。 如果 U ctrl则提供中频=0。注意,如果改变二极管D1、D2的极性,控制电压U ctrl应相对于电源电压+U 施加。

压控振荡器电路

DD1-CD4011;D1,D2 - 1N4148;

R1、R2 - 100k;C1 - 4.7nF;C2、C3 - 0.1 μF;

±U ctrl = -1.5..3 +U = 5 V;

+U = 5..15 V

压控振荡器电路工作频率上限取决于R1R2C1和集成电路DD1参数 。最高工作频率可达数MHz,对于 5 V 的电源电压,频率与电压的比约为 360 Hz/V。

八、CD4011 的与非门逻辑电路

CD4011 的与非门逻辑电路

CD4011 的与非门逻辑电路

首先,我们必须给 4011 NAND 门芯片供电 。我们将为它提供 5V 的电源,因此我们将 +5V 提供给引脚 14,并将引脚 7 连接到 GND。这为芯片建立了电源。

我们为每个按钮连接一个 10KΩ 电阻,这些电阻用作上拉电阻。 它们将按钮上拉至 V CC,即逻辑电平 1,因此按钮通常具有明确定义的逻辑高(或 1)状态。

当按下按钮时,电阻还可以防止 Vcc 直接短路到地。因此,当按钮单独未按下时,其逻辑值通常为 1。因此,当两者均未按下时,将 2 个逻辑高(或 1)值输入到与非门,这意味着 NAND 将产生低(或 0)输出。请记住,两个逻辑高电平将为与非门产生逻辑低电平输出。因此,与非门不会为负载通电,因此当两个按钮都没有按下时,LED 将熄灭。

当按下按钮时,按钮现在与地面接触 。相应的输入引脚现在将接地,其逻辑电平将变为逻辑低电平(现在它与地面接触)。当其中一个或两个按钮被按下时,与非门将输出逻辑高电平(或 1),连接到输出的负载将通电。因此在这种情况下 LED 会亮起。

九、CD4011 声光控制电路图

制作 LED 闪光灯电路需要以下组件:

LED 闪光灯元器件清单

CD4011闪光器电路

CD4011 IC 在电路中作为多谐振荡器接线 ,IC的栅极B和栅极D的产量由晶体管通过1K电阻处理,每个晶体管通过470欧姆限流电阻驱动两个LED。该电路的工作电压为9V DC。通过使用更高的 NPN 晶体管,例如BD139或 TIP31 ,可以额外扩展 LED 的数量。

十、CD4011 蜂鸣器电路

制作蜂鸣器电路需要以下组件:

元器件清单

蜂鸣器电路:

蜂鸣器电路

工作说明:

该电路的核心是通过 CD4011 IC 工作的 2 个 NAND 门 。在这里,2 个 NAND 门连接为一个非稳态多谐振荡器,因此 IC 引脚 4 的输出连续变高和变低。

这会连续切换为压电蜂鸣器提供驱动的 2N4401 晶体管(开和关)。因此,压电蜂鸣器发出蜂鸣声,LED 持续闪烁。

以上就是今天的内容,大家记得关注 ,给我点赞 哦,欢迎大家在评论区留言 ,请各位大佬多多指教

图片来源于小红书

萨科微CD4011 逻辑门集成电路

在当今数字化高速发展的时代,各种集成电路扮演着至关重要的角色,其中 CD4011 逻辑门集成电路无疑是一颗璀璨的明星。

CD4011 由知名的萨科微(Slkor)精心生产,以其卓越的性能和广泛的适用性在数字电路领域大放异彩。它拥有令人瞩目的关键规格,工作电压范围从-0.5V 至 18V,这一宽泛的区间使其能够轻松应对各种复杂的电路设计需求,无论是高压还是低压环境,都能游刃有余地发挥作用。

在静态电流方面,其仅为 4.0μA(在 15V,25℃条件下),如此低的静态电流意味着在电池供电的应用中,它能够显著降低功耗,有效延长设备的续航时间,为移动设备和便携式电子产品带来了极大的便利。

输出电流方面,CD4011 表现同样出色,低电平输出电流高达 3mA,高电平输出电流为-3mA,强大的输出能力使其可以轻松驱动多种负载,满足各种复杂电路的功率需求。

工作温度范围也是 CD4011 的一大亮点,从严寒的-40°C 到酷热的 85°C,它都能稳定运行,无论是在极寒的北方户外,还是在高温的工业环境中,都能保持出色的性能,为各种极端条件下的设备运行提供了可靠保障。

总之,CD4011 逻辑门集成电路凭借其广泛的电压范围、低静态电流、高电平和低电平输出电流以及广泛的工作温度范围等优势,在众多数字电路应用中脱颖而出,成为电子工程师们的得力助手,为推动数字电路技术的发展贡献着重要力量。

相关问答

tc4011bp芯片的用途?

【用途】2输入4与非门电路【性能参数】双列14脚封装,电源电压Vdd=-0.5~18V;输入电压Vi=-0.5~Vdd+0.5V;输出端电压Vo=-0.5~Vdd+0.5V;峰值输入,输出端电...

4011芯片封装尺寸?

4011芯片的封装尺寸为14引脚DIP(双列直插式封装),封装尺寸为7.62mmx7.62mmx3.3mm。这种封装设计既方便了焊接和安装,又能有效地节省PCB板空间。此外,14...

CD4511和CD4011的替代芯片?

CD4511S是BCD-7段锁存译码驱动器可以用74LS47代替。CD4011是2输入端4与非门可以用74C00替代,但是引脚功能排列有所不同。注意一点74LS系列集成电路必须是5V供...

cd4011集成芯片的引脚及功能?

CD4011是一款四个两输入nand门的CMOS集成电路芯片。它有14个引脚,包括四个输入引脚,四个输出引脚和六个控制引脚。每个nand门有两个输入引脚和一个输出引脚。...

这个电路用4011集成电路怎么接线?

正极接4011的14脚、将两个开关的一头并联接电源正极,另外两个头分别接4011的1、2脚,4011的3脚接5、6脚4脚接灯,灯的另外一头和4011的7脚接负极。正极接4011的...

用什么可以代替CD4011?

集成电路CD4011是一个包含4个与非门的CMOS电路,每个与非门有2个输入端一个输出端。当两输入端有一个输入为0,输出就为0。只有当输入均为1时,输出才为1。当两个...

4511芯片可以用哪些芯片代替?

CD4511S是BCD-7段锁存译码驱动器可以用74LS47代替。CD4011是2输入端4与非门可以用74C00替代,但是引脚功能排列有所不同。注意一点74LS系列集成电路必须是5V供...

声光控灯电路原理是什么?图解析最好详细一点?

声光控灯是楼道中使用非常广泛的,它可以识别声音后自动控制照明,延时一段时间后会自动关闭,并且有光线控制,白天光照较强时不会开灯,可以有效节省电能。声...当...

墙壁声控开关多少钱一个?-设计本有问必答

1.莱亮声光控延时开关三线制声光控开关/声控延时开关/楼道开关数量10-199个200-499个≥500个价格¥20.00¥18.00¥16.002.西门子爆...

延时声控开关需要多少钱一个-设计本有问必答

延时声控开关的价格就15左右一个,延时声控开关主电路由整流桥D1~D4、晶闸管T1组成。T1为开关执行器件。晶闸管T1被触发导通后,电路接通,白炽灯发光...

 瓦良格号航空母舰  张向晨 
王经理: 180-0000-0000(微信同号)
10086@qq.com
北京海淀区西三旗街道国际大厦08A座
©2026  上海羊羽卓进出口贸易有限公司  版权所有.All Rights Reserved.  |  程序由Z-BlogPHP强力驱动
网站首页
电话咨询
微信号

QQ

在线咨询真诚为您提供专业解答服务

热线

188-0000-0000
专属服务热线

微信

二维码扫一扫微信交流
顶部