电子展会
HOME
电子展会
正文内容
功放芯片散热 给功放增设声控散热风扇
发布时间 : 2025-05-07
作者 : 小编
访问数量 : 175
扫码分享至微信

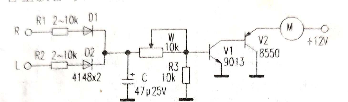
给功放增设声控散热风扇

利用LM1875组装的一 台BTL功放,芯片发热量比较大,但是由于受空 间限制,不能使用大体积 散热器,故加了一只散热 风扇。

但在使用中逐渐发现,风 扇的噪声也不不小很难容忍,尤 其在小音量听音或音乐间 歇时,风扇发出的“呼 呼”声却很大。

为此将其改为声 控风扇,使其在静态或小 音量放音时,风扇不转,待功放输出一定幅度的信 号电压时,风扇电机才转 动,从而有效解决了风扇 的噪声问题。

其电路如下:

图中所示,R1、R2阻值视 功放输出功率大小可在 2k~10kΩ之间选择,C的 作用除使风扇运转平稳外 ,也起到延时运转作用,调 节W时可改变控制灵敏 度。小型风扇可取自废旧电脑主机用的降温风扇,12V电源可通过7812稳压后取得,组装完毕通过试听效果令人满意。

感谢阅读!

“小型化、高效率、大带宽”,「优镓科技」研发 5G 基站端氮化镓射频功放芯片

图 | Unsplash@ Macau Photo Agency

5G基站的建设采取大规模多天线技术(Massive MIMO)并要求高频宽带高效率,由此功放芯片等元器件性能的提升面临更大的挑战。

近期,36氪了解到一家专注高性能射频氮化镓 (GaN) 功率放大器芯片的 IC 设计公司——优镓科技(北京)有限公司(以下简称「优镓科技」),公司创立于2019年10月,属于比较典型的由学校知识成果转化而来的项目,创始团队成员均来自于清华大学电子工程系,目前刚完成第一代样片的设计和流片,正处于测试、送样阶段。

「优镓科技」曾于2019年10月获得了过千万元天使轮融资,由英诺天使领投,常见投资、腾飞资本、清华DNA基金跟投。

针对 5G 基站建设提出的新要求,GaN 相比于其他方案的优势主要体现在以下方面:1)小型化,GaN 在功率密度上的优势使得芯片体积大量缩小,对于整机系统的尺寸有巨大改进;2)高效率、高频率,GaN 可以工作在更高的频率,提供更宽的信号带宽,同时实现更低的系统能耗,据公司介绍,5G 基站 AAU 实测中 PA(射频功放芯片)能耗开销占比可达44%,GaN 方案将在很大程度上降低基站能耗。

图 | 优镓科技

在 GaN 功放芯片的设计方面,难点主要在于如何

在小型化的基础上达到其他性能点上的要求 ,比如如何散热、保持更高的线性度、工作效率。「优镓科技」CEO 黄飞告诉36氪,公司在成立不到一年时间里能够推出第一代样片,是因为核心的设计方法和原理验证经过了学校实验室十余年的反复迭代和不断验证,“公司这段时间主要工作是把相对来说比较成熟的技术做产品化的设计”。 据介绍,未来公司将保持每季度一次迭代的速度,计划在明年推出量产级别的芯片。

产品优势方面,黄飞介绍,公司一方面优势在于做的是国内自主可控、完全自主研发的功放产品,另一方面核心团队在宽带 Doherty 功放电路架构有十几年经验,样片初测结果显示,和国外主流的头部器件厂商相比,第一代产品性能指标已经达到同一水准。下一步「优镓科技」将通过不断迭代使得产品在性能指标上更具有优势,达到设备商对于产品性能的需求。

尽管成立时间不长,公司核心团队已经进行了十多年功率放大器的研究设计,未成立公司前,团队就与华为、中兴、大唐等设备制造商有过紧密合作,部分核心关键技术已批量应用,据黄飞介绍,由于客户多集中于运营商以及头部通信设备商,目前的研发主要针对客户的需求提供比较直接的解决方案。

生产模式上,「优镓科技」采取 fabless 轻资产模式,专注芯片电路设计与销售,将生产、测试以及封装等环节外包。除了基础设备投资上的权衡,另一部分还考虑到公司的灵活性,“5G建设早期这个阶段,从运营商到设备商各个性能点还在不断变化,这种模式能够面向市场灵活快速地响应各方的新需求 ”。

未来量产方面,公司告诉36氪,有两个核心的关键点,一是在已有的 fabless 生产模式上,如何保证产品发挥出最佳的性能,这对设计方法以及工艺的熟悉度要求比较高,公司的团队在这一点上已经有了突出的技术实力和准备;另一方面公司还在推进量产阶段产品一致性的控制,团队正加大投入并准备扩充相关人才的储备。

基站应用中, LDMOS 方案仍为目前主流方案。「优镓科技」认为,在未来几年内,由于价格以及稳定性的考虑,LDMOS 仍将占有一定比例的市场份额,然而随着 GaN 方案性能优势的突出,价格的下探,性价比提高,GaN 将会逐步替代 LDMOS 方案。

传统的基站功率放大器领域由飞思卡尔(Freescale)、恩智浦(NXP)、英飞凌(Infineon)垄断,集中提供 LDMOS 方案。黄飞认为国内 GaN 功放芯片的初创公司更多的机会在于丰富产业链,一方面为设备商提供差异化产品,另一方面也降低了设备商供应链的风险,避免采购过于集中。

目前国内外设计和生产基站射频PA的厂商(包括IDM、Foundry和Fabless)并不多。有代表性的 IDM 包括Qorvo、英飞凌、NXP、Cree、日本住友、ADI、MACOM,以及我国的苏州能讯,有代表性的Foundry有稳懋、GCS、三安光电、海特高新、欧洲的 UMS 以及被中国益丰电子收购的OMMIC。

产品竞争策略方面,据黄飞介绍,一方面产品的性能指标较多,「优镓科技」在宽带以及线性度上的优势比较明显,但差异性可能更多体现在产品设计的思路上:公司侧重基于 GaN 材料设计芯片模组的解决方案 ,虽然如今市面上使用更多还是 LDMOS 和低集成度 GaN 器件方案,但是公司认为厂商们还有更多的小型化需求,待模组方案达到落地标准,市场一定会被打开。

团队成员方面,公司核心团队均来自清华大学电子工程系,CEO黄飞拥有该系本硕博背景,首席科学家陈文华教授系清华电子工程系长聘教授,长期专注于高效射频功放与线性化技术研究。

根据 Yole 的预测,GaN 射频器件市场预计到2024年成长至20亿美元,6年 CAGR 达到21%。主要的市场增长来自无线通信基础设施和军工。5G的普及将推动 GaN 在无线通信的市场达到7.5亿美元。在长远规划上,黄飞表示公司比较关注技术本身所擅长的一些应用场景,如小基站、WiFi6 的企业网以及卫星通讯地面设备等相关场景。

公司目前有融资需求,新一轮融资主要用来完成团队进一步扩充和加大产品研发投入。

拓展阅读

站在“新基建”浪潮上的第三代半导体产业 (上)

一文读懂5G建设的市场格局、投资主题与时间窗口

相关问答

TDA1521为什么要加散热片?

为保证TDA1521能长久正常工作。试想小小这样一块功放芯片能在高达十几二十几伏的电压工作,输出15Wx2大功率,自身的散热片那么小,OCLOTL的效率都在60%到70%之...

功放用的散热器和cpu散热器,何种好?-ZOL问答

CPU散热器和功放散热器各司其职。其实散热片材质都一样。CPU散热器叶片多而密。能用于CPU及功放散热(把风散拆了)而功放散热器叶片较少。不能用于CPU(主要是...

半导体制冷片能用来给CPU降温吗?-ZOL问答

额定电压:12V额定电流:4.5A上下温差68度能给cpu散热注意一定要在有散热器下工作否则长时间会烧坏CPU和半导体制冷片可能接触面积太小了,跟显卡和显示器没...

请问,功放管与散热片之间必须加云母绝缘么?谢谢?

如果功放管是塑封的,那就不用加云母片。如果功放管后面有一块铁片封装,那就得加云母片。因为散热片是铝的,会导电。功放管都贴在同一块散热片所有得加云母片。...

功放需要散热么?

答,需要,功放管热属正常反应,但不能过热,过热会使影响工作稳定性,导致音色失真,严重的会烧毁功放管,所以,功放要采用足够大的散热片为好,功放的输出功率和阻抗...

功放的散热片需要绝缘吗?

对于功放散热片是否需要绝缘,具体情况具体分析。如果是B、D类功放,散热片跟机箱是电气相通的,大多都需要绝缘。另外如果固定散热片的螺丝是塑料的话,可以不必...

功放接触散热板上的原键是什么?

接触散热板的元件有,1.功放元件,2.感温器。有些带散热风扇的功放,在散热器温度到一定温度后就会启动风扇以更好散热,就靠感温器和相关电路控制。接触散热板...

功放机负荷大用风扇散热有效吗?

大功率的功放机没有风扇进行散热可不太好,通风散热在大功率功放机中可是一个很重要的功能,功放机在平时正常使用时出现烧管多是因为发热量大,散热不及时才造成...

功放上散热问题?

大多数的功放都有过热保护的,如果没有过热保护,你摸一下散热片如果烫的手都不敢碰那就不行了,一般都在50-60度左右!大多数的功放都有过热保护的,如果没有过热...

功放管能用704胶散热吗?

功放管需要散热来降低温度,保障稳定性和寿命。704胶具有一定导热性和导电性,但通常不够高效。因此,不建议使用704胶来散热功放管。更好的选择是采用专门的散热...

王经理: 180-0000-0000(微信同号)
10086@qq.com
北京海淀区西三旗街道国际大厦08A座
©2026  上海羊羽卓进出口贸易有限公司  版权所有.All Rights Reserved.  |  程序由Z-BlogPHP强力驱动
网站首页
电话咨询
微信号

QQ

在线咨询真诚为您提供专业解答服务

热线

188-0000-0000
专属服务热线

微信

二维码扫一扫微信交流
顶部