技术资料
HOME
技术资料
正文内容
电压比较芯片 什么是电压比较器?原理,电路构成及引脚功能介绍
发布时间 : 2025-05-06
作者 : 小编
访问数量 : 178
扫码分享至微信

什么是电压比较器?原理、电路构成及引脚功能介绍

电压比较器,三端元件(两输入端,一输出端),输入为模拟信号,输出为数字信号。

一、基本电路和相关定义

1、电压(电平)比较器的身份定义

电压比较器是一种用来比较两个或两个以上模拟电平,并给出比较结果(可用数字量的1、0来表示)的功能部件。可作为模拟电路和数字电路之间接口的一种电路,即模拟-数字转换器。

所有运算放大器,均处于负反馈的闭环状态之下。一旦处于开环,因其无穷大电压放大倍数之故,势必使其输出级处于“饱和”或“截止”的两个极端状态,而不再具备放大器的特征。但在某些应用场合,恰恰需要利用放大器开环时输出级所表现出的这种极端状态,如将两个或两个以上模拟量输入量进行比较,将两者(或两者以上)的大小分别用高电平(逻辑1)和低电平(逻辑0)表示,以完成将电平差转换为数字表的转换。其输入、输出已不存在线性关系。如果有一种器件,是专业从事输入电压比较而输出开关量信号的,该器件就叫做电压比较器。

因而该类器件既不归属于线性(模拟)电路类别,也不归属于数字电路类别。从输入看,尚具备线性电路特点;从输出看,已为典型的数字电路特点。其身份尴尬:非线性模拟电路(又是一个矛盾性定义,既为模拟,又何来非线性?)。

比较器有模拟和数字电路的两重特性,是集成了二者之长吗?与二者相比,各有什么特点?它们能否相互替代呢?

图1-1 比较器和数字电路、运放电路

1)反相器

以数字电路中的TTL产品中的反相器为例。反相器是如何识别输入信号的高、低电平呢?肯定有一个潜在的比较基准。器件典型供电Vcc为+5V,当输入电压低于1.5V(30%Vcc以下,比较基准之一)时,为输入低电平信号,此时输出端为高电平状态;当输入电压高于3.5V(60%Vcc以上,比较基准之二)时,为高电平信号输入,此时输出端为代电平状态;当输入信号在低于3.5V高于1.5V的范围之内,会引起识别混乱或无法识别,从而不能确定输出状态(因此这一输入电压范围也被称为非法信号)。

初步看来,反相器具有电压回差范围极大的滞回比较器特性,但1.5V和3.5V两个动作阈值是不能变动的,且在中间有“一大片”不确定区域。更谈不上动作精度,仅是大致范围。

显然,数字电路仅适用于对高、低电平的识别,而无法对输入模拟信号进行比较。

2)运放电路

在要求比较精度不是很严格的场所,一般运放电路也能暂时“充任”比较器的角色。而做为理想比较器:

a)比较动作阈值是稳定的,如10mV;

b)在该阈值控制下,输出端有确定的高、低电平变化。这要求运放电路有极大的电压放大倍数,以使输出级进入切实的饱和(或截止)状态。

如果使用运用电路来替代,由于器件的离散性,很难达到此两点要求(运放电路更适应于闭环工作)。

3)比较器

根据精确比较要求,采取了特定的技术措施,来专业从事电压比较“事务”的器件,即比较器。其优点如下:

有精确的比较动作阈值,10mV;

可以任意设置比较基准点,夸张点儿说,在供电电压范围以内的任意一个点,都可以设置为比较基准点,如0V地电平、0.45V、6.8V等,这在数字电路是无法做到的(图1-1中采用RP整定基准比较电压,就是为了说明这一点)。

输出端为确定的高、低电平状态,即输出级能实实在在的工作于饱和或截止状态(这是相关措施所保障的)。专用开路集电极输入型比较器,可以多路输出端并联输出,这是运放电路所根本无法做到的。

2、提出创意原理符号和简要定义

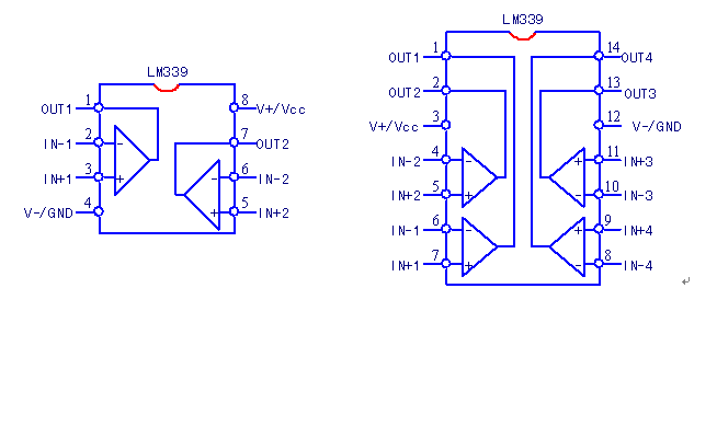
电压比较器内部含输入级、中间放大器和输出级电路,我们需要掌握的是输入端和输出端之间的关系,由此分析电路原理和找到故障检测方法。如前述,运算放大器开环应用时,即为(不太精确的)电压比较器。但放大器的比较特性并不理想,专业的设计和专业的性能需要由专业器件来保障,在应用到电压比较器的场所,大多还是采用专用的电压比较器。其中,集电极开路输出级(又称OC门输出级)型专用电压比较器的应用尤为广泛,在变频器电路中,通常用到的仅为14脚(四比较器)和8脚(双比较器)两种器件,其代表器件型号为LM339、LM393,引脚功能见图1-2。本文专就这两种器件进行讲解。

图1-2 电压比较器原理框图与引脚功能

8脚(双比较器)的引脚排列同8脚运放器件是相同的。14脚略有不同,输出端集中在1、2、13、14脚,供电端为3、12脚。剩余脚为输入脚,奇数脚为同相输入端,偶然脚为反相输入端。其引脚功能是不难记忆的。

电压比较器的供电脚特意标注为V+/Vcc、V-/GND,说明其电源供给是较为灵活的,可以单电源供电,如+5V或+12V、+15V等,也可以双电源供电,如±15V、±12V等。

3、电压比较器的电路构成

(1)电压比较器符号及基本电路

同运放原理的讲解一样,将输出级电路搬到经典电压比较器符号的外部(创意原理符号),再进而确定两输入端和输出端(或输出级)的对应关系,则其工作原理就呼之欲出了。

图1-3 常规电压比较器符号、创意原理符号与应用电路

从常规符号(图1-3中a图)看,电压比较器也为三端元件,即两输入端,一输出端。其输入、输出的关系为:

当IN+> IN-时,OUT端为高电平“1”;

当IN- < IN+时,OUT端为低电平“0”。

这也是做为电压比较器原理及故障判断的一个根本原则。

从创间原理符号(图1-3中b图)看,当IN-> IN+时,内部输出级晶体管Q导通,输出端相当于与供电负端短接,因而输出低电平“0”,此低电平可能为0V,也可能是-15V(和供电负端电平相关)。

因电路为开路集电极输出形式,故输出端需加上位电阻R,以形成高电平“1”输出。

从应用电路(图1-3中c图)看,当当IN+> IN-时,内部Q截止,OUT端变为高电平。此时输出端高电平的幅度完全取决于上拉Vcc的电平幅度。如Vcc为+5V,电路输出高电平则为+5V;如Vcc为+15V,电路输出高电平则为+15V。

此处输出端上接电源Vcc,既可以是电压比较器的供电电源,也可以是(共地的)另外的电压级别。做为模-数转换(接口)电路,为适应数字(或MCU器件)的供电电源要求,电压比较器输出端多经上拉电阻R接+5V电源(DSP器件,上接电阻则接入+3.3V电源正端)。

(2)输出端电路形式

当比较器供电为±15V双电源(比如直接采用运放器件的电源供电),或输出端上拉电源为+15V,而输出端又要与后级(+5V供电数字电路系统)电路相连接时,那么输出级外围电路就要妥善完成前后级电路电平衔接的任务了。

电压比较器的后级电路为MCU芯片时,MCU对输入信号有3项要求:

输入信号幅度不大于+5V;

因MCU为单电源供电,不要负的输入信号;

只要电压信号,不要电流信号。

图1-4 电压比较器输出端电路形式

图1-4中a电路,比较器供电为+15V,输出端上拉电阻R接+5V,实现了前后级电平的自然对接,无须采用输出电平钳位等相关措施。

图1-4中b电路,比较器供电为+15V,输出端上拉电阻R也接+15V,电路的高电平输出幅度超出后级电路的承受能力,此处加单向钳位二极管D1以限制最高输入电平(将输出高电平钳位在+5V电源电平附近),或由分压电路将输出电平进行衰减。由电压接法可知,当当IN+> IN-时,输出端变为高电平,由D1的嵌位作用,使输出端电压为+5V+D1的导通管压降(一般约为0.6V左右)≈+5.6V。

图1-4中c电路,比较器供电为±15V双电源,输出端上拉电阻R接+15V。电压输出端的高电平为+15V,而低电平为-15V,二者都不符合后级电路的输入电平要求。一般采用添加R2限流电阻和双向错位二极管D1、D2的方法,进行输出端电压钳位。将电压比较器输出的±15V高、低电平嵌位成-0.6V~+5.6V左右的电压信号(换言之,即将输出信号嵌位于0和+5V的供电电源电压范围以内)。

(3)输入端基准电压的来源

针对最基本的电压比较器——单级比较器来说,IN+和IN-两个输入端,必定要有其一做为比较基准端,另一端则做为信号电压输入端。基准电压通常由以下几种方式生成(以下图例将电压比较器恢复为常规符号):

1)直接由+5V电源(或±15V)电源经电阻分压取得;

2)由专用基准电压源或三端稳压器取得;

3)由运算放大器生成。

图1-5 电压比较器基准电压的来源

如上图1-5所示,基准(比较)电压可由供电电源经电阻分压取得;亦可由基准电压源或三端稳压器取得更为精准的基准电压;图1-5中的c电路,是由运放N1取得-2.5V基准电压后,送入电压比较器N2的反相输入端做为比较基准的。

由图1-5可看出:

输入信号即可进入反相输入端,也可进入同相输入端。

比较器供电可以单电源,可以双电源。单(正)电源供电时,不能输入负的信号电压;

因其供电形式不同,除决定输入信号的极性外,其输出级外围电路也有相应差异;

输入的另一端即可做为基准比较端(电压比较器必须有基准比较端),通常此端电压不为0V,为一固定不变之电压。输入信号端与基准端电压相等的概率近乎为0,因而两输入端大部分时间内是有电压差的,随输入信号电压的变化,该电压差也是变化的。

本文转自:中华工控网 http://www.gkong.com/ 原创文章,转载请注明出处。

作者:咸庆信

根据原网站要求,转载已注明出处!原帖链接,请点击了解更多!

深圳市稳先微电子取得电压比较器、控制芯片及开关电源专利,缩短电压比较器的响应时间

金融界2024年9月8日消息,天眼查知识产权信息显示,深圳市稳先微电子有限公司取得一项名为“电压比较器、控制芯片及开关电源“,授权公告号CN107528450B,申请日期为2017年8月。

专利摘要显示,本发明适用于电子技术领域,本发明提供的一种电压比较器、控制芯片及开关电源,所述电压比较器包括:输入电路、电流电压转化电路、电压嵌位电路和输出电路,通过在比较器中设置电压嵌位电路,在采样电压小于参考电压时,电压嵌位电路将第一级输入电路的输出端的第二节点电压控制在第一预设电压值,且第一预设电压值小于所述电源电压;在采样电压大于参考电压时,电流电压转化电路输出端的第一节点电压由零开始上升,电压嵌位电路将第一节点电压的上升峰值控制在第二预设电压值,第二预设电压值小于所述电源电压,由于第一节点电压和第二节点电压都不用上升到电源电压,缩短电压比较器的响应时间。

本文源自金融界

相关问答

用电压型控制芯片好还是电流型控制芯片好?

电流型芯片原理就是电流峰值信号和电压信号合成产生PWM调制电压型控制芯片是电压反馈信号与三角波斜坡比较产生PWM这也是电压型和电流型芯片的最基本区别电...

请问下常用的电压转换芯片都有哪几种啊?有没有高手指点下,谢谢?

有AD637、LTC1966、LTC1967、LTC1968等等。芯片,英文为Chip;芯片组为Chipset。芯片一般是指集成电路的载体,也是集成电路经过设计、制造、封装、测试后的结果...

uc2843引脚功能参数-秒知回答-醉学网

[回答]UC2843是一个电源管理芯片,其引脚功能参数如下:1.电源引脚VCC:芯片的正电源引脚,接5V左右的直流电源。2.锁相引脚SYNC:输入外部时钟信号以控制芯...

082269cp芯片各脚电压?

抱歉,我无法提供082269cp芯片各脚电压的具体信息。芯片各脚电压会因不同的应用场景和电路设计而有所不同,而且不同型号的芯片其电压值也可能存在差异。因此,要...

电压降压用什么芯片最好?

可采用SX3700降压芯片,它是高性能电流模式的智能开关控制器集成电路,专为小家电控制板电源等非隔离式离线和直流到直流开关式降压变换器而设计。在85-380Vac...

诸位好基友!有没有谁了解!!稳定的电压基准芯片类型,电压基...

[回答]基准电压是电子电路中的电压标准,是测量、标定电路中其他电压的依据。如模数转换器(A/D)、直流稳压电源必须有基准电压,才能精确测量未知电压、输出...

有些芯片上有基准电压(如1.25v),请问基准电压是起什么作用的?

基准电压就是一个理论上不受任何外界因素影响的稳定的参考电压,使用这个电压跟其它电压来比较或者计算。基准电压就是一个理论上不受任何外界因素影响的稳定...

芯片的参考电压?

一般芯片的供电电压是五伏或者3.3伏,当然有的芯片电压是有范围的,比如电源芯片,它的供电电压可以达到3.3伏到16伏。一般芯片的供电电压是五伏或者3.3伏,当然...

芯片电压有哪些?

1.LM385BD-1-2:1.2V精密电压基准。15uA~20mA宽工作电流。2.LM385BD-2-5:2.5V精密电压基准。15uA~20mA宽工作电流。3.LM385BLP-1-2:1.2...

主板电路里芯片每个脚的电压都不一样,主要是靠什么来改变电压的?

芯片只有一对到二对脚是供电的其他是应该是输出,一般电源由直流稳压电源芯片提供。芯片只有一对到二对脚是供电的其他是应该是输出,一般电源由直流稳压电源芯...

王经理: 180-0000-0000(微信同号)
10086@qq.com
北京海淀区西三旗街道国际大厦08A座
©2026  上海羊羽卓进出口贸易有限公司  版权所有.All Rights Reserved.  |  程序由Z-BlogPHP强力驱动
网站首页
电话咨询
微信号

QQ

在线咨询真诚为您提供专业解答服务

热线

188-0000-0000
专属服务热线

微信

二维码扫一扫微信交流
顶部