芯片供应商
HOME
芯片供应商
正文内容
轻触开关芯片 一键开关机专用芯片 轻触开关IC 按一下开按一下关开关机芯片
发布时间 : 2026-02-02
作者 : 小编
访问数量 : 23
扫码分享至微信

一键开关机专用芯片 轻触开关IC 按一下开按一下关开关机芯片

ECH210926-188B-EBD7短按开长按1秒关机芯片

一. 功能说明

供电方式:3.7V锂电池。上电OUTL为高电平。

KEY1功能: 短按,OUT脚输出低电平,长按1秒OUTL输出高电平。

KEY2功能: KEY2检测到有高电平且持续时间超过0.5秒,OUTL输出低电平(小于0.5S维持原有状态),KEY2检测到有低电平且持续时间超过0.5秒,OUTL输出高电平(小于0.5S维持原有状态)。

KEY2高电平时KEY1无效。

封装方式:SOT23-6

工作电压范围:2.4-5V之间

多应用于消费类电子以及小家电开关机中使用。

二. 电气参数(VDD=5.0V TA=25℃)

参数

符号

最小值

典型值

最大值

单位

条件

工作电压

VDD

2.4

3.0

5.0

V

工作电流

IOP

1.6

mA

Fcpu=4MHz@HIRC-8M

静态电流

ISTB

3

uA

VDD=5V, WDT 开, LVR 关

驱动电流

Iol

30

mA

Vol=0.6V

工作温度

TA

-10

25

70

储存温度

Tstg

-20

25

100

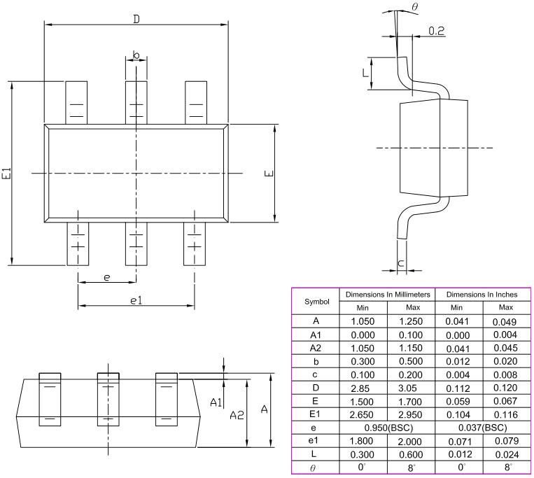
三. 封装脚位图(SOT23-6)

一键开关机芯片方案

管脚号

符号

功能描述

1

NC

悬空

2

GND

电源负

3

OUTL

LED输出,低电平有效

4

KEY1

触发开关

5

VDD

电源正

6

KEY2

信号检测脚

四. 电路图参考

短按开长按关机芯片

五. 封装尺寸图(SOT23-6)

轻触开关IC

六. 版本说明

版本

日期

描述

ECH210926-188B-EBD7

2021/10/11

V01初版

一键开关机专用芯片

拓展坞开关芯片SOT23-6 HUB轻触开关IC 六角电子开关芯片 多路开关IC

EH2A09-3214-EBD7 HUB开关芯片

一. 功能说明

供电方式:DC3V纽扣电池。轻触按键输入,两路信号输出:1路高、1路低。上电不工作,OUTH为低电平、OUTL为高电平。

KEY键:闭合,OUTH输出高电平、OUTL输出低电平。

KEY键:断开,信号翻转OUTH为低电平、OUTL为高电平。

二. 电气参数(VDD=5.0V TA=25℃)

参数

符号

最小值

典型值

最大值

单位

条件

工作电压

VDD

2.4

3.0

5.0

V

工作电流

IOP

5

uA

VDD=3.0V,输出悬空

静态电流

ISTB

5

uA

VDD=3.0V,输出关闭

驱动电流

Iol

30

mA

VDD=3.0V,Vol=0.6V

工作温度

TA

-10

25

60

储存温度

Tstg

-20

25

100

三. 封装脚位图(SOT23-6)

HUB开关芯片

管脚号

符号

功能描述

1

KEY

按键控制脚

2

GND

IC负极

3

OUTH

信号输出,高电平有效

4

OUTL

信号输出,低电平有效

5

VDD

IC正极

6

NC

悬空

四. 电路图参考

电子开关芯片方案

五. 封装尺寸图(SOT23-6)

SOT23-6电源开关芯片

六. 版本说明

版本

日期

描述

EH2A09-3214-EBD7

2023/4/12

V01初版

HUB长按开关IC方案开发

相关问答

轻触开关芯片价格多少?-家居装修–手机房天下问答

[回答]轻触开关芯片现在报价11,推荐兴海鸿电子,他们是一家专业经营:代理台湾旺宏MXIC台湾港宏FLASH与台湾钰创SDRAM.电子工具、五金工具、仪器仪表及辅...

电容式触摸开关芯片价格多少?-设计本有问必答

电容式触摸开关芯片3.4元,电容式感应触摸开关不需要人体直接接触金属,可以彻底消除安全隐患,即使带手套也可以使用,并且不受天气干燥潮湿人体电阻变...

茶吧机触摸按键芯片怎么修?

如果茶吧机触摸按键芯片损坏,首先需要将机器拆开并找到芯片的位置。然后,用万用表检测芯片是否完好。如果芯片已经损坏,则需要更换芯片。换下来的芯片需要与...

哪位看官!问大家一下关于触摸芯片哪家的好,触摸芯片的应用...

用光感的话每一个按键都需要进行调节,12键来说要调的次数很多。目前普林芯驰推出的STCA1016芯片用的电容感应技术,可以支持16个按键,会提供完整的设...

触摸ic,触摸芯片型号有哪些?

关于这个问题,目前市面上常见的触摸IC(触摸芯片)型号有:1.ATMEL的QT系列2.晶航微电子的TTP系列3.瑞萨电子的RX系列4.美亚光电的AM系列5.德州仪器的...

钥匙漏电在主芯片加什么元件可以不漏电?

..钥匙漏电这个问题主要发生在电容式按键上,它主要是由于电容式按键的感测电路与地线之间存在寄生电容,当手指触摸按键时,手指与按键之间的电容发生变化,感测...

灯控触摸开关价格谁知道?-设计本有问必答

灯控触摸开关的价格要看是什么品牌的,价格会有很大的差异。一般的价格在12-45元左右,还得看规格型号的不同价格不一样的,供你参考。选购的时候要注...

触摸开关的原理?

原理是通过人体的部位接近开关所产生的电容或电阻的波动,给芯片传递指令,由芯片控制开关电路,实现开启或者关闭用电器的目的。在开关用电器的过程中,人体不...

关于触摸芯片哪家的好,触摸芯片的应用广泛吗?,触摸芯片排行榜?

电容式触摸芯片受温度、湿度、环境、电源干扰....等等。VINKA高抗电源干扰,防积水触摸芯片VK36系列,VK37系列。当电极间距处于3mm到5mm之间,触摸屏...

请问,有哪些芯片可以做金属壳触摸的?

能够做金属触摸的技术有用到电容、电感以及光感的,像安防类的厂商推出了一些光感技术的金属触摸按键门口主机。用光感的话每一个按键都需要进行调节,12键...

 金勇  很h小游戏 
王经理: 180-0000-0000(微信同号)
10086@qq.com
北京海淀区西三旗街道国际大厦08A座
©2026  上海羊羽卓进出口贸易有限公司  版权所有.All Rights Reserved.  |  程序由Z-BlogPHP强力驱动
网站首页
电话咨询
微信号

QQ

在线咨询真诚为您提供专业解答服务

热线

188-0000-0000
专属服务热线

微信

二维码扫一扫微信交流
顶部