电子展会
HOME
电子展会
正文内容
芯片cot 集成电路行业报告
发布时间 : 2026-01-24
作者 : 小编
访问数量 : 23
扫码分享至微信

集成电路行业报告

图片来源@视觉中国

文|崇楷资本

一、行业发展概况

集成电路行业定义及分类

集成电路是一种微型电子器件,简称“芯片”,是指通过采用一定的工艺,将电路中所需的晶体管、二极管、电阻、电容、电感等元件通过布线互联,制作在半导体晶片或介质基片上,然后封装在管壳内,成为具有所需电路功能的微型电子器件。集成电路是指国家统计局《国民经济行业分类》标准中的集成电路制造和集成电路设计。

集成电路按应用领域大致分为标准通用集成电路和专用集成电路。其中标准通用集成电路是指应用领域比较广泛、标准型的通用电路,如存储器(DRAM)、微处理器(MPU)及微控制器(MCU)等;专用集成电路是指某一领域或某一专门用途而设计的电路,系统集成电路(SoC)属于专用集成电路。

“缺屏少芯”的产业格局促使我国 2010 年以来不断加大对集成电路和面板的政策扶持,2016 年中国大陆电视面板的自给率已经超过 80%,集成电路国产化将是政策和产业基金重点支持的领域。

“强需求+ 强政策”推动大陆 IC 产业加速

市场需求大,主要依赖进口。集成电路产业链主要包括设计、制造、封装、测试等环节,设计和制造环节是核心。我国集成电路市场需求庞大,但整体技术与制造工艺与国外差距较大,2016 年之前一直是壁垒较低的封测业占比最高。我国集成电路主要依赖进口,2013 年我国集成电路进口突破 2000 亿美元,2016 年贸易逆差扩大到 1660 亿美元。

政策大力扶持,“大基金”投入,我国集成电路产业迎来黄金发展期。

集成电路产业是国家战略性新兴产业,2014 年国务院发布《国家集成电路产业发展推进纲要》以来,政策支持力度加大,国家集成电路产业投资基金正式设立,重点投资集成电路芯片制造业,兼顾芯片设计、封装测试、设备和材料等产业,集成电路产业加速追赶。2014-2016年我国集成电路连续三年增速均达到 20%左右,远高于同期全球半导体行业 4%的复合增速,2016 年我国设计业占比首次超过封装测试业,产业链的核心环节在不断加强。

集成电路产业的主要环节

国家集成电路产业投资基金投资的部分企业情况

国内半导体发展大致可以分为三个阶段

第一阶段为1982-2000年,为搭框架阶段。1982年,国务院计算机与大规模集成电路领导小组成立。由于当时的国际环境比较好,国内行业呈现“以市场换技术”的业态,以北京、上海、无锡为中心建立半导体产业基地,尤其是无锡华晶,成为国内瞩目的半导体标杆性企业。

第二阶段为2000-2014年,为商业化初步阶段。2000年国务院出台《鼓励软件产业和集成电路产业发展的若干政策》;2011年,国务院发布了关于《进一步鼓励软件和集成电路产业发展若干政策》的通知,在税收和财政上给予半导体产业优惠政策,产业分工得以初步实现,晶圆厂迎来一波建设浪潮——2000年后,天津摩托罗拉投资14亿美元建成月产2.5万片的8英寸工厂;上海中芯国际投资15亿美元建成月产4.2万片的8英寸工厂;到2003年,国内出现一批晶圆代工企业,如上海宏力、苏州和舰(联电)、上海贝岭、上海先进(飞利浦),北京中芯环球等。

第三阶段为2014-2030年,进入跨越式发展推进阶段。2014年6月,国务院颁布了《国家集成电路产业发展推进纲要》,提出设立国家集成电路产业基金(简称“大基金”),将半导体产业新技术研发提升至国家战略高度;并明确提出,到2020年,集成电路产业与国际先进水平的差距逐步缩小,全行业销售收入年均增速超过20%,企业可持续发展能力大幅增强;到2030年,集成电路产业链主要环节达到国际先进水平,一批企业进入国际第一梯队,实现跨越发展。

资料来源:公开资料整理

随着中国大陆设计制造封测崛起,材料设备重点突破,经过多年的发展,通过培育本土半导体企业和国外招商引进国际跨国公司,国内逐渐建成了覆盖设计、制造、封测以及配套的设备和材料等各个环节的全产业链半导体生态。大陆涌现了一批优质的企业,包括华为海思、紫光展锐、兆易创新、汇顶科技等芯片设计公司,以中芯国际、华虹半导体、华力微电子为代表的晶圆制造企业,以及长电科技、华天科技、通富微电、晶方科技等芯片封测企业。

二、行业发展现状

根据中国半导体行业协会统计,2017年中国集成电路产业销售额达到5411.3亿元,同比增长24.8%。其中,集成电路制造业增速最快,2017年同比增长28.5%,销售额达到1448.1亿元;设计业和封测业继续保持快速增长,增速分别为26.1%和20.8%,销售额分别为2073.5亿元和1889.7亿元。

2018年上半年,中国集成电路产业销售额达2726.5亿元,同比增长23.9%,设计、制造、封测三大环节比例格局基本保持一致。其中,设计业同比增长22.8%,销售额为1019.4亿元;制造业继续保持高速增长态势,同比增长29.1%,销售额为737.4亿元;封装测试业销售额969.7亿元,同比增长21.2%。

资料来源:公开资料整理

进出口方面,2018年1-8月,我国集成电路进口量为2726.1亿个,同比增长13%;进口金额共计2026.2亿美元,同比增长30%;平均进口价格从2016年0.66美元/块升至0.74美元/块。

出口方面,2018年1-8月,我国集成电路出口量为1406.2亿块,同比增长7.5%;出口金额共455.1亿美元,同比增长10.9%;出口价格延续下降趋势,降至0.32美元/块。

当前,我国集成电路增长最快的产业链环节为制造业,价值和技术要求相对较低;进口价格超出出口价格一倍,进一步显示我国集成电路的劣势所在。

资料来源:公开资料整理

三季度中国集成电路产业销售收入超4400亿元

据统计数据显示,2016年中国集成电路产业总销售收入高达4335.5亿元,比上年增长20.1%。到了2017年中国集成电路产业销售收入达到了5411.3亿元,同比增长24.8%。截止至2018年前三季度中国集成电路产业销售收入为4461.5亿元,同比增长22.45%。

其中,设计业为1791.4亿元,同比增长22.0%;制造业1147.3亿元,同比增长27.6%;封测业1522.8亿元,同比增长19.1%。一些重点产品领域我国取得突破性进展。预计2020年时,产业规模将达到全国集成电路发展“十三五”规划的目标,产业销售规模达到9300亿元。

2014-2018年Q3中国集成电路产业销售收入统计情况

资料来源:公开资料整理

集成电路设计发展现状

集成电路设计行业是集成电路行业的细分子行业。从产业链分工来看,集成电路行业包括集成电路设计行业、集成电路制造行业、集成电路封装行业、集成电路测试行业。其中,IC 设计行业处于整个产业链的上端,负责芯片的研发、设计,IC 设计行业的发展对整个集成电路产业的发展有着重要意义。

我国集成电路设计行业近几年保持着持续快速发展的态势,根据中国半导体行业协会统计,2016年我国集成电路设计行业销售收入为1,644.3 亿元,同比增长24.1%,占集成电路行业比重由2015年的36.7%提升至37.93%,继续保持高速增长。

2010 年—2016 年我国集成电路设计行业销售收入情况

资料来源:公开资料整理

全球范围内来看,我国大陆地区集成电路设计行业2015 年的销售收入占全球集成电路设计行业销售收入的比重为9%,仅次于美国和中国台湾地区,已成为全球第三大集成电路设计行业聚集区。

2015 年全球IC 设计产业区域分布情况

资料来源:公开资料整理

IC设计业在集成电路产业占比

资料来源:公开资料整理

下游应用领域众多,深化细分领域的集成电路设计公司值得关注。集成电路的下游应用领域众多,非通用芯片设计的差异化不断加深,在物联网、人工智能、安全防护、汽车电子等领域有广阔的应用前景,2016 年我国集成电路设计产品在通信、消费、多媒体、智能卡、计算机领域的销售额均超过 100 亿元。我国集成电路设备和制造业的水平在加速提升,将为设计业的发展提供更好的配套。

我国集成电路设计业的销售额与增速情况(亿元)

资料来源:公开资料整理

集成电路产业链整体提升 关键产品取得突破

服务器CPU方面,天津海光研发的兼容X86服务器CPU流片成功并进入小批量量产,性能指标达到国外同类产品的水平。天津飞腾研发的FT系列兼容ARM指令服务器CPU继续进步。上海澜起科技的"津逮"兼容X86服务器CPU完成研发和产业化,即将进入量产。

桌面计算机CPU方面,兆芯今年推出国内首款支持DDR4的CPU产品ZX-D,包含4核心和8核心两个版本,性能明显改善,推出的4核心ZX-E CPU主频达到2.4GHz,已经装备到笔记本电脑,装备台式机的8核心ZX-E CPU主频达到2.7GHz,装备服务器的8核心ZX-E CPU主频达到3.0GHz。手机芯片方面,海思推出全球首款量产的7nm手机芯片麒麟980。

以往我国晶圆制造技术距离国际先进水平约有二代左右的差距,装备、材料上的差距更大,但是经过这些年的追赶,已经有了较大幅度的提高,形成了适合自身的技术体系,建立了相对完整的产业链,产业生态和竞争力得到完善和提升。

芯片制造方面,目前已建成12英寸生产线10条,并有多条12英寸生产线处于建设当中,65nm、40nm、28nm工艺实现量产,中芯国际14nm工艺取得突破,试产良率从3%提升到95%。

芯片封测方面,部分企业在高端封装技术上已达到国际先进水平。长电科技实现了高集成度和高精度SiP模组的大规模量产,通富微电率先实现7nm FC产品量产,华天科技开发了0.25mm超薄指纹封装工艺,实现了射频产品4G PA的量产。

集成电路设备方面,中微半导体自主研制的5纳米等离子体刻蚀机通过台积电验证,性能优良,将用于全球首条5纳米制程生产线。集成电路材料方面,第三代集成电路碳化硅材料项目及成套工艺生产线已正式开建。200mm硅片产品品质显著提升,高品质抛光片、外延片开始进入市场;300mm硅片产业化技术取得突破,90-65nm产品通过用户评估,开始批量销售。测射耙材及超高纯金属材料取得整体性突破,形成相对完整的耙材产品体系。

产能缺口有望维持现状

2010-2017年,我国集成电路产量年均增长率为13.31%,2017年集成电路产量达到1565.0亿块,然而与我国集成电路进口量差距也越来越大,产能供应紧张形势没有得到缓解。

2010-2017年中国集成电路产量与进口量(单位: 亿块)

资料来源:公开资料整理

当前,以移动互联网、三网融合、物联网、云计算、智能电网以及新能源汽车等为代表的战略性新兴产业快速发展,将成为继计算机、网络通信、消费电子之后,推进集成电路制造业发展的新动力,集成电路需求规模将进一步扩大。

2018年,随着我国多座在建晶圆厂陆续投产,预计投产产能超过745千片/月,我国集成电路产能得到进一步提升,产能缺口有望维持现状。

2018年投产12寸晶圆厂汇总(单位: 千片/月)

行业投资规模有望扩大

如今国家信息安全已上升到国家战略,通过“换芯”工程等举措实施芯片国产化战略以保障国家信息安全,这也意味着未来在党政军的采购中,将会大规模采购国产芯片,给我国集成电路产业带来巨大的市场需求。同时在供给侧结构性改革的驱动下,高端供给能力的提升,每年2000亿美元以上的进口市场份额也将给进口替代带来巨大市场空间。无论从国家安全还是经济发展角度出发,集成电路制造行业都是一国发展重心。

因此世界上主要国家都把加快发展集成电路制造产业作为抢占新兴产业发展的制高点,投入了大量创新资源。

2014年,《国家集成电路产业发展推进纲要》发布,大基金完成设立。该基金采取公司制形式,按照风险投资的方式进行运作,发起人则包括了国开金融、中国烟草、亦庄国投、中国移动、上海国盛、中国电科、紫光通信、华芯投资等企业。

截至2018年4月,大基金共开展52笔对外投资,分别投入到制造、设计、封测、装备材料,其中集成电路制造比重最高,达到65%。

截至2018年4月大基金(一期)投资领域比重(单位: %)

2018年5月,工业和信息化部总工程师、新闻发言人陈因指出,中国在芯片设计、制造能力和人才队伍方面还存在着差距,中国将加快推动核心技术的突破,对于集成电路发展基金正在进行的第二期资金募集,欢迎各方企业参与。大基金第二期募资规模将超过第一期,保底将达1500元,或可达2000亿元。

据调查分析,若大基金第二期达到1500亿-2000亿元左右,按照1:3的撬动比,所撬动的社会资金规模在4500亿-6000亿元左右,加上大基金第一期1387亿元及所撬动的5145亿元社会资金,资金总额将过万亿元。

可以明确的是,规模近两千亿元的国家集成电路产业发展基金将给集成电路制造业带来更多活力。

制造技术有望14nm

2018年4月,财政部等部门联合发布了《关于集成电路生产企业有关企业所得税政策》,有条件的对集成电路生产企业或项目减免企业所得税。该项举措可以说给中国大陆的集成电路制造行业打了一剂强心剂,将会加速全球集成电路制造企业向中国大陆转移,有效促进中国大陆集成电路制造行业的发展。再加上集成电路产业投资基金二期正在筹备,可以说我国集成电路制造企业资金方面已经不用担心。

同时在国家牵头下,国内集成电路制造龙头-中芯国际可以从比利时微电子研究中心获得技术支援,加上曾经的帮助三星在制造工艺上取得突破性进展的梁孟松加盟中芯国际,在技术方面,2018年14nm工艺也可冲刺一下。

中芯国际制程工艺演进路线

三、推动行业发展的相关政策

集成电路行业属于国家鼓励发展的高技术产业和战略性新兴产业,受到国家政策的大力扶持。近年来,我国政府颁布了一系列政策法规,大力扶持集成电路行业的发展,相关的主要产业政策及规定如下:

资料来源:公开资料整理

四、行业竞争格局及十大企业分析

从区域分布情况来看,我国IC设计行业已形成了长三角、珠三角、京津环渤海、中西部地区四大重点区域,其中长三角产业规模最大,2017年产业规模达到731亿元,占比为35%;其次为珠三角区域,2017年产业规模达到700亿元,占比为34%,仅次于长三角区域。此外,从区域产业增长率来看,中西部地区、珠三角两大区域增速最快,2017年增长率分别达到45%、34%。

从单个城市产业规模来看,2017年度,深圳、上海、北京为国内IC设计产业规模的前三大城市,占据了超过60%的规模,其中深圳的IC设计产业规模名列全国第一,占国内IC设计产业的比重达27.93%。从单个城市发展速度来看,西安、珠海IC设计产业的增长速度均超过50%,处于领先地位。

市场化程度

我国集成电路设计企业数量众多,市场竞争较为激烈。根据中国半导体行业协会集成电路设计分会统计,2017年我国共有1,380家IC设计企业;同时,国外众多IC设计企业也不断涌入国内市场,市场竞争日趋加剧。

随着IC设计企业家数的快速增长,国内涌现出一批专业化程度高、在特定领域具有较强技术实力的IC优秀设计企业;按销售规模来讲,销售收入超过1亿元的企业一般已进入初步成熟期、销售收入超过1亿美元的企业在特定领域已具备一定竞争优势。2017年,我国销售收入超过1亿元的IC设计企业有191家,比2016年增加30家,增幅为18.63%。

资料来源:公开资料整理

行业竞争格局

我国集成电路设计行业起步较晚,与欧美IC设计行业相比,我国集成电路设计行业在资金实力、高端设计人才、技术水平、创新能力等方面仍存在较大的差距。随着国家产业政策扶持、产业环境逐渐改善,国内IC设计企业整体竞争实力逐渐增强。

2009年,我国只有1家IC设计企业进入全球前50名,而在2017年达到了10家。2017年,国内前十大IC设计企业的销售收入为893.15亿元,占国内IC设计行业市场份额的比重为43.07%。

资料来源:公开资料整理

从市场占比来看,位于前三的分别是海思半导体、清华紫光展锐以及深圳市中星微电子技术有限公司。其中海思半导体以18.40%居首。

五、行业未来发展趋势与挑战

全球封测市场目前呈现三足鼎立局势

中国台湾的企业在封测领域的营收占比以54%独占鳌头,美国企业以17%紧随其后,中国大陆的份额也有12%。剩下的份额则被日韩等国瓜分。统计全球封测前十大企业,基本也是这三个地方厂商的天下,其中中国台湾独占5家、中国大陆3家、美国1家,剩下的另一个席位被则被新加坡企业占据。

先进封装关键技术不断突破

受益于物联网、人工智能、新一代显示技术以及国产CPU和存储器等新应用市场所带来的市场机遇,封测技术也在过去的几年里不断向前发展。本土龙头企业长电科技、华天科技和通富微电子更是全都进入全球前十,并在先进封装关键技术方面不断突破。

扇出型封装竞争激烈

随着芯片产品的发展要求,先进封装技术已经开始逐渐成熟,封装形式也正在走向细分,自2016年苹果在 A10 处理器上采用了台积电的 FO WLP (InFO)技术之后,大家对扇出晶圆级封装的关注达到了空前的高度。据Yole预测,整体扇出式封装市场规模预计将从2014年的2.44亿美元增长到2021年的25亿美元。

这主要是因为扇出型封装不仅具有超薄、高 I/O 脚数等特性,还可以省略黏晶、打线等而步骤,大幅减少材料及人工成本。最重要的是,使用这种封装技术打造出来的芯片具有体积小、成本低、散热佳、电性优良、可靠性高等优势,这就使得全球厂商对其更加关注。其中,单芯片扇出封装主要用于基频处理器、电源管理、射频收发器等芯片;高密度扇出封装则主要用于处理器、记忆体等芯片。

市场的需求也加快了扇出型封装技术的发展,现在正在迅猛发展的5G就是像先进封装的机会。预计到2022年,全球射频前端市场规模将达到259亿美元,其中,封测市场将超过30亿美元。

中国集成电路产业发展挑战分析

尽管取得一定的成绩,但是我国集成电路距离国际先进水平差距依然很大,发展面临一系列挑战

1、提供的产品仍然远远无法满足市场需求,特别是微处理器、存储器等高端芯片领域,仍在呼唤我国企业的创新成果。

2、总体技术路线尚未摆脱跟随策略,跟在别人后面亦步亦趋的状况没有根本改变,产品创新能力有待提高。IC设计公司依靠工艺和EDA工具进步实现产品升级换代的现象尚无改观,能够自已根据工艺自行定义设计流程,并采用COT设计方法进行产品开发的企业仍然是凤毛麟角。

3、在CPU等高端通用芯片领域,由于差距较大,尚无法与国际主要玩家同台竞争,不得不将主攻方向转向特定市场。

4、人才极度匮乏的状况没有改观。截止到2017年年底,我国集成电路行业从业人员规模在40万人左右。到2020年前后,我国集成电路行业人才需求规模约为72万人左右,人才缺口将达到32万人。而未来两年,我国高校能够培养出来的毕业生总数大概只有3.5万人。

预测2019年发展后劲较强

展望2019年,集成电路产业发展依然保持较强后劲。预测2018年中国集成电路公司的资本支出约合110亿美元,数额达到2015年投入的5倍,超过日本和欧洲公司今年的相关资本支出总和,且2019年投入规模持续扩大,随着年底大基金二期募资的完成以及更多地方政府资金的投入,我国集成电路产业的投入将保持增长态势。面对发展的机遇与挑战,未来中国集成电路产业只有坚定信心,面向国际市场进一步开放,合作共赢才能取得更大进步。

政策支持集成电路发展 行业将持续保持高速增长

为促进集成电路的进一步发展,2016年11月,中国半导体行业协会发布《中国半导体产业“十三五”发展规划》,《规划》在重点突出集成电路产业的基础上,提出如下发展目标:

2020年,全国集成电路设计业年销售收入将达到3900亿元,年复合增长率为25.9%;产业规模占全国集成电路产业比例为41.9%,我国的集成电路设计产业规模将位居全球第二。

2020年,集成电路晶圆制造产业销售额达到2500亿元,年复合增长率达到22%,产业规模占全国集成电路产业比例为26.88%。

2020年,集成电路封测业销售收入达到2900亿元,年复合增长率达到15%。产业规模占全国集成电路产业31.1%,先进封装销售收入占封测业总销售收入比例目标为45%以上。

从行业协会对集成电路的规划来看,我国集成电路行业未来有望保持持续高速增长。

更多精彩内容,关注钛媒体微信号(ID:taimeiti),或者下载钛媒体App

常见降压芯片控制模式之电压、电流及COT模式

本文针对降压Buck芯片,常用的电压模式、电流模式及COT控制架构做介绍。

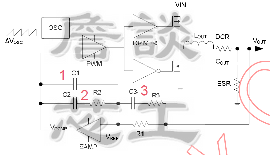
电压模式控制

如下图所示,FB反馈电压与0.6V参考电压经过运放OPAMP放大后,得到一个控制电压COMP,并与三角波RAMP透过比较器PWM CMP进行比较,产生PWM控制讯号对MOSFET做开关;假设输出反馈回来的电压低于参考电压值时,运放OPAMP放大使COMP电压增加,此时与三角波RAMP比较后,产生更大的占空比使输出电压增加,反之,则COMP电压减少并调低占空比,由于开关管的开关频率为RAMP频率,所以此控制架构为固定开关频率的控制方式。

电压模式控制

因反馈系统需要按一定比例、速度去做控制,以避免输出电压出现过冲、过降、震荡等事件发生,所以补偿网络分为I、II及III型补偿,如下图所示,其中I型为C1与R1的组合,目前较少使用,II型是在I型的基础上增加了R2与C2,如果要有较好的高频响应则用到了III型,在II型的基础上增加了R3与C3,在电路上的作用,C2的大小决定了稳定,R2的大小决定了速度,之间的作用是跷跷板取值需要合理,R3C3的作用在于瞬态响应的速度以及结束到稳态的时间。

电压模式补偿网络

由于补偿网络的参数受输入、输出电压、电感、频率、电容等等的影响,利用下图的Excel表格以方便参数设计。

补偿网络设计

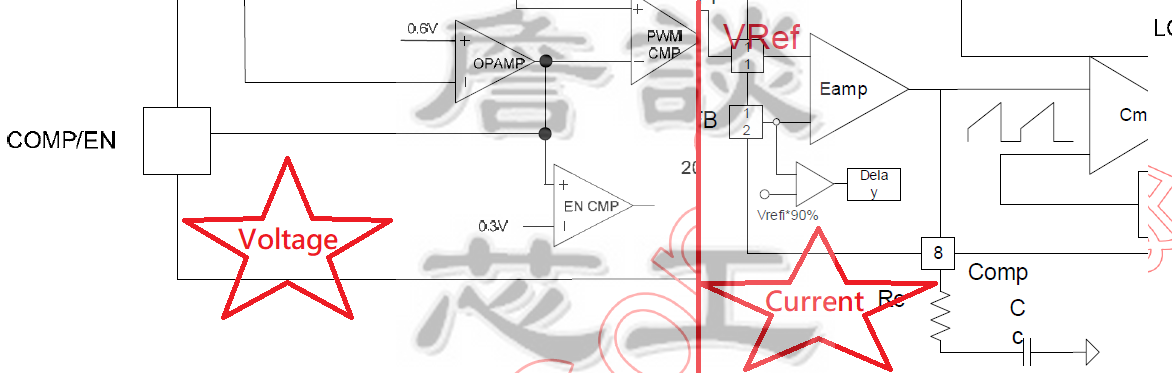
电流模式控制

如下图所示,电流模式控制是在电压模式控制的基础上,引入了电感电流讯号做控制,与之相比有较快的瞬态响应,FB反馈电压与参考电压VRef经过运放EAMP放大后,得到一个控制电压COMP,在时钟讯号触发RS正反器为高输出时,透过比较器CMP与电感电流峰值做比较,产生清除讯号清除RS正反器成低输出,输出讯号用以控制开关管的占空比;

当输出电压不足使得COMP电压增加,开关管需要导通更长的时间,进而产生更高的电感电流后才关断开关管,使得输出的能量增加,反之亦然,由于开关管的开关频率为时钟频率,所以此控制架构为固定开关频率的控制方式;由于电流模式控制在占空比大于50%时容易因干扰造成不稳定,所以需要斜坡补偿Slope,作法是在COMP引入一个负斜率的减少量,抑或是在电感电流讯号引入一个正斜率的增加量,其引入量斜率mc、导通时电流斜率m1与关断时电流斜率m2应符合(m2-mc)/(m1-mc)<1。

电流模式

电压模式使用的运放OPAMP与电流模式使用的运放Eamp不同,如下图所示,前者为电压-电压转换器,而后者为电压-电压-电流转换器,称之为OTA架构,在补偿上也较容易只要Rc+Cc到地即可,在电路上的作用,Rc增加能提高电路速度,Cc增加能增加稳定,两者之间同时存在跷跷板作用,所以需要合理取值。

电压与电流模式运放差异

由于补偿值受电路的影响,为了方便设计能利用下图Excel表格设计补偿值后,再针对需求细微调整。

电流模式补偿网络设计

固定导通时间控制COT

固定导通时间控制为一种输出纹波模式的变频控制,如下图所示,当FB电压低于参考电压VREFX时,比较器PWM_CMP产生脉冲波触发D型正反器输出高电平,此时VIN电压与RTON电阻产生电流,对CTON计时电容计时,直到计时电容电压达到输出电压VOUT时,比较器TON_CMP产生清除讯号触发D型正反器输出低电平,直到FB电压再次低于参考电压VREFX时再次导通,因负载的大小会影响FB下掉到VREFX的时间,所以负载突然增加时,关断时间的减少,使得开关频率增加以提高输出的能量,反之亦然;最终因电感能量的守恒,所以稳态时的开关频率近似于固定。

COT控制

系统的稳定受输出纹波的影响,当输出使用贴片电容MLCC因ESR较小,纹波过小使得系统产生不稳定,外加了Rr、Cr、Cc从电感产生纹波引入的FB使其稳定。

RCC纹波补偿电路

增加RCC纹波注入电路,在设计上同样受电路应用的影响,设计一Excel用以方便取值,如下图所示。

RCC纹波补偿设计

相关问答

cot技术全称?

COT是CareerorientedTraining的首写字母的缩写,翻译成中文即职业导向训练。其培训目的在于:明确以就业为导向,以准职业人培养为核心,细化每学期的训练目标,...

如何设计出优秀的集成电路?

如何成为一名优秀的集成电路IC设计工程师?未来10年最有前景的IT专业。IC设计不同于一般的板级电子设计,由于流片的投资更大,复杂度更高,系统性更强,所以学...如...

 台风莫兰蒂  墨索里尼的秘密情人 
王经理: 180-0000-0000(微信同号)
10086@qq.com
北京海淀区西三旗街道国际大厦08A座
©2026  上海羊羽卓进出口贸易有限公司  版权所有.All Rights Reserved.  |  程序由Z-BlogPHP强力驱动
网站首页
电话咨询
微信号

QQ

在线咨询真诚为您提供专业解答服务

热线

188-0000-0000
专属服务热线

微信

二维码扫一扫微信交流
顶部