电子展会
HOME
电子展会
正文内容
sgm芯片 「五分钟读懂」芯片常用数字接口(6) RGMII
发布时间 : 2026-03-09
作者 : 小编
访问数量 : 23
扫码分享至微信

「五分钟读懂」芯片常用数字接口(6) RGMII

【RGMII概述】

RGMII接口,是Reduced Gigabit Media Independent Interface的缩写。IEEE802.3 Clause 35在RS子层和PCS子层之间定义了一组接口GMII,该接口作为MAC和PHY数据交互接口。然而该接口在实际应用中面临最大的问题就是,如果MAC和PHY为分为两个不同芯片时,GMII管脚多(24PIN)导致封装成本增加 ,因此12PIN的RGMII就诞生了。

【RGMII应用框图】

图1 RGMII应用框图

图1为RGMII应用框图,RGMII应用很简单就是作为MAC和PHY之间的数据通信接口。

【RGMII接口信号】

表1 RGMII接口信号

从RGMII接口信号就可以看出,所谓的Reduced GMII,就是将原来GMII 125MHz单沿收发各8bit数据总线(TXD[7:0],RXD[7:0])),精简成125MHz双沿收发各4bit数据总线。同时将数据有效信号(TX_EN,RX_DV)和错误指示信号(TX_ER,RX_ER),精简为1bit控制信号线。

当RGMII工作在100M,10M模式时,仍工作在单沿模式。随路时钟(TXC/RXC)下降沿时数据保持不变。

【RGMII接口帧格式】

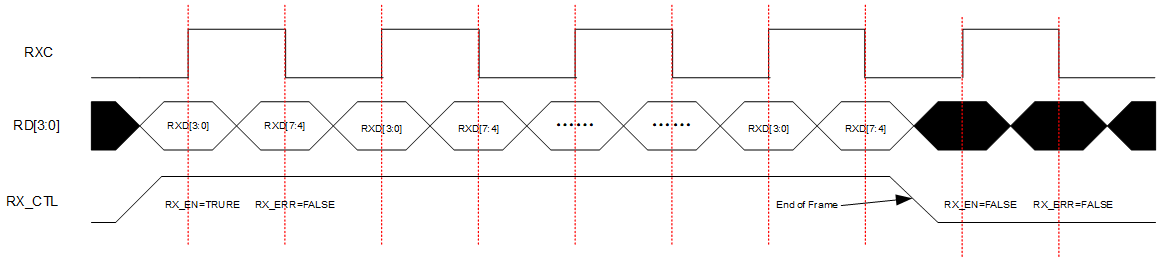
图2 RGMII有效帧

图2为一个有效数据帧的传输。在有效帧传输过程中,RX_CTL在RXC双沿时均为高电平,代表RX_EN=1,RX_ERR=0。当帧传输完后在下一个RXC上升沿,RX_CTL拉低,之后RX_CTL一直为低。注意在帧间隙时,RXC下降沿RX_CTL为0,但是其相邻的RXC上升沿时RX_CTL也是0,因此不会被识别为RX_ERR。从图中可以看出,对于一个有效帧, RX_CTL总是在RXC上升沿时拉低。

图3 RGMII无效帧

图3为一个无效帧的传输。在传输第一字节数据时,RX_CTL在RXC上升沿为1在相邻的RXC下降沿为0,因此被识别为RX_ERR。该数据帧,整帧会被丢弃。RX_ERR可以出现在一帧数据传输过程中的任何位置,当RX_ERR被识别后,整帧会被丢弃。

RGMII接口从降低封装成本上来讲,做出了不可磨灭的贡献。然而由于其采用的双沿采样导致其实际工作频率已达到250MHz,这么高的速率对于一般的数字IO来说已经临近极限。RGMII有两个致命缺陷:1,由于双沿采样,每bit仅4ns有效时间,使得时序收敛时并不友好。因此RGMII接口实现时,通常TXC/RXC都会做90°、180°、270°、360°相位的粗调,方便采样时序调整。甚至还有芯片利用DLL在90度粗调基础上做更加精细的微调。2,不管有无有效数据,TXC/RXC都在持续以125MHz翻转,这种周期性翻转噪声,很容易引起噪声干扰,影响临近模拟IP的工作。还会带来辐射,导致EMC测试不过。为了解决RGMII这俩缺陷,基于SerDes接口的SGMII应运而生,SGMII接口不但解决了RGMII的缺陷,而且进一步的降低的管脚数。当前市面上的千兆PHY,RGMII/SGMII这两种接口均支持。

【后记】

写RGMII接口其实有点犹豫,因为从之前有一篇关于MDIO文章表现来看,以太网俨然已经是日落西山了,感兴趣的人很少。但是,作者对以太网有特殊感情,因为走出校门后读的一篇协议就是几千页的IEEE802.3,那些激情燃烧的日子至今回想起来依旧心潮澎湃,完全抑制不住想和同学们侃侃的心情。

RGMII实际上还有一个很冷门的功能就是RTBI,就是将TBI精简,因为应用较少本文就没有提及。

「五分钟读懂」芯片常用数字接口(5) QSPI

常用数字接口(4) MDIO

常用数字接口(3) I2C

常用数字接口(2) SPI

常用数字接口(1) UART

SGM3207芯片:负电压电路方案

在开发项目的过程中,负电压的电源电路,工程师该如何去设计呢?

常用的电源芯片78M05,1117-3.3,HT7133,都是一些输出正电压的解决方案。如果工程师想要在电路中,得到一个负电压,该怎么办呢?

比如运算放大器,它的工作电源就需要一个正电压和一个负电压。

怎么得到一个负电压呢?

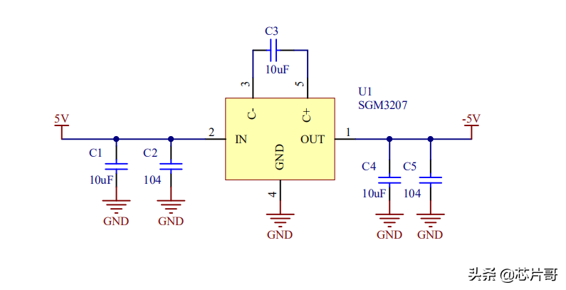
SGM3207芯片,它就是一款可以支持输出负电压的芯片。我们来看一下它的应用电路

SGM3207芯片应用电路

在这个电路中,芯片的Pin2引脚是电压输入引脚,直接连接到5V电压。

在Pin3引脚与Pin5引脚之间,连接一个10uF/25V的钽电容。

芯片的Pin1引脚,是负电压的输出引脚,比如-5V。

电路中的其他4个电容,主要都是为了滤波,使输入输出的电压更稳定一点。这样。工程师就得到了一个-5V的负电压输出电路了。

除了-5V,其他的负电压值,这个电路能不能实现呢?

首先,SGM3207芯片,它的输入电压范围是1.4V ~ 5.5V。

其次,它的输出电压幅值是等于输入的电压幅值,换句话说,输入芯片Pin2脚的电压是多少,芯片Pin1脚输出的电压就是多少,它俩在数值上是相等的,只是符号是相反的,一个正电压,一个负电压。

Vout = -Vin

因为输入的电压范围是1.4V ~ 5.5V,所以输出的负电压范围,也是在1.4V ~ 5.5V之间。

如果工程师,想要得到-3.3V和-1.8V的电压,都可以使用SGM3207芯片来实现。

SGM3207芯片,相比较其他功能类似的芯片,它的一个优势是外围电路只需要几个电容就可以,不需要复杂的肖特基二极管和功率电感。

不足之处是,它输出的电流能力较弱,只有60mA。对于给运算放大器供电,这个电流是没有问题的。但若想驱动其他大一点的负载,恐怕SGM3207芯片就不能胜任了。

另外,芯片本身的静态电流,也只有70uA。

请持续关注芯片哥,后面会定期更新有关于电子元器件和芯片,包括一些电子产品项目开发案例的相关内容。

相关问答

sgm芯片是哪个公司?

是圣邦微电子公司。圣邦微电子有限公司(SGMicroLimited),简称圣邦微电子SGMC,是一家专注于高性能、高品质模似/混合信号集成电路研发、生产和销售的半导体...

sgm9119是什么芯片?

sgm9119是滤波器芯片SGM9119是一个低电压,三重视频放大器和集成重建过滤器和输入夹。特别适合标准定义视频信号,这个设备是理想的范围广泛的电视和机顶盒的应...

sgm41511可用什么代替?

SGM41511是一种电源管理和充电器设备,适用于使用大容量单电池锂离子或锂聚合物电池的手机和平板电脑等应用。要寻找SGM41511的替代品,可以考虑具有类似功能和...

K9N6SGM(微星)为何没有BIOS-ZOL问答

微星K9N6SGM-V主板芯片集成芯片显卡/声卡/网卡主芯片组NVIDIANF6100-405芯片厂商nVIDIA芯片组描述采用MCP61S芯片组音频芯片集成Realte...

帮个忙老司机们!我想了解深圳周边哪里有售无线话筒PA芯片,...

[回答]..我们拥有强大的售前FAE技术团队、完善的质量管理体系,为客户提供一整套完善优质、性价比高的服务,客户的满意是我们生存及发展的唯一理由这个不...

各位大佬急需了解长沙质量放心YSGM232508生产厂,YSGM2325...

[回答]富士康P4M800P7MA-RS2主要性能主板芯片组VIAP4M800Pro总线频率FSB800MHz支持CPU类型支持IntelSmithfield,PentiumD,Pentium4,Celero...

谁能给我说一下!!香港有技术优势的YSGM060808,YSGM060808哪...

[回答]我们尊重员工,为每个员工提供宽阔的舞台,让公司的发展惠及每一位员工。在进口射频芯片大面积缺货的情况下,公司产能大,库存足,能以有效满足客户需求...

麻烦老表们有谁明白!香港YSGM333606哪家强,YSGM333606适合...

[回答]在进口射频芯片大面积缺货的情况下,公司产能大,库存足,能以有效满足客户需求我们坚持以客户为中心的价值观,客户的满意是我们生存及发展的唯一理由,...

问一下 黄冈监控立杆厂家,监控立杆哪家效果好有经验的都说说?

[回答]很棒,服务态度好,做出来的东西也很棒,服务也很细心和有耐心,有问必答的,极力推荐做了防雷也还是有被打坏的可能的,防雷工程只是在相当大程度上减少...

帮个忙老师们谁能回答!广东周边想了解YSGM060808供应商,YSG...

[回答]想做就还是要找百川泰科,会让你满意深圳百川泰科信息有限公司是一家成立于创新之都---深圳的高科技公司,公司集研发、代理销售于一体,秉持专业、创...

 朴载庆  徐义淳 
王经理: 180-0000-0000(微信同号)
10086@qq.com
北京海淀区西三旗街道国际大厦08A座
©2026  上海羊羽卓进出口贸易有限公司  版权所有.All Rights Reserved.  |  程序由Z-BlogPHP强力驱动
网站首页
电话咨询
微信号

QQ

在线咨询真诚为您提供专业解答服务

热线

188-0000-0000
专属服务热线

微信

二维码扫一扫微信交流
顶部