芯片元器件
HOME
芯片元器件
正文内容
音频运放芯片排行 主流音频运放芯片分析
发布时间 : 2026-04-14
作者 : 小编
访问数量 : 623
扫码分享至微信

主流音频运放芯片分析

运算放大器(简称“运放”)是运用得非常广泛的一种线性集成电路,而且种类繁多,在运用方面不但可对微弱信号进行放大,还可做为反相、电压跟随器,可对电信号做加减法运算,所以被称为运算放大器。不但其他地方应用广泛,在音响方面也使用得最多。例如前级放大、缓冲,耳机放大器除了有部分使用分立元件,电子管外,绝大部分使用的还是集成运算放大器。而有时候还会用到稳压电路上,制作高精度的稳压滤波电路。

各种运放由于其内部结构的不同,产生的失真成分也不同,所以音色特点也有一定的区别。本来我们追求的是高保真,运放应该是失真最低,能真实还原音乐,没有个性的最好。但是由于要配合其他音响部件如数码音源、后级功放管等,如果偏干、偏冷则可搭配音色细腻温暖型的运放,而太过阴柔、偏软的则可搭配音色较冷艳、亮丽的运放,做到与整机配合,取长补短的最佳效果。所以说,并不是选择越贵的运放得到的效果就一定越好,搭配很重要,达到听感上最好才算达到目的。

如果是应用在低电压的模拟滤波电路中,还要选择对低电压工作性能良好的运放种类。市面上的运放种类不下五六百种,GBW带宽在5M以上的也有三百多种,最高的已达 300MHZ,转换速率在5V/us以上的也不下几百种,最高达3000V/us。

低档运放JRC4558,这种运放是低档机器使用得最多的。现在被认为超级烂,因为它的声音过于明亮,毛刺感强,所以比起其他的音响用运放来说是最差劲的一种。不过它在我国暂时应用得还是比较多的,很多的四、五百元的功放还是选择使用它,因为考虑到成本问题和实际能出的效果,没必要选择质量超过5532以上的运放。对于一些电脑有源音箱来说,它的应付能力还是绰绰有余的。

5532,如果有谁还没有听说过它名字的话,那就还未称得上是音响爱好者。这个当年有运放皇之称的NE5532,与LM833、 LF353、CA3240一起是老牌四大名运放,不过现在只有5532应用得最多。5532现在主要分台湾、美国和PHILIPS生产的,日本也有。 最好的是带大S标志的美国产品,市面上要正宗的要卖8元以上,自从SIGNE被PHILIPS收购后,生产的5532商标使用的都是PHILIPS 商标,质量和原品相当,只需4-5元。而台湾生产的质量就稍微差一些,价格也最低,两三块便可以买到了。

NE5532的封装和4558一样,都是DIP8脚双运放,5532的内部为JFET(结型场效应管结构),声音特点总体来说属于温暖细腻型,驱动力强,但高音略显毛糙,低音偏肥。以前不少人认为它有少许的“胆味”,不过现在比它更有胆味的已有不少,相对来说就显得不是那么突出了。5532的电压适应范围非常宽,从正负3V至正负20V都能正常工作。它虽然是一个比较旧的运放型号,但现在仍被认为是性价比最高的音响用运放。 是属于平民化的一种运放,被许多中低档的功放采用。不过现在有太多的假冒NE5532,或非音频用的工业用品,由于5532的引脚功能和4558的相同,所以有些不良商家还把4558擦掉字母后印上5532字样充当5532,一般外观粗糙,印字易擦掉,有少许经验的人也可以辨别。据说有8mA的电流温热才是正宗的音频用5532。

NE5532还有两位兄弟NE5534和NE5535。5534是单运放,由于它分开了单运放,没有了双运放之间的相互影响,所以音色不但柔和、温暖和细腻,而且有较好的音乐味。它的电压适应范围也很宽,低到正负5V的电压也能保持良好的工作状态。由于以前著名的美国BGW-150功放采用5534作电压激励时,特意让正电源电压高出0.7V,迫使其输出管工作于更完美的甲类状态,使得音质进一步改善,所以现在一般都认为如果让正电源高出0.7V音质会更好。5534的价格和5532相当。

而NE5535是5532的升级产品,其特点是内电路更加简洁,且输出级采用全互补结构。转换速率比5532更高。不过有个缺点就是噪声较大,频带不够宽,低电压工作时,性能不够好,所以用于模拟滤波时效果不如5532理想。但在工作电压大于或等于15V时用作线形放大电路,音乐味会比5532好一些,所以其价格也比5532要贵两三元,其引脚功能和5532一样。

双运放AD827:这枚是AD公司的较新产品,它原本是为视频电路设计的,所以它的增益带宽达50MHZ,SR达到300V/us,它与EL2244一样都是目前市场上电压反馈型双运放的顶级货,一般的运放难望其项背。其高频晶莹剔透,低频弹跳感优越,其性能指标 与实际听感全面胜过其他很多同类产品,音质被一些人形容为无懈可击。且在正负5V的供电下仍有优异的性能。但其价格也稍微昂贵,30多元。脚位功能和5532相同。

双运放OP249:该运放是美国PMI公司的产品,厂家声称是用以取代OP215、LT1057等运放的,LT1057是属于动态大,解析力高,音色冷艳清丽的一种,搭配东芝的暖色名管就很合适。而OP249则和它不同,其输入级采用JFET,主要特点是显中性,无什么个性,声音平衡、自然而准确,所以体现了HIFI的真谛。塑封的才15元,陶瓷封装30多元,具有较高的性价比。不过要是对音色的喜好有偏重的朋友可能不大喜欢。

双运放OP275、OP285:它们也是PMI公司的产品,内部电路采用双级型与JFET型混合结构。其音色很有个性,低噪声,声音轮廓鲜明,解析力高,声音柔顺,中频具有胆机柔美润泽的特点,人声亲近。价格适中,而且性能稳定。适合用来打摩声音单薄、毛糙的CD、解码或放大器。它们的封装形式和引脚功能也和5532一样。OP275现在的市面价格为10元、OP285 15元。

顶级运放OPA627:BB公司的OPA627是目前为止最高档的运放,也是采用场效应管输入方式,音色温暖迷人,但其价格简直吓人,用到这么昂贵的运放,性能上是否能达到这个价格也见仁见智,不过听过OPA627的发烧友都一致认为AD827、LT1057等根本无法与之比拟。

胆味运放OPA 604与OPA 2604:这两种运放都是Burr Brown公司的产品,OPA604为单运放,OPA2604为双运放。它们都是专为音频而设计的专用运放,音色醇厚、圆润,中性偏暖、胆味甚浓,是被誉为最有电子管音色的运算放大器。当年的价格也不低,但还是被许多音响发烧友选为摩机升级机器的对象。现在这两种运放的价格都已较为合理,OPA604为25元,OPA2604要40多元,发烧友用来摩机是不错的选择。

以上介绍的几种是被音响发烧友们炒得火热的,其实还有大量未被大家熟知的上乘佳品可供选择,大家不必局限于以上几种。一种运放型号的封装也可分为金封、陶封和塑封,一般来说金封、陶封的质量较好,塑封的品质稍差。由于利益的驱使,什么都有假货,运放也不例外,市面上的假货不少,如果想便宜捡好货,那就要慧眼识珠了,不太在行的在购买时就要注意,宁可多花一块几毛,也要到信誉较好的商家去买。

本文分享评分榜:http://www.pingfenbang.com/News/newscontent/id/86.html

高端音频运算放大器常用技术、排名和选用

本文中,非常何马,希望能带大家了解常用高端音频运算放大器和常用的技术、排名以及选择使用中可能需要关注的几个地方,希望给大家一个有用的参考。

1

运放

1930年代,可用于实现运算放大器的基础电路开始陆续出现,到1940年代,贝尔实验室开发出了运算放大器概念的实用电路。二战期间,贝尔公司实际上已经开发出了真正的运算放大器,由于战争保密的原因,在战后一段时间才被公开,用于辅助瞄准的M9枪械指示器中用到的电子管电路,是运算放大器诞生的一个标志。

M9枪械指示器使用的电子管运放,摘自《Op Amp Applications》, Walter G. Jung Editor, 2002

1947年,纽约哥伦比亚大学教授John Ragazzini在论文中命名了可以执行如加法、减法、乘法、积分、微分等数学运算的放大器为运算放大器(Operational Amplifier),或简称为运放,英文简写为Op Amp,运算放大器或运放的名称就此诞生。

有别于现代的计算机或数字电路,运算放大器的运算是以模拟电路来执行的,下图是一个简单加法运算电路的示例。

运算放大器加法电路

真空电子管之后的运算放大器是用固态半导体元件模块或是混合集成电路来实现的。

固态半导体运放模块,摘自《Op Amp Applications》, Walter G. Jung Editor, 2002

混合集成电路运放,摘自《Op Amp Applications》, Walter G. Jung Editor, 2002

第一代大规模集成电路运放,是由线性集成电路先驱Robert J.(Bob) Widlar设计,Fairchild半导体公司(2015年被ON Semiconductor公司收购)在1963年推出的μA702和1965年推出的μA709。由于技术还不成熟,μA702没有获得多大成功。μA709也有许多的不足,但是第一款获得大量应用的集成电路运算放大器,是一个经典的里程碑。

第二代运放,也是由Widlar设计,National半导体公司(2011年被Texas Instruments公司收购)于1967年推出的LM101。之后Fairchild半导体公司在1968年推出,由Dave Fullagar设计的μA741,成为了运算放大器的典范和行业的标准。令人惊讶的是,尽管已经过去了五十多年,至今这款电路设计,如Texas Instruments公司的LM741、STMicroelectronics公司的UA741等,竟然仍在商业应用之中。

线性集成电路先驱Robert J.(Bob) Widlar,摘自《Op Amp Applications》, Walter G. Jung Editor, 2002

虽然现代运算放大器的电路设计、工艺和性能有了很多的提高和发展,但还都是以当时第一代和第二代的概念和电路作为设计的起点和基础的。

运算放大器之所以是运算放大器,其理论依据和努力目标,都是基于和实现“理想”运算放大器的假设。“理想”的运算放大器应该具有如下的性质:

无限大的放大倍数;无限大的输入阻抗;零输出阻抗。

2

运放的音频应用

当前大家处处都会听到经过了运放处理的声音。许多地方都有运放的存在,比如功放、前级放大器、耳机放大器、唱头放大器、话筒放大器、解码器、有源分频系统、调音台、录音系统,等等。

音频应用中,主要是利用运放接近“理想”的性能,对小信号甚至是微弱信号先进行高质量的放大等处理,再送入后续电路中,或者是作为精密滤波器,来处理或改变信号的频率特性。

因为一般处于小信号的应用之中,音频运放,常常要求有低的噪声、低的失真、快的速度、宽的频带、小的相移、大的负载能力、大的抗干扰能力,等等。

家用音响系统示例,运放主要可能被使用的地方和作用

3

常用技术手段

为了尽可能地满足音频应用的需要,并使运放“理想”化,常常要竭尽所能地采取各种技术手段。除了一些常规的工艺技术,以及一些常用的电路结构之外,如电流镜、共射共基放大器、差分输入对、有源负载、电流源和电压源、互补差分输入、互补共射输出、共集输出(轨到轨振幅输出)、负反馈、补偿,等等,以下一些技术,用来针对性地实现运放的高端音频及整体性能。

1)BJT工艺

大家可能都熟知的CMOS(互补金属氧化半导体)电路具有体积小、功耗低、切换速度快、容易数字连接、成本低等优点,目前广泛流行于大规模集成电路或芯片应用中,如中央处理器CPU、图形处理器GPU、信号处理器DSD、音频转换器DAC或ADC等等,大多是使用CMOS工艺来构建的。

但是,CMOS电路的模拟性能往往表现不佳,在音频一般只能作为低端产品使用。而BJT(双极结型晶体管)工艺,具有许多适合模拟电路的优点,如能够实现高的电导率、高的增益、高的速度、低的输入失调电压、低的输入噪声电压、大电流驱动能力,等等,因此,很适合于音频运算放大器使用。高端音频运放,其集成芯片几乎都是基于BJT工艺来实现的。

因为BJT需要有偏置电流才可以正常工作,这个工艺也有其不足之处,最显著的问题就是输入偏置电流较大(一般是几百nA),会使运放偏离“理想”状态,带来误差等影响,对音频应用的影响主要表现在电流噪声相对较大。

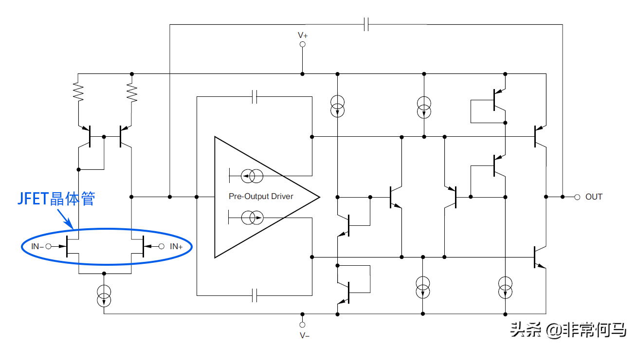
2)BiFetT技术

为了弥补BJT输入偏流较大的不足,人们在运放中引入了BiFet技术。这是把BJT(双极结型晶体管)和JFET(结型场效应晶体管)在同一块基片上集成制作的工艺。运放的BJT差分输入对用JFET来代替后,输入偏置电流可以达到极小(一般是几十pA)的值。这类运放就被称作JFET输入的(或JFET)运算放大器,除输入差分对被JFET替代外,其余电路还是基本用BJT来实现的。

应用BiFet技术的JFET输入运放简化电路图,摘自“OPA1641数据表”

DiFet技术

在此基础上,进一步引入DiFet技术,即是使用Dielectrically Isolated(DI)介质隔离工艺,用二氧化硅薄层代替PN结来隔离基片上的各个晶体管。薄层有更小的电容密度,结合JFET,使运放可以实现更小的输入偏置电流(可低至几个pA)。相比常规BiFet,DiFet运放有更低的电压噪声(更靠近BJT的水平),也有更快的速度。

JFET的引入,使得运放有很低的电流噪声。但是同样地,和BJT正好相反,其不足之处是运放的电压噪声和失调电压又相对较大。

3)iPolar工艺

Analog Devices公司使用的利用结合横向沟隔离的垂直(BJT)结隔离工艺,可以在较小的晶片上实现高速度和小功耗,由此带来的高压摆率、低失真和低噪声非常适合高保真音频和其它如高性能仪器的使用。

介质隔离(DI)工艺示意图,摘自《Analysis and Design of Analog Integrated Circuits》, Fifth Edition

4)SuperBeta技术

低噪声是音频运放的重要性能要求,运放的噪声性能与输入级晶体管集电极偏置电流的均方值有反比的关系,因此此电流越大则噪声越小。为了同时达到尽可能小的输入电流和大的集电极电流,有些运算放大器对输入差分对晶体管运用了SuperBeta(超级放大系数)的技术,通过减小基极宽度等工艺措施,使晶体管的电流增益达到如2000~5000倍的数量级,这样运放输入级可以工作在较大的偏置电流(如1mA)以实现较好的噪声性能,同时对速度、带宽等性能也有利,而输入偏流仍然可以保持在较低水平。

5)输入偏置电流取消

输入偏流取消电路,用来提升运放的直流(DC)性能,从而提高精度。通过在输入差分对基极分别接入多集电极晶体管电流源来实现。此方法对降低运放的电压噪声、失调电压等有许多益处,但同时也产生了增加电流噪声、共模噪声和共模失真等的不利影响。

SuperBeta和输入偏流取消电路,摘自《Analysis and Design of Analog Integrated Circuits》, Fifth Edition

6)二级放大结构

一般的运算放大器都是使用由输入、放大和输出组成的三级放大的结构。由于放大器的固有特性,每增加一级放大,都会引入一个相移,是一个不利影响。因此,有的运放,结合SuperBeta技术,采用二级放大结构,来提高相位裕度、改善失真等性能。Analog Devices公司的AD797就采用了这样的技术。

7)大电流输出

电阻都是会产生噪声的,一般是Johnson(热)噪声,与电阻阻值的平方根成正比关系,因此,低噪声电路都尽量使用低阻值的电阻。这就对运算放大器的负载能力提出了要求,同样地,负载能力与运放失真等性能也是密切相关的,所以,音频高性能的运算放大器,都需要设计成具备输出大电流(如大于30~40mA)的能力。音频运放大都使用CB(Complementary Bipolar-互补双极结型晶体管)的输出级结构,来实现快速的大电流输出。

8)非完全补偿放大器

放大器电路一般要将输出电压反馈到其负输入端(负反馈)来达到设计的目的,绝大多数的运算放大器可以实现100%的负反馈(增益为1倍)仍然是稳定的,这类运放被称为是无条件稳定或完全补偿的。有些运放被设计成为仅在一定增益(如5倍)及以上是稳定的,其内部电路也会稍复杂一些,使用条件也更苛刻,如不能简单地加入电容负反馈,但有更高的增益带宽积,也就是频带可以更宽、可以速度更快、压摆率(Slew Rate)更高,等。这类运放被称为是非完全补偿(Decompensated)运放。典型的例子是Texas Instruments公司的OPA627和OPA637,前者设计为单位增益(1倍)稳定,后者为5倍及以上稳定。

9)JFET声音

与以上描述主流思路正好相反的设计想法,运放的输入差分对使用BJT,而后续处理使用JFET,或者全部信号处理回路均使用JFET。这样做的理由是或可能是,与BJT的指数型相比,JFET的平方型转移特性能够更好地抑制人耳敏感且不喜欢的奇次谐波,所以声音会更好听。也可以理解为,与BJT的相比,如果JFET的声音更好听,那是因为少了奇次(主要为3次)谐波,而多了偶次(主要为2次)谐波。但是存在一个问题,不管是几次谐波,都应该是失真。这个设计想法,可能还是有争议的。使用这个思路运放的例子有Analog Devices公司的OP275和OP285、Texas Instruments公司的OPA604和OPA2604等。

BJT和JFET转移特性比较,摘自“OPA604,OPA2604数据表”

提高音频运放性能的技术手段还有许多,如铜线连接、激光矫正、共模反馈、前馈、基片分离,等等,非常何马在这里就不一一细说了。

4

常用高端音频运放排名

运放的输入电压噪声,相比其它指标,在高端音频应用,更加容易成为制约运放性能的因素。这项指标,在运放音频应用的整体性能水平上有一定的代表性。以下,按输入电压噪声的高低,参考输入电流噪声和压摆率等,对常用的高端音频运算放大器做一个排名,同时也提供了价格指数。

排名说明:

1)本文以“高端”为目标,因此排名中未包括4通道、低电压和已停产的等运放。全差分运放通常在专业录音设备中使用,这里也没有包含在内;

2)价格指数是指各厂商官方销售渠道给出的购买数量为1的价格,与同样条件下运放NE5532的价格的比值。此价格可能是单个运放电路的(单运放)或两个运放电路(双运放)的价格;

3)列表中运放,除另外标出外,都以SOIC-8(塑封贴片)作为默认封装;

4)失真也是重要的指标之一,但与使用条件(外部电路)密切相关,各运放的官方数据常常没有直接的可比性,且有些运放的数据表上也没有列出此指标,需要进一步的判断。其它的一些指标,如频宽、共模抑制比、电源抑制比等等,也有类似情况;

5)运放的归类叫法较多,如通用运放、仪器运放、高速运放,等等。音频运放一般归于通用运放,但许多运放都可以作为音频使用,所以,并没有明确的界限,这里把可以用于音频的运放称为音频运放,以方便表达。

5

选和用的问题

如此多的运放,如何选用可能还不是很容易的。非常何马先来尝试回答几个大家可能感兴趣的问题。

1)BJT输入还是JFET输入的运放更好?

BJT的电压噪声小,JFET电流噪声小,到底应该选用哪一类更正确呢?

一个简单且重要的判据,掌握了就能把握选用的大方向,那就是信号源的电阻值。对于信号源电阻值小的电路,电流噪声可以忽略,就选用BJT(电压噪声小)的;反之,就选用JFET(电流噪声小)的。

信号源电阻大或小,理论上需要经过计算来判断,但一般来说,小于1k欧姆,可以认为是小电阻,当信号源电阻大于1k欧姆时,则最好进一步通过计算来确认。

源电阻不同时不同的主导噪声源,摘自 《Basic Linear Design》, Hank Zumbahlen Editor, 2007 Analog Devices, Inc.

实际应用中,小电阻信号源是常见的,比如动圈唱头、电容式话筒、DAC数模转换芯片、DAC解码器、CD机、有源前级放大器,等等,都是低输出电阻的;也有大电阻的信号源的情况,如无源前级、被动音量控制、电路中串联大电阻的,等等。

2)有输入偏流取消电路、失调电压小的, 就更好吗?

这往往是为了改善直流(DC)性能而增加的手段,对于音频应用,交流性能往往更为重要,而输入偏流取消(或补偿)电路,会使运放输入差分对更容易工作在不对称的状态,从而无法完全取消共模噪声、共模失真等,给运放的性能带来不利影响。举例如Analog Devices公司的OP27和OP270(有输入偏流取消电路),电压噪声指标分别为3和3.2nV/√Hz,低于Texas Instruments公司NE5532(无输入偏流取消电路)的5nV/√Hz,应该有更低的噪声。但是,在有共模电压出现的串联负反馈电路中进行测试,它们的总谐波和噪声(THD+N)性能却劣于NE5532。

因此,有输入偏流取消电路的运放,虽然在有些场合使用是有利的(如直流耦合、直流伺服等),在作音频信号处理时要作谨慎考虑。

3)插拔更换运放可以比较优或劣吗?

运放的引脚基本上是兼容的(分别对单运放和双运放或其它),可以通过插拔分别试听不同的运放来比较声音的不同或优劣。但是,很多情况下这样的比较是不合理的,这是因为运放内部设计的不同,使用的条件,特别是补偿电路的参数等要求,也很可能各有不同。不在最合理的条件下工作,运放的性能很可能会受到限制。再举Texas Instruments公司的OPA637和OPA627和Analog Devices公司的OP37和OP27的例子,其中OPA637和OP37 只能在放大倍数5倍或以上的电路中使用(稳定),如果在小于这个放大倍数的电路中使用,性能无法保证,很可能不能正常工作(相反OPA627和OP27可以)。因此,就如此两个系列的运放(还有其它类似的运放),虽然参数分别基本一致,也是不能随意互换使用的。

OPA637在放大电路增益等于或大于5时使用,摘自“OPA637数据表”

4)价格越贵越好吗?

BiFet工艺比单纯BJT工艺更加复杂,所以JFET输入的运放价格一般比BJT输入的更贵。BJT输入的运放更适合于低输入源电阻的电路,JFET的则相反,各有各的长处,以及适合应用发挥场合。

另一个情况,提高直流性能也是要有一定成本的,高精度的运放也相对昂贵。运放在音频应用中对直流性能并不敏感,因而付出的这代价可能得不到回报,有时还可能适得其反,产生不利影响。

因此,可按实际情况选用合适的运放,而非是价格越贵就越好。

5)金属、陶瓷比塑料封装的更好吗?

同一个型号不同封装的运放,主要的性能指标是基本一致的,没有任何本质的差别。不同封装只在有些参数上有微小的不同,如热阻、温度变化等等。至今,没有任何明确理论依据来证明哪个封装的性能或声音更好。

运放常用封装形式

6

小结

运算放大器型号繁多、技术手段多样。然而,只要电路设计合理,运放性能良好且能够正常工作,很多时候人耳是难以分辨出不同运放的声音差别的。非常何马,希望大家能理性看待、合理使用运放。作为模拟电路精彩世界的重要部分,一篇文章是很难覆盖运放的方方面面,遗漏、差错也一定难免,欢迎大家补充、指正。

头条@非常何马,2021.04.15

参考资料:

【1】 Analysis and Design of Analog Integrated Circuits, Fifth Edition, Paul R. Gray, Paul J. Hurst, Stephen H. Lewis, Robert G. Meyer, 2009 © JohnWiley & Sons, Inc.;

【2】 Basic Linear Design, Hank Zumbahlen Editor, 2007 Analog Devices, Inc.;

【3】 Op Amp Applications, Walter G. Jung Editor, 2002 Analog Devices, Inc.;

【4】 Small Signal Audio Design, Second Edition, Douglas Self, 2015 Focal Press;

【5】 文中各运放官方“数据表”(略)。

(文尾)

相关问答

运放芯片型号排名?

第一个,LM3886单声道的80W第二个,双26-28VLM4766双声道8第三个,LM3886第四个,NE5532第五个,OPA2604第六个,OPA2604第一个,LM3886单声道...

运放芯片排名?

第一个,LM3886单声道的80W第二个,双26-28VLM4766双声道8第三个,LM3886第四个,NE5532第五个,OPA2604第六个,OPA2604第一个,LM3886单声道...

前级运放芯片哪个最好?

前级运放芯片NE5532最好。NE5532是高性能低噪声双运算放大器(双运放)集成电路。和很多标准运放相似,但NE5532具有更好的噪声性能,优良的输出驱动能力及相当...

前级功放芯片推荐?

应该是功放前级运放芯片,推荐NE5532。NE5532是高性能低噪声双运算放大器(双运放)集成电路。NE5532具有良好的噪声性能,优良的输出驱动能力及相当高的小信号...

运放芯片好听还是胆机前级好听?

运放芯片和胆机前级都有各自的优点和缺点。运放芯片具有高稳定性,低噪音和失真,以及精准的放大能力,适合处理高保真音频信号。而胆机前级则具有高音色和温暖的...

什么运放芯片好?

目前最好的四运放芯片型号:电流转换成电压的运算放大器的常用芯片型号:LM358、LM348,OP07,ICL7650等。第一名,OP249GPZ。OP249GPZ是属于美国出品的双运放,...

音响的运放芯片OPA627和AD797哪个听感好点?

最佳选择AD797单运放,高级专业音响多用做前置放大器。具体参数如下:偏流-500nA,GB值-110Mhz,转换速率-20V,噪声电压-0.9nV,数出3V时的谐波失真(20kHZ)为-...

音频运放作用?

音频运放的作用如下:1、使音频信号的电压得到抬升,以便后级作功率放大处理用(功放电路的电流放大能力很强,但电压放大能力通常比较弱)。2、可以驱...音频运...

最适合听劲爆音乐的运放芯片是什么型号?

1.LM3886TF,该芯片的最大优点是具有输出防冲击措施,所以不需用喇叭继电器延时,这一点最适合做低音炮用,因为低音炮的强烈震动容易使继电器触点跳动。2.TDA729...

国产运放芯片有那些?

就知道圣邦微电子的,还可以,别的没怎么用过。多是兼容的。其他的应该是F007,F004可以搜索一下。就知道圣邦微电子的,还可以,别的没怎么用过。多是兼容的。...

王经理: 180-0000-0000(微信同号)
10086@qq.com
北京海淀区西三旗街道国际大厦08A座
©2026  上海羊羽卓进出口贸易有限公司  版权所有.All Rights Reserved.  |  程序由Z-BlogPHP强力驱动
网站首页
电话咨询
微信号

QQ

在线咨询真诚为您提供专业解答服务

热线

188-0000-0000
专属服务热线

微信

二维码扫一扫微信交流
顶部