技术资料
HOME
技术资料
正文内容
lm358是什么芯片 什么是LM358 运算放大器?LM358 引脚图及功能详解,几分钟带你搞懂
发布时间 : 2026-03-13
作者 : 小编
访问数量 : 23
扫码分享至微信

什么是LM358 运算放大器?LM358 引脚图及功能详解,几分钟带你搞懂

我是小七,干货满满 。大家不要错过,建议收藏 ,错过就不一定找得到了,内容仅供参考,图片记得放大观看。

如果有什么错误或者不对,欢迎各位大佬指点

图片来源于网络

今天是 LM358 运算放大器 ,主要是以下几个方面:

1、什么是 LM358?2、LM358 引脚图及功能3、LM358 CAD 模型4、LM358 工作原理5、LM358 特性参数6、LM358 经典典型电路

一、什么是 LM358?

LM358 运算放大器 属于一种低功率双运算放大器 ,由两个独立的高增益内部频率补偿运算放大器 组成,专门设计用于在宽电压范围内由单电源供电

LM358 运算放大器 具有低功耗 、共模输入电压范围扩展到地/VEE以及单电源或双电源操作。与单电源应用中的标准运算放大器类型相比,它具有几个明显的优势。

该放大器可在低至 3.0 V 或高达 32 V 的电源电压下工作 。共模输入范围包括负电源,因此在许多应用中无需使用外部偏置组件。输出电压范围还包括负电源电压。

LM358 运算放大器实物图

二、 LM358 引脚图及功能

LM 358 共有 8 个引脚,每个引脚具有不同的单独功能,下面为 LM 358引脚图及功能。

引脚 1 和引脚 8 是比较器的输出。引脚 2 和引脚 6 为反相输入。引脚 3 和引脚 5 是同相输入。引脚 4 是 GND 端子。引脚 8 是 VCC+。

LM358 引脚图及功能

运算放大器:

运算放大器 ,或简称运算放大器,本质上是一种直流耦合高增益电压放大设备 ,它们非常适合用于信号调理、直流放大、滤波,并可与外部反馈组件(如其输出之间的电容和电阻器)一起使用输入端子。

运算放大器根据其反馈配置执行不同的功能,无论是电阻式、电容式还是两者兼而有之,在此基础上,它可以使用差分放大器、积分器或加法器

同相输入:

运算放大器的同相输入 在LM358的电路图上用“+”号标记,同相输入为3 引脚 。发现正电压施加到同相输入,然后它不会发生变化,它将在输出端产生正摆动。

如果将变化的波形(例如正弦波)应用于非反相输入(例如 LM358 中的引脚 3),那么它将以相同的方式出现在输出端,它没有被倒置。

反相输入:

运算放大器的反相输入 在 LM358 的电路图中用“-”号标记,反相输入为 2 号引脚。

当在反相输入端施加正电压时,将产生负电压摆幅。因此,对反相输入应用正弦波,将在输出端出现反相。

LM358 引脚图及功能

三、 LM358 CAD 模型

1、 LM358 电路符号图

2、 LM358 封装尺寸图

3、 LM358 3D 模型

四、LM358 IC 工作原理

LM358 引脚图

这里设计了一个 LM358 的 Proteus 模拟,可以让你更好地了解 LM358 IC 的工作原理 。在这个模拟中,根据 LDR 值设计了一个小型自动 LED 开关电路 。图像如下图所示:

LM358 IC 工作原理

你可以在上图中看到,我将 LDR 连接在输入引脚上,而 LED 连接在 LM358 的输出引脚上。

现在,当 LDR 变暗时,LED 将保持关闭状态,但当 LDR 亮起时,LED 也会亮起。

可变电阻用于灵敏度目,在下图中,显示了它的 ON 状态:

LM358 IC 工作原理

你可以在上图中看到现在 LED 亮起,因为 LDR 亮着。

五、 LM358 特性参数

在单个封装中集成两个运算放大器宽电源范围单电源 - 3V 至 32V双电源 – ±1.5V 至 ±16V输入差分电压范围 ±32低电源电流 – 700uA输入共模电压范围 -0.3 至 32两个运算放大器的单电源可实现可靠运行结温 150˚C工作环境温度 – 0˚C 至 70˚C储存温度范围 - 65˚C 至 150˚C焊针温度 – 260 ˚C(10 秒 – 规定)短路保护输出可用封装:TO-99、CDIP、DSBGA、SOIC、PDIP、DSBGA

六、LM358 经典典型电路

1、使用LM358的简单震动报警电路

使用 LM358的震动报警电路设计简单, 在家用汽车上有很多应用。该电路的主要应用是作为汽车的防盗报警器 。在此电路中,压电传感器用作震动传感器,必须安装在你必须保护的门上。

图中所示 LM358 接在反相施密特触发器上。端口 R1 设置电路的阈值电压。R1 用作反馈电阻。

当压电传感器未激活时,压电传感器的输出将为低电平,IC 的输出也为低电平,因此传感器的输出为高电平并作为施密特触发器激活。然后它会发出蜂鸣声。

即使振动已分离,蜂鸣器仍会发出一段时间的蜂鸣声。这是因为,当LM358 IC被触发时,反相输入影响不大,状态不容易反相。因此,将传感器牢固地固定在表面上,无论你将其放置在何处,并且将传感器放置在门把手附近总是好的。

所以这里这个图必须使用 3V电池作为电源调节R2 寄存器以获得必要的灵敏度

2、 LM358 的红外接近传感器

1)元器件清单

LM35810K欧姆电阻220欧姆电阻红外发射器 LED红外接收器 LED彩色 LED电池 5V10K 欧姆可变电阻

红外灯

IR LED 是固体闪电设备,通电时会发出某种形式的电磁辐射。IR LED 发出的光比可见光长。使用的红外光电二极管必须能够检测到红外 LED 发出的特定波长的 INFRA RED ,这一点非常重要。

红外光电二极管

它是一种特殊类型的二极管,它在暴露于光线时会产生电流,它以反向偏置连接以进行红外线检测。在没有红外辐射的情况下,当光线没有落在它上面时,它具有非常高的电阻和少量电流流过它,称为暗电流。但是当红外线落在它上面时,会产生更多的电荷载流子,并且它的电阻会降低,并且电流开始流动,该电流与落在光电二极管上的辐射强度成正比。在接近传感器中,光电二极管使用此机制来生成电信号。

LM358 的红外接近传感器

2)工作原理:

接近传感器遵循的原理非常简单。IR LED 和光电二极管相互并联,用作发射器和接收器。光电二极管以反向偏置连接。当障碍物出现在发射器射线的前面时,发射器射线是 IR LED 发射器,当该光被反射回来时,它被充当接收器的光电二极管拦截。 反射的光线会降低光电二极管的电阻,因此会产生大的电荷载流子并产生电信号。

这个信号实际上是10k电阻上的电压,这是电位器,我们可以通过调整这个电压来调整这个电压,距离也会有所不同。它直接馈送到运算放大器的同相端。运算放大器的功能是比较在引脚 2 和引脚 3 上给它的两个输入。

来自光电二极管的信号被提供给连接 10k 电阻的同相引脚(引脚 3)和阈值电压从电位器到可调节的反相引脚(引脚 2)。如果非反相引脚 2 上的电压大于反相引脚上的电压,则表示光没有落在光电二极管上,则运算放大器输出为高电平,否则输出为低电平。

数字输出为高电平或低电平。避障机器人或线跟随机器人使用接近传感器的数字输出信号来停止机器人的运动或改变机器人的方向。一旦障碍物足够近,信号就可以通过H桥电路直接馈送到电机的输入引脚来驱动电机。

模拟输出是从零到某个有限值的连续值范围。电机驱动器或其他开关器件不能直接使用模拟信号。首先,它们需要由微控制器处理,并通过 ADC 和一些编码转换为数字形式。这种输出形式需要一个额外的微控制器,但无需使用运算放大器。

比较器的工作模式很简单:

如果 Vin > Vref,则 Vout = Vcc,

参考电压设置在 2 号引脚,如果 Vin < Vref,则 Vout = 0,因为我们将引脚接地。

值得一提的是,此时输出电压将约等于电源电压Vout~Vcc。

鉴于这些情况,我们将 IR 接收器输出连接到非反向输入(正)意味着我们将 IR 接收器连接到 LM-358 的输入引脚 2。最初我们说当光电二极管不捕获红外辐射时,我们将有大约 0.56V 的电压输出。

因此,我们必须首先给出高于 0.56V 电压的 Vref。在这里,我们将使用电位器将高于 0.56V 的值设置到引脚 Vref。在这种情况下,在状态 0 中,我们有 Vin < Vref 且 Vout = 0,因此 LED 将关闭。

当接收器将捕获辐射时,它将允许更高的电流通过,该电流将超过 Vref,我们将有 Vin> Vref 并且 Vout = Vcc,大约 9V。

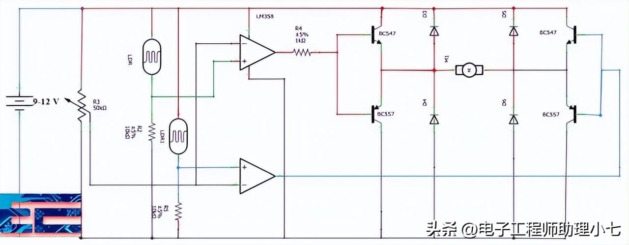
3、使用 LM-358 的太阳能跟踪器

1)元器件清单

组件名称

数量

LM-358

1

BC-547

2

BC-557

2

1 KΩ 电阻

2

10 KΩ 电阻

2

直流电机

1

电位 50 KΩ

1

LDR

2

电池 9-12V

1

BC547 晶体管

本项目使用了两个 BC547 晶体管。BC547 是 NPN 双极结型晶体管。这通常用作开关和放大器。我们在这个电路中使用了 BC547 作为开关。在基极施加的电流越小,它可以控制在集电极和发射极的电流越大。

BC557 晶体管

BC547 是 PNP 双极结型晶体管,通常用作开关和放大器 。当在基极上施加接地(0)电压时,集电极和发射极将关闭(正向偏置),当在基极上施加正电压时,集电极和发射极将打开(反向偏置)。

LDR(光敏电阻)

LDR 或光相关电阻是可变电阻,它也被称为光敏电阻。这些 LDR、光敏电阻或光敏电阻的工作原理是“光导”。LDR 电阻的变化取决于落在 LDR 表面上的光强度。当光落在 LDR 的表面上时,LDR 的电阻会降低并增加元件的电导率。当没有光落在 LDR 的表面上时,LDR 的电阻很高,从而降低了元件的电导率。

使用 LM-358 的太阳能跟踪器

2)接线说明

LDR1R1(10K) 串联,会改变电压。 LDR1和R1 的 连接点是同相引脚LM358的输入, LM358与LM358 IC的第 3脚 相连,后者是 第一个运算放大器的输入。

同样, LDR2R2(10K) 串联。LDR2 和 R2的 连接点 是 LDR2 的 输出端 ,连接到 LM358 IC 的引脚 5 。引脚 5 是 第二个运放的 LM358 IC 的同相输入端

10K 可变电阻器 ( RV1) 固定端子 1 连接到 Vcc固定端子 2 连接到 。可变电阻器 (RV1)的 可变端子 连接到 IC 引脚 2 和 6 。引脚 2 和 6 分别是 IC 的 Op-Amp 1 和 Op-Amp 2的反相输入端

运算放大器 1 输出引脚 (IC 引脚 1)连接到晶体管 Q1 和 Q3 的 基极端子,而 运算放大器 2 输出引脚 (IC 引脚 7)连接到晶体管 Q2 和 Q4 的基极端子.

晶体管(BC547) Q1、Q2 集电极端接 Vcc ,晶体管(BC557) Q3、Q4 集电极端接

三极管Q1、Q3的 发射极短接 , 通过二极管D1、D3 的连接点 与电机端 相连。三极管Q2和Q4的 发射极短接 , 通过二极管D2和D4 的连接点 与电机端 相连。

3)工作原理

LM358 是控制整个系统的主控制器,这里它作为电压比较器工作。 当同相输入端(+)处的电压大于反相输入端(-)处的电压时,电压比较器的输出将为高电平。

当没有光落在 LDR 表面时,它的电阻很高,那么所有电压都分配在 LDR 上,输出为低电平(接地)。当光线落在 LDR 表面时,它的电阻很低,那么所有电压都分配在电阻上,输出为高电平 (VCC)。

可变电阻用于设置运算放大器 1 和运算放大器 2 的反相 (-) 端的参考电压。

晶体管 BC547 和 BC557 形成一个 H 桥,用于控制电机方向。

当光照在 LDR 上增加时,LDR 的输出电压也在增加。因此,同相 (+) 端的电压也会增加,当该电压大于参考电压时,运算放大器的输出变为高电平。

输入 A

输入 B

输出

0

0

停止

0

1

顺时针

1

0

逆时针

1

1

停止

互补对称晶体管 BC547 和 BC557 形成 H 桥,借助它我们控制电机旋转。考虑第一个比较器的输出为高而第二个比较器的输出为低的情况。当 Q1 和 Q4 开启时,电机将顺时针方向旋转。考虑第一个比较器的输出为低而第二个比较器的输出为高的情况。当晶体管 Q2 和 Q3 开启时,电机将逆时针旋转。如果两个比较器的输出均为低电平,则晶体管 Q3 和 Q4 导通,但没有电流流过电机。同样,如果两个比较器的输出都为高电平,晶体管 Q1 和 Q2 将开启,但没有电流流过电机。

4、使用 LM358的电池监控电路

电池电量指示电路使用双运放 IC LM358 监控 12V 电池的低、正常和满电平。

使用 LM358的电池监控电路

1)元器件清单

电阻: (1/4 Wаttѕ)R1 – 10KR2 – 10KR3 – 10K (电位器)R4 – 10K (电位器)R5 – 1.5KR6 – 1.5KR7 – 1KR8 – 1.5KR9 – 1.5KLM358 ICLEDѕ:红色、绿色、黄色100mA 保险丝12V 电池

2)电路说明

电路监控 12V 电池电压,将显示电池的充电水平,指示低电压、正常电压和满电压。 电位器在红色/黄色/绿色 LEDѕ 时调整 指示。例如,红色 LED 在 11V 时亮起,绿色 LED 在 12V 时亮起。黄色 LED 在这些值之间重新打开。该项目也可用于监控 4v、6v、24v 等,只需稍作修改。

4、带有 LM358 的光电二极管

带有 LM358 的光电二极管

1)元器件清单

LM358光电二极管10K电位器10K电阻晶体管BC547引领

2)电路描述

10K 电阻与光电二极管串联,光电二极管的输出提供给 LM-358 的 3 号引脚。在这个项目中,当辐射落在光电二极管上时,LED 将打开和关闭。电位器连接在引脚 2 上,用作参考电压。 运算放大器的输出在 BC547 的基础上给出。集电极与发光二极管相连,发射极与地相连。

6、其他应用

传感器放大器传统运算放大器电路积分器、微分器、加法器、加法器、电压跟随器等,直流增益模块、数字万用表、示波器比较器(回路控制和调节)有源滤波器通用信号调理和放大4 至 20mA 电流环路发送器

以上就是今天的内容,大家记得关注 ,给我点赞 哦,欢迎大家在评论区留言 ,请各位大佬多多指教

图片来源于小红书

知道LM358吗?它是什么?双运算放大器LM358功能介绍

一、LM358功能概述

双运算放大器LM358,内部包括有两个独立的、高增益、内部频率补偿的双运算放大器,适合于电源电压范围很宽的单电源使用,也适用于双电源工作模式,在推荐的工作条件下,电源电流与电源电压无关。它的使用范围包括传感放大器、直流增益模块和其他所有可用单电源供电的使用运算放大器的场合。

二、特性

内部频率补偿

直流电压增益高(约100dB)

单位增益频带宽(约1MHz)

电源电压范围宽:单电源(3-30V)

双电源(±1.5 一±15V)

压摆率(0.3V/us)

低功耗电流,适合于电池供电· 低输入偏流

低输入失调电压和失调电流

共模输入电压范围宽,包括接地

差模输入电压范围宽,等于电源电压范围

输出电压摆幅大(0 至Vcc-1.5V)

三、LM358引脚排列图

LM358的封装形式有塑封8引线双列直插式和贴片式,引脚功能如下:

LM358内部含有二个运算放大器,我们分别称为第一运放和第二运放。

1脚:第一运放输出端OUT1

2脚:第一运放反向输入端IN1-

3脚:第一运放同向输入端IN1+

4脚:接地端GND

5脚:第二运放同向输入端IN2+

6脚:第二运放反向输入端IN2-

7脚:第二运放输出端OUT2

8脚:正电源引脚VCC

四、LM358的功能描述

LM358中的运算放大器,可以构成各种电路,比如构成电压比较器,信号从第一运放反向输入端(2脚)和同向输入端(3脚)输入,经比较后由第一运放输出端(1脚)输出。如果3脚电压大于2脚电压,则1脚输出高电平;如果3脚电压小于2脚电压,则1脚输出低电平。

利用LM358设计的电子制作实例:红外二极管感应报警电路分析与制作

五、行情分析

LM358该型号,市场上比较常见,在各大网站上,搜索比较频繁,价格一直相对平稳。有些分析人士,还把该型号归类为电源电路,因为它使用范围比较宽。LM358最近一段时间市场销量比较稳定,主流品牌是TI、NS、国产品牌,国外品牌的价格一直相对偏高,最新报价有小幅度下滑,在0.4-0.7元/PCS区间波动。国产品牌价格就非常低,相比月初,价格同样也有了小幅度下滑,网络报价一般在在0.13-0.15元之间波动。

相关问答

在开关电源中LM358一般起什么作用?能具体讲讲其工作原理吗?...

[最佳回答]你上的图看不清.其实很简单,LM358一般在开关电源中起保护作用.LM358内部是两个电压比较器A1、A2.比如可以使A1A2分别担任过流保护和过热保护,一般地...

LM358的工作原理及管脚说明?_作业帮

[最佳回答]LM358内部包括有两个独立的、高增益、内部频率补偿的双运算放大器,适合于电源电压范围很宽的单电源使用,也适用于双电源工作模式,在推荐的工作条件...

电源芯片LM358N用什么可以代替?

这个型号的芯片没有代换品,直接购买,更换时查好外围元件后再试机。这个型号的芯片没有代换品,直接购买,更换时查好外围元件后再试机。

在开关电源中LM358一般起什么作用?能具体讲讲其工作原理吗?

一般的开关电源中没有LM358,电动车充电器中倒是比较常见,作用是充电控制。开关电源中用LM358,就比较特别了,它做什么用要有具体电路。一般的开关电源中没有LM...

LM358与LM324,LM339相比有什么优势?

LM258是工业级,LM358是商用级,LM258比LM358高了一个挡次,LM258参数比LM358好.一个种类的芯片,性能好的挑出来是258.LM258是工业级,LM358是商用级,LM258比...

LM3581,2引脚相连,7,8引脚相连什么意思?

LM358是低功耗双运算放大器,1,2引脚相连,是将放大电路设计成了跟随器。7脚是输出,8脚是正电源端,7,8引脚相连,一般情况下没有这样设计电路的,会烧坏芯片的...

图中的一个5个引脚的芯片,上面写的是FS06,请问这是什么芯片,...

后面的是电阻。lm358,双运放芯片的话不可能就三字母,拿个放大镜看看,然后百度什么都有了电阻100欧姆,楼主修的是S7-1200?1、单片机没有连接的引脚不需要专...

lm358工作原理-懂得

lm358工作原理是两路输入为模拟信号,输出则为二进制信号0或1,当输入电压的差值增大或减小且正负符号不变时,其输出保持恒定。LM358内部包括有两个独...

lf353和lm353区别?

运放芯片LF353跟LF358的区别:1、性能作用:LF353很多性能作用较好;LM358性能作用较差。2、内部结构:LF353的总体电路设计是比较简洁的,此类拓扑在目前的功...

lm248和526有什么区别?

lm258和lm358是同样的芯片,都是低功耗双运算放大器。lm258是工业级芯片,工作温度范围是-25度到+85度。lm358是商业级芯片,工作温度范围是0度到70度。级不...

 台风蓝色预警  西堤国际小区 
王经理: 180-0000-0000(微信同号)
10086@qq.com
北京海淀区西三旗街道国际大厦08A座
©2026  上海羊羽卓进出口贸易有限公司  版权所有.All Rights Reserved.  |  程序由Z-BlogPHP强力驱动
网站首页
电话咨询
微信号

QQ

在线咨询真诚为您提供专业解答服务

热线

188-0000-0000
专属服务热线

微信

二维码扫一扫微信交流
顶部