芯片供应商
HOME
芯片供应商
正文内容
负电压转换芯片 XC6351芯片:输出负电压的电路方案
发布时间 : 2026-01-26
作者 : 小编
访问数量 : 23
扫码分享至微信

XC6351芯片:输出负电压的电路方案

运算放大器,它的一个应用是可以将微小的信号进行比例放大。只是在使用运算放大器的时候,它的工作电源一般有两种

一种是常规的单直流电压供电,比如+5V和+12V。

另一种是对称的两个电源供电,比如一个电源是+5V,一个电源是-5V;或者一个电源是+12V,一个电源是-12V。

这两种电源,工程师如何选择呢?是选择第一种单电源供电,还是选择双电源供电呢?

如果是选择单电源供电,基本就是相当于确定了运算放大器的输出电压只能为正电压,是不能输出负电压的;

如果想要获得运算放大器输出的负电压,就需要用双电源给它供电了。特别是在负相比例放大电路中,因为输入电压和输出电压是负比例关系,也就是一个是正电压,一个是负电压,类似于这样的功能电路,运放就得需要对称的两个电源供电了。

问题是,负电压的电源到哪里去弄来呢?

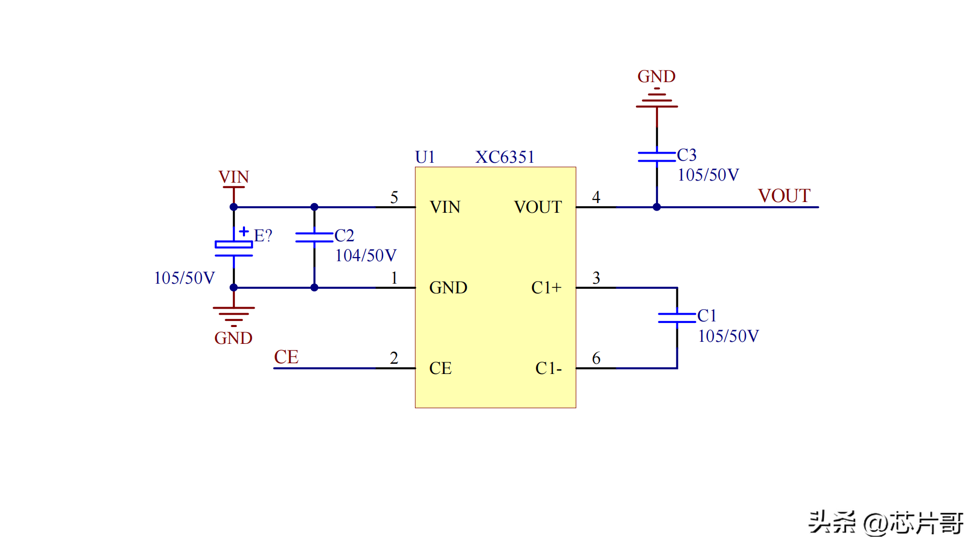
XC6351芯片

XC6351芯片,是一个反向输出电压的电源芯片,输入的电压是多少,经过它转换后,就输出同样大小的一个负电压。

XC6351芯片应用电路

比如在这个电路中,VIN引脚是芯片的电源输入引脚,一般输入的正电压;VOUT引脚就是芯片的电源输出引脚,输出的电压是和输入的电压成反向关系的。

CE引脚是芯片的使能引脚,低电平有效,一般直接接到一个下拉电阻就OK。

举例说明一下

VIN引脚接到+5V电源上,经过这个电路转换后,VOUT引脚输出的电压就是-5V;

VIN引脚接到+3.3V电源上,经过这个电路转换后,VOUT引脚输出的电压就是-3.3V;

按照这个原理,可能有工程师会说,如果想要获得-12V的电压,那岂不是只需要在VIN引脚接上+12V电源就可以了。

是这样的吗?芯片哥可没有举这个例子哦,切勿想当然,哈哈哈哈哈~

想要输出-12V电压,XC6351芯片是满足不了的,这是因为XC6351芯片,它的VIN引脚最大的输入电压也仅仅为+6V,如果输入+12V,显然是超过了+6V的,是不可以的。

在输出负电压的同时,XC6351芯片还能输出50mA的电流,这对于向运算放大器供电,是远远足够的。

不同之处

能输出负电压的芯片,肯定不仅仅只有XC6351芯片能够做到,其他的芯片也是可以,但这个芯片与其他的芯片有什么不同之处呢?

XC6351芯片---特瑞士Torex

首先,XC6351芯片,严格意义上讲,它是不能称之为负电压芯片的,因为它是一个反向器。只是输入的电压如果为正电压,输出的电压就为负电压了。

其次,正因为它是一个反向器,它相比较其他负电压芯片,就能输出一个更大的电流,比如50mA。

再次,就输入输出关系而言,输出的电压在数值上是等于输入的电压,只是多了一个负号而已,它的输出电压不是固定的,是可以随意调节的;而其他的负电压芯片,就很难做到这一点了,最多也就是输出一个-3.3V或者一个-5.0V,但却不能输出一个-1.8V和-1.2V等等。

请持续关注【芯片哥 】,后面会定期更新有关于电子元器件和芯片,包括一些电子产品项目开发案例的相关内容。

LT1173—一款可升压可降压还可输出负电压的芯片

LT1173是一款神奇的IC,其不仅可以工作在升压模式,也可工作在降压 模式,还可以输出负电压(厉害炸了[赞])。LT1173稳压原理不同于PWM电路,它控制的是开关脉冲的数目(即门控振荡技术),当输出电压过高时,内部振荡器停止工作,停止功率变换输出电压就会下降;当输出电压过低时,内部振荡器恢复振荡,开始功率变换,输出电压就会上升。(PWM技术控制的是连续开关脉冲的占空比)。

举栗子

一、LT1173工作在boost (升压)模式

先来说说该电路各部分的作用:

LT1173的SW1为内部开关管的集电极,L4为储能电感,当开关管打开时,电感上有电流流过(此时SW1引脚的电位为开关管的包含压降,故电容C49存有的电荷将通过二极管D2向电容C36充电);当开关管关闭时,电感上产生反向电动势,导致二极管D4导通,向电容C49充电,此时,二极管D1也导通,向电容C37、C38、 C39、 C49、 C40充电、C36放电。

输出滤波电路由L3(抑制高频噪声的磁珠滤波电感)、C32、 R12构成RC滤波器。

整流电路由二极管D1、D2、D4和电容C36、 C37、 C38、C39、C49、C40、C49构成一个三倍压整流电路。

采样电路由电阻R26、R27、 R28构成,将反馈电压送至FB 端口。

二、LT1173工作在buck(降压) 模式

因为LT1173提供了内置开关管的集电极和发射极管脚,故只要对输出电路的电感、二极管、电容设计成降压开关电路即可得到降压效果。

三、LT1173工作在负电压模式

再将LT1173在降压模式的输出电路再做稍微的改动,就又可得到负电压。[赞]

即将Vout、GND进行参考电位平移,即可以得到负电压输出。此时电感L1电流输出端固定在参考地电位上,续流二极管阳极即可得到负电压。

注意:此时LT1173的“GND"端子要同该负电压相连接,保证反馈端FB相对于“GND"端有1.245V的电势差。公式如下

学习在于坚持,知识源于共享[来看我]

欢迎转发关注,一起交流学习。[来看我]

相关问答

什么芯片可以反转输出-15v?

常见的芯片中,一些操作放大器(Op-Amp)和DC-DC转换器可以用来实现反转输出,包括输出负电压(比如-15V)。以下是一些可能用于实现这一功能的芯片类型:1.**...

寻负电压输出的电压芯片LDO?

看了提问者的描述,其是想将4-8V的正电压转为-5V电压,输出电流在200mA左右,要求封装体积小,外围元件少,并且不能使用7905及DC-DC转换IC。可以说,现在生产的...看...

如何得到负电压?

例如RS232接口,就必须用到负电压。-3V~-15V表示1,+3~+15V表示0。这个是当初设计通讯接口时的协议,只能遵守咯。PS:MAX232之类的接口芯片自带电荷泵,可以自...

有什么电路可以实现DC24伏3A正电压转为负电压?

根据提问者的要求,想要将DC24V/3A正电压转换为负电压,怎么实现呢?正电压、负电压是相对的,比如一个独立的24V电源,把负极当参考地,其正极就是+24V电压;若...根...

mc14052参数,应用电路?

mc14052,就是CD4052,是双四选一模拟门电路,主要用于多路模拟信号的切换。常用在AD转换电路的前级,做多路模拟信号的输入切换,也有用在程控放大电路上,做放...

想问一下有什么芯片可以同时采正负电压?

对于12V的直流电压,可以在其正极输出端串联两个二极管(电流要与需要相适应),这样电压降到10V,后面接两个串联的等值电阻,中间接地,输出就是正负5V的了。电...

怎样利用TL431取的负2.5v电压?

如果电路系统是只有正电源的单电源系统该如何取负电源?下面讲一下我的理解,如果有错,还请各位指正:假设系统提供12V电源,那么很容易通过单片机或者5551等芯...

电子电路中负电压起什么作用?

就像水往低处流一样,有一个差,电子才会流动,事实上电学这部分的很多内容都可以拿水做比较。电压又叫电势差,即电路中两点间的电势能的差值。因此的大小...一般...

什么是负电压怎么来的?

负电压是相对于零电位点来说的,当定义了电源正极为零电位时,负极电压就成了负电压,就像海拔高度定义海平面为零海拔,那么在海平面上的就是正海拔,海平面下的...

用什么电路可以将一个负电压变成正电压?

当输入信号Vin>0时,此时由于运放U1的正相端接地,因此运放输出为负电压,二极管截止,此时U1的输出满足Vout1=-Vin(反馈电阻等于输入电阻)。又因为运放U2是一...

 jackandjones  false discovery rate 
王经理: 180-0000-0000(微信同号)
10086@qq.com
北京海淀区西三旗街道国际大厦08A座
©2026  上海羊羽卓进出口贸易有限公司  版权所有.All Rights Reserved.  |  程序由Z-BlogPHP强力驱动
网站首页
电话咨询
微信号

QQ

在线咨询真诚为您提供专业解答服务

热线

188-0000-0000
专属服务热线

微信

二维码扫一扫微信交流
顶部