芯片供应商
HOME
芯片供应商
正文内容
axp芯片 PMIC电源管理芯片应用解析,再不学就out了
发布时间 : 2026-02-14
作者 : 小编
访问数量 : 23
扫码分享至微信

PMIC电源管理芯片应用解析,再不学就out了

之前做项目有用到PMIC,下面讲一下PMIC芯片及其应用。

什么是PMIC

PMIC是power management IC的缩写,中文是

电源管理集成电路 ,主要特点是高集成度,将拥传统的多路输出电源封装在一颗芯片内,使得多电源应用场景高效率更高,体积更小。

在CPU系统中,我们经常用到的PMIC。如机顶盒设计,智能语音音箱设计,大型工控设备设计等。

机顶盒中的PMIC

下面通过芯片AXP152来介绍一下PMIC,这是一颗出自芯智汇的高集成度PMIC,主要应用于数码相机,机顶盒,网络设备,监控设备等产品。

XP152简介

AXP152是一款高度集成的电源管理IC,集成了一个自适应和usb兼容的PWM充电器,四个降压转换器(Buck DC-DC转换器),七个LDO。它还具有保护电路,如过压/欠压保护(OVP/UVP),过温保护,过流保护(OCP),保证电源系统的安全性和稳定性。

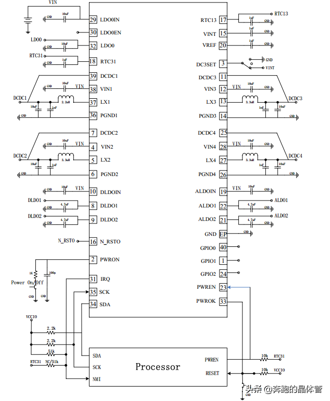
AXP152 的封装是5x5 40-pin QFN封装。如下图。

此外,AXP152还包括一个两线串行接口(TWSI),CPU通过它能够启用/禁用某些功率输出,编程电压以减少功率损耗,从而提供更加完善的电源管理。

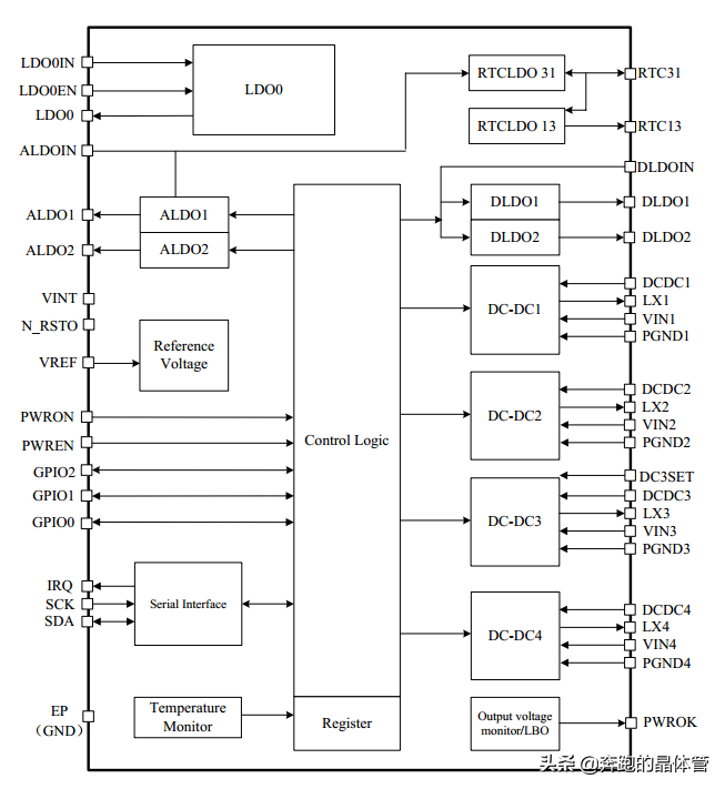
AXP152内部框图

通过上面的结构框图,我们可以看到PMIC内部有个大的逻辑控制单元,所有的DC-DC和大部分LDO受逻辑模块控制,只需要通过配置TWSI接口,更改相应的配置寄存器即可控制DC-DC和LDO的输出,寄存器的配置手册我们可以参考datasheet。

另外AXP152的TWSI接口的SCK/SDA管脚在芯片内部已经都上拉了,所以主设备(CPU)可以通过这个接口灵活监控和配置。

4路DC-DC和7路LDO

下图是4路DC-DC的对比图。

4路DC-DC

可以看到4路DC-DC的输出电压都是可调的,可调区间在0.7到3.5V,能够满足大部分最小系统的供电需求,如CPU供电是3.3V,EMMC供3.3V或者1.8V电,DDR供1.25到1.35V的电。这几组DC-DC都是可以满足的。

DC-DC1和3的调压精度是50mV/step,DC-DC2和4的调压精度是25mV/step,若系统需要较高的电压精度调节,则可以用精度为25mV/step的DC-DC。

下图是7路LDO的对比图。

7组LDO

这7组LDO一般供给系统的外设用,如SRAM或PLL供电,WiFi蓝牙模块供电,控制电路供电,驱动电路供电,传感器供电,外围接口供电等,输出的电压是0.7V-5V之间,使用的时候主要注意输出电流的大小,功耗相对较大的外设若PMIC的LDO不能满足,应该外接DC-DC或者LDO提供供电。

这几组LDO中ALDO1/2和GPIOLDO都是低噪声的LDO,模拟电路供电应该接到这几路低噪声的LDO。

过载和限流保护

所有的DC-DC和LDO支持自监测和限流功能,当负载电流超过驱动能力时,为了保护内部的电路,所有的输出电压将会降低。当DC-DC输出电压低于85%的设定电压时,PMIC将会自动关闭。

典型应用

应用框图

应用中,我们通过CPU的I2C接口连接AXP152的TWSI接口,另外需要给使能信号和复位信号,可以看到,对于每一路DC-DC,使用时只需要看成是分立的DC-DC去配置就行了。

输出电容建议使用10uF X7R的低ESR陶瓷电容,当输出电压高于2.5V时,建议用一个3.3uH的功率电感。另外,选的电感的饱和电流应该比电路最大的需求电流大50%以上。

芯智汇推出平板15W快充解决方案AXP2585,支持USB Type-C

4月16日,X-Powers芯智汇科技在深圳召开《全志2018行业分享会》。据国内知名音频网站我爱音频网现场报道,X-Powers芯智汇在此次分享会上发布了一款15W快充解决方案X-Powers AXP2585。

X-Powers芯智汇最新一代电源管理芯片AXP2585采用先进的NVDC技术窄电压直流电源管理。支持5V/3A 15W快充,充满3000mAh的电池用时不到1小时;支持Type-C cc逻辑和BC1.2协议,可实现正反插、充电器自适应、耳机模式,这也是第一款支持Type-C输入的国产芯片。

另外,X-Powers芯智汇AXP2585还支持OTG功能,可以使用平板反向给手机充电;集成外部MOS、电流检测、环路补偿电路,更加节省BOM成本。

关于芯智汇

深圳芯智汇科技有限公司(X-Powers Technology)成立于2009年,总部设于深圳,并在珠海、西安、香港设有研发中心或办事处。公司汇聚了众多资深模拟器件、SoC设计人员与电源系统应用专家,主要从事高性能模拟芯片设计和系统技术支持服务,是国内领先的电源芯片和模拟器件供应商。

芯智汇目前主要产品包括:电源管理单元、电池管理单元、音频编解码器、接口单芯片方案等。

AXP系列芯片被广泛应用在平板电脑、2合1平板电脑、电视盒子、行车记录仪、运动DV、无线存储设备、智能硬件、手持支付终端、电子书、微型投影仪等产品中,跻身高性能芯片设计的第一阵营,累积了诸多模拟设计技术与专利,为整机产品实现高速低功耗的运行提供了可靠的技术保证的同时,提高了整机方案的综合性价比。

相关问答

axp221s芯片怎么测量好坏?

芯片缩写作IC;或称微电路、微芯片、晶片,芯片在电子学中是一种把电路(主要包括半导体设备,也包括被动组件等)小型化的方式,并时常制造在半导体晶圆表面上...

家用摄像机买哪种好?

买索尼FDR-AXP554K摄像机,传感器是背照式ExmorRCMOS,1/2.5英寸,有效像素829万。可拍4K视频格式为XAVCS4K:3840×2160/25p,24p;高清最高格式为X...

 绫波优  bsmi认证 
王经理: 180-0000-0000(微信同号)
10086@qq.com
北京海淀区西三旗街道国际大厦08A座
©2026  上海羊羽卓进出口贸易有限公司  版权所有.All Rights Reserved.  |  程序由Z-BlogPHP强力驱动
网站首页
电话咨询
微信号

QQ

在线咨询真诚为您提供专业解答服务

热线

188-0000-0000
专属服务热线

微信

二维码扫一扫微信交流
顶部