芯片供应商
HOME
芯片供应商
正文内容
四输入或非门芯片 CD4000系列逻辑电路工作原理及其基本应用-四2输入与非门CD4011
发布时间 : 2026-02-21
作者 : 小编
访问数量 : 23
扫码分享至微信

CD4000系列逻辑电路工作原理及其基本应用-四2输入与非门CD4011

CD4011集成电路简介

CD4011集成电路为常用逻辑电路之一,内部包含了四个2输入与非门。使用对称的N沟道与P沟道MOS组合,具有高抗干扰、功耗低、输入阻抗大、输出驱动能力强等特点。

CD4011集成电路内部结构

CD4011内部连接

上图为CD4011内部连接示意图,其内部包含了四个独立的2输入与非门。

CD4011输入保护电路

内部每个逻辑接入都有由二极管组成的钳位输入保护电路网络,能够有效保护后级逻辑电路。

CD4011逻辑单元

CD4011的每个逻辑单元由四个逻辑门电路组成。

CD4011逻辑单元原理

上图为单个逻辑单元原理,由5对对称的MOS管组成。

CD4011集成电路逻辑功能

CD4011真值表

2输入与非门逻辑关系的真值表如上图所示,其逻辑表达式为:

CD4011集成电路主要参数

CD4011工作电压为3-18V,功耗为500mW,工作温度范围为-55℃-+125℃(CD4011BM)-40℃-+80℃(CD4011BC),其他主要工作参数如以下表格中所示:

CD4011主要电参数

CD4011主要电参数

CD4011主要电参数

CD4011集成电路引脚排序及封装

CD4011为14引脚,其中1、5、8、13引脚为四个与非门输入端A,2、6、9、12引脚为输入端B,3、4、10、11为输出端,7脚为电源负极,14脚为电源正极。

CD4011引脚排序

CD4011主要有两种封装形式,双列直插(DIP)及贴片(SOP)封装,其中贴片封装还有窄脚距的SSOP封装。

CD4011双列直插封装

CD4011双列直插尺寸图

CD4011贴片封装

CD4011贴片封装尺寸

CD4011集成电路基本应用电路

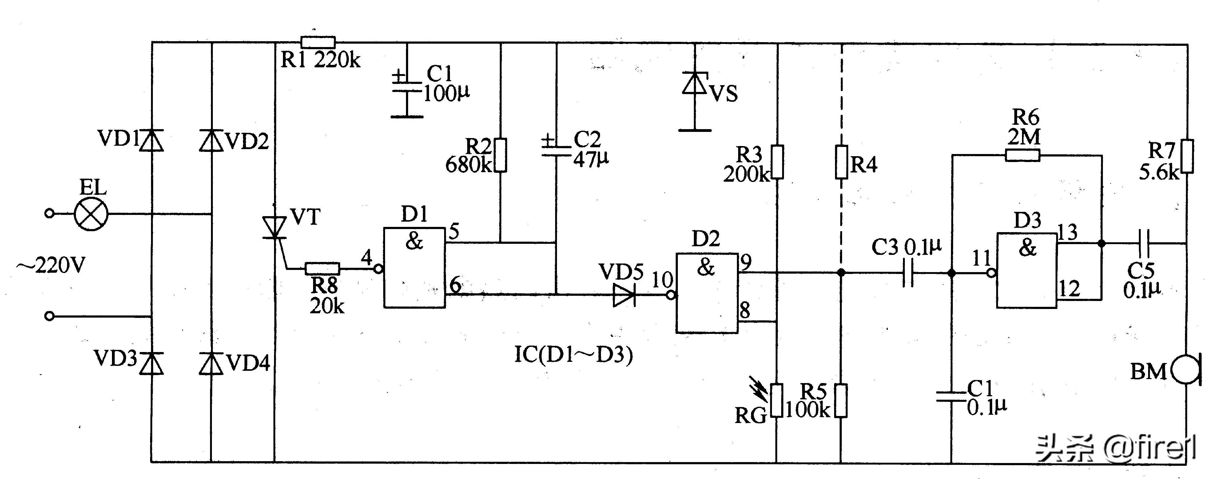
CD4011构成的声光双控灯

上图是CD4011集成电路构成的声光双控灯电路,这种电路在楼道的声光控灯里比较常见,其中D1D2D3为CD4011中三个逻辑门单元。

其工作原理为:本电路主要由逻辑门D3构成的话筒放大电路,D2构成的光控电路,D3构成的延时电路以及可控硅构成的开关电路等组成。当白天光线足够时,光敏电阻阻值低,此时逻辑门D2的输出端始终为高电平1,其状态不受另一个引脚高低电平的影响,故此时话筒信号无效;D1的两个输入端相连,其逻辑关系由与非门变成非门,即“反相器”,当输入端为高电平时,输出为低电平,可控硅得不到触发电压而截止;

当黑天时,由于光敏电阻得不到光线阻值变大,此时逻辑门D2的输出状态由逻辑门D3控制,D3及外围元件组成了驻极体话筒放大电路,当有声音进入话筒时D3输出高电平,经过D2后变为低电平,此信号经过二极管VD5后输入D1,经过D1反相后使单向可控硅门极得到触发电压而导通,此时灯被点亮;

220V的交流电经过四个二极管组成的整流电路整流后,输出的为脉动直流电,所以可控硅没有自锁的作用,当话筒信号消失时,可控硅的门极没有了触发电压就会变为截止状态;但由于D1的输入端有电容C2,话筒的输入信号经放大后会向电容充电,D1的输出状态不会立即翻转,当话筒无信号时,电容C2向电阻R2放电,D1的输出就会慢慢变为低电平,灯延时熄灭。

电阻R1电容C1以及稳压二极管VS组成了降压稳压电路,为电路提供工作电源;电阻R7为驻极体话筒提供偏置电压,电容C3及C5起到隔直流的左右,只有脉动直流才会通过。调节电阻R3的阻值可以改变光控的灵敏度;调整R2和C2的值,可以改变延时时间。

你真的了解74系列集成电路吗?让我帮你总结一下

74系列集成电路大致可分为6大类:

74××(标准型)74LS××(低功耗肖特基)74S××(肖特基)74ALS××(先进低功耗肖特基)74AS××(先进肖特基)74F××(高速)

HC为COMS工作电平;HCT为TTL工作电平,可与74LS系列互换使用

HCU适用于无缓冲级的CMOS电路。

这9种74系列产品,只要后边的标号相同,其逻辑功能和管脚排列就相同。根据不同的条件和要求可选择不同类型的74系列产品,比如电路的供电电压为3V就应选择74HC系列的产品。

补充:

1.74 – 系列这是早期的产品,现仍在使用,但正逐渐被淘汰。

2.74H – 系列这是74 – 系列的改进型,属于高速TTL产品。其"与非门"的平均传输时间达10ns左右,但电路的静态功耗较大,目前该系列产品使用越来越少,逐渐被淘汰。

3.74S – 系列这是TTL的高速型肖特基系列。在该系列中,采用了抗饱和肖特基二极管,速度较高,但品种较少。

4.74LS – 系列这是当前TTL类型中的主要产品系列。品种和生产厂家都非常多。性能价格比比较高,目前在中小规模电路中应用非常普遍。

5.74ALS – 系列这是"先进的低功耗肖特基"系列。属于74LS – 系列的后继产品,速度(典型值为4ns)、功耗(典型值为1mW)等方面都有较大的改进,但价格比较高。

6.74AS – 系列这是74S – 系列的后继产品,尤其速度(典型值为1.5ns)有显著的提高,又称"先进超高速肖特基"系列。

7.74HC – 系列54/74HC – 系列是高速CMOS标准逻辑电路系列,具有与74LS – 系列同等的工作度和CMOS集成电路固有的低功耗及电源电压范围宽等特点。74HCxxx是74LSxxx同序号的翻版,型号最后几位数字相同,表示电路的逻辑功能、管脚排列完全兼容,为用74HC替代74LS提供了方便。74AC – 系列该系列又称"先进的CMOS集成电路",54/74AC 系列具有与74AS系列等同的工作速度和与CMOS集成电路固有的低功耗及电源电压范围宽等特点。

74系列集成电路的分类及区别

ACT 高性能CMOS逻辑门系列(输入TTL兼容 具缓冲功能)AC 高性能CMOS逻辑门系列(具缓冲功能)ALS 高性能低功耗逻辑门系列(TTL兼容 具缓冲功能)AS 高性能逻辑门系列(TTL兼容 具缓冲功能)C CMOS逻辑门系列FCT 高速CMOS逻辑门系列FCT 高速逻辑门系列(TTL兼容)HC-4XX 高速COMS逻辑门系列(TTL兼容)HCT-4XX 高速COMS逻辑门系列(TTL兼容)HCT 高速COMS逻辑门系列(TTL兼容)HC 采用CMOS接口器的逻辑门系列LS 低功耗逻辑门系列(TTL兼容)S 高速逻辑门系列(TTL兼容)VHCT (TTL兼容 有TTL接口器)

74系列芯片功能大全

7400 TTL 2输入端四与非门7401 TTL 集电极开路2输入端四与非门7402 TTL 2输入端四或非门7403 TTL 集电极开路2输入端四与非门7404 TTL 六反相器7405 TTL 集电极开路六反相器7406 TTL 集电极开路六反相高压驱动器7407 TTL 集电极开路六正相高压驱动器7408 TTL 2输入端四与门7409 TTL 集电极开路2输入端四与门7410 TTL 3输入端3与非门7411 TTL 3输入端3与门7412 TTL 开路输出3输入端三与非门7413 TTL 4输入端双与非施密特触发器7414 TTL 六反相施密特触发器7415 TTL 开路输出3输入端三与门7416 TTL 开路输出六反相缓冲/驱动器7417 TTL 开路输出六同相缓冲/驱动器7420 TTL 4输入端双与非门7421 TTL 4输入端双与门7422 TTL 开路输出4输入端双与非门7427 TTL 3输入端三或非门7428 TTL 2输入端四或非门缓冲器7430 TTL 8输入端与非门7432 TTL 2输入端四或门7433 TTL 开路输出2输入端四或非缓冲器7437 TTL 开路输出2输入端四与非缓冲器7438 TTL 开路输出2输入端四与非缓冲器7439 TTL 开路输出2输入端四与非缓冲器7440 TTL 4输入端双与非缓冲器7442 TTL BCD—十进制代码转换器7445 TTL BCD—十进制代码转换/驱动器7446 TTL BCD—7段低有效译码/驱动器7447 TTL BCD—7段高有效译码/驱动器7448 TTL BCD—7段译码器/内部上拉输出驱动7450 TTL 2-3/2-2输入端双与或非门7451 TTL 2-3/2-2输入端双与或非门7454 TTL 四路输入与或非门7455 TTL 4输入端二路输入与或非门7473 TTL 带清除负触发双J-K触发器7474 TTL 带置位复位正触发双D触发器7476 TTL 带预置清除双J-K触发器7483 TTL 四位二进制快速进位全加器7485 TTL 四位数字比较器7486 TTL 2输入端四异或门7490 TTL 可二/五分频十进制计数器7493 TTL 可二/八分频二进制计数器7495 TTL 四位并行输入\输出移位寄存器7497 TTL 6位同步二进制乘法器74107 TTL 带清除主从双J-K触发器74109 TTL 带预置清除正触发双J-K触发器74112 TTL 带预置清除负触发双J-K触发器74121 TTL 单稳态多谐振荡器74122 TTL 可再触发单稳态多谐振荡器74123 TTL 双可再触发单稳态多谐振荡器74125 TTL 三态输出高有效四总线缓冲门74126 TTL 三态输出低有效四总线缓冲门74132 TTL 2输入端四与非施密特触发器74133 TTL 13输入端与非门74136 TTL 四异或门74138 TTL 3-8线译码器/复工器74139 TTL 双2-4线译码器/复工器74145 TTL BCD—十进制译码/驱动器74150 TTL 16选1数据选择/多路开关74151 TTL 8选1数据选择器74153 TTL 双4选1数据选择器74154 TTL 4线—16线译码器74155 TTL 图腾柱输出译码器/分配器74156 TTL 开路输出译码器/分配器74157 TTL 同相输出四2选1数据选择器74158 TTL 反相输出四2选1数据选择器74160 TTL 可预置BCD异步清除计数器74161 TTL 可予制四位二进制异步清除计数器74162 TTL 可预置BCD同步清除计数器74163 TTL 可予制四位二进制同步清除计数器74164 TTL 八位串行入/并行输出移位寄存器74165 TTL 八位并行入/串行输出移位寄存器74166 TTL 八位并入/串出移位寄存器74169 TTL 二进制四位加/减同步计数器74170 TTL 开路输出4×4寄存器堆74173 TTL 三态输出四位D型寄存器74174 TTL 带公共时钟和复位六D触发器74175 TTL 带公共时钟和复位四D触发器74180 TTL 9位奇数/偶数发生器/校验器74181 TTL 算术逻辑单元/函数发生器74185 TTL 二进制—BCD代码转换器74190 TTL BCD同步加/减计数器74191 TTL 二进制同步可逆计数器74192 TTL 可预置BCD双时钟可逆计数器74193 TTL 可预置四位二进制双时钟可逆计数器74194 TTL 四位双向通用移位寄存器74195 TTL 四位并行通道移位寄存器74196 TTL 十进制/二-十进制可预置计数锁存器74197 TTL 二进制可预置锁存器/计数器74221 TTL 双/单稳态多谐振荡器74240 TTL 八反相三态缓冲器/线驱动器74241 TTL 八同相三态缓冲器/线驱动器74243 TTL 四同相三态总线收发器74244 TTL 八同相三态缓冲器/线驱动器74245 TTL 八同相三态总线收发器74247 TTL BCD—7段15V输出译码/驱动器74248 TTL BCD—7段译码/升压输出驱动器74249 TTL BCD—7段译码/开路输出驱动器74251 TTL 三态输出8选1数据选择器/复工器74253 TTL 三态输出双4选1数据选择器/复工器74256 TTL 双四位可寻址锁存器74257 TTL 三态原码四2选1数据选择器/复工器74258 TTL 三态反码四2选1数据选择器/复工器74259 TTL 八位可寻址锁存器/3-8线译码器74260 TTL 5输入端双或非门74266 TTL 2输入端四异或非门74273 TTL 带公共时钟复位八D触发器74279 TTL 四图腾柱输出S-R锁存器74283 TTL 4位二进制全加器74290 TTL 二/五分频十进制计数器74293 TTL 二/八分频四位二进制计数器74295 TTL 四位双向通用移位寄存器74298 TTL 四2输入多路带存贮开关74299 TTL 三态输出八位通用移位寄存器74322 TTL 带符号扩展端八位移位寄存器74323 TTL 三态输出八位双向移位/存贮寄存器74347 TTL BCD—7段译码器/驱动器74352 TTL 双4选1数据选择器/复工器74353 TTL 三态输出双4选1数据选择器/复工器74365 TTL 门使能输入三态输出六同相线驱动器74366 TTL 门使能输入三态输出六反相线驱动器74367 TTL 4/2线使能输入三态六同相线驱动器74368 TTL 4/2线使能输入三态六反相线驱动器74373 TTL 三态同相八D锁存器74374 TTL 三态反相八D锁存器74375 TTL 4位双稳态锁存器74377 TTL 单边输出公共使能八D锁存器74378 TTL 单边输出公共使能六D锁存器74379 TTL 双边输出公共使能四D锁存器74380 TTL 多功能八进制寄存器74390 TTL 双十进制计数器74393 TTL 双四位二进制计数器74447 TTL BCD—7段译码器/驱动器74450 TTL 16:1多路转接复用器多工器74451 TTL 双8:1多路转接复用器多工器74453 TTL 四4:1多路转接复用器多工器74460 TTL 十位比较器74461 TTL 八进制计数器74465 TTL 三态同相2与使能端八总线缓冲器74466 TTL 三态反相2与使能八总线缓冲器74467 TTL 三态同相2使能端八总线缓冲器74468 TTL 三态反相2使能端八总线缓冲器74469 TTL 八位双向计数器74490 TTL 双十进制计数器7449174498 TTL 八进制移位寄存器74502 TTL 八位逐次逼近寄存器74503 TTL 八位逐次逼近寄存器74533 TTL 三态反相八D锁存器74534 TTL 三态反相八D锁存器74540 TTL 八位三态反相输出总线缓冲器74563 TTL 八位三态反相输出触发器74564 TTL 八位三态反相输出D触发器74573 TTL 八位三态输出触发器74574 TTL 八位三态输出D触发器74645 TTL 三态输出八同相总线传送接收器74670 TTL 三态输出4×4寄存器堆

常用74系列标准数字电路的中文名称资料常用

器件代号 器件名称

00 四2输入端与非门

01 四2输入端与非门(OC)

02 四2输入端或非门

03 四2输入端与非门(OC)

04 六反相器

05 六反相器(OC)

06 六高压输出反相器(OC,30V)

07 六高压输出缓冲,驱动器(OC,30V)

08 四2输入端与门09 四2输入端与门(OC)

10 三3输入端与非门

11 三3输入端与门

12 三3输入端与非门(OC)

13 双4输入端与非门

14 六反相器

15 三3输入端与门 (OC)

16 六高压输出反相器(OC,15V)

17 六高压输出缓冲,驱动器(OC,15V)

20 双4输入端与非门

21 双4输入端与门

22 双4输入端与非门(OC)

25 双4输入端或非门(有选通端)

26 四2输入端高压输出与非缓冲器

27 三3输入端或非门

28 四2输入端或非缓冲器

30 8输入端与非门

32 四2输入端或门

33 四2输入端或非缓冲器(OC)

37 四2输入端与非缓冲器

38 四2输入端与非缓冲器(OC)

40 双4输入端与非缓冲器

42 4线-10线译码器(BCD输入)

43 4线-10线译码器(余3码输入)

44 4线-10线译码器(余3葛莱码输入)

48 4线-7段译码器

49 4线-7段译码器

50 双2路2-2输入与或非门

51 2路3-3输入,2路2-2输入与或非门

52 4路2-3-2-2输入与或门

53 4路2-2-2-2输入与或非门

54 4路2-3-3-2输入与或非门

55 2路4-4输入与或非门

60 双4输入与扩展器

61 三3输入与扩展器

62 4路2-3-3-2输入与或扩展器

64 4路4-2-3-2输入与或非门

65 4路4-2-3-2输入与或非门(OC)

70 与门输入J-K触发器

71 与或门输入J-K触发器

72 与门输入J-K触发器

74 双上升沿D型触发器

78 双D型触发器

85 四位数值比较器

86 四2输入端异或门

87 4位二进制原码/反码

95 4位移位寄存器

101 与或门输入J-K触发器

102 与门输入J-K触发器

107 双主-从J-K触发器

108 双主-从J-K触发器

109 双主-从J-K触发器

110 与门输入J-K触发器

111 双主-从J-K触发器

112 双下降沿J-K触发器

113 双下降沿J-K触发器

114 双下降沿J-K触发器

116 双4位锁存器

120 双脉冲同步驱动器

121 单稳态触发器

122 可重触发单稳态触发器

123 可重触发双稳态触发器

125 四总线缓冲器

126 四总线缓冲器

128 四2输入端或非线驱动器

132 四2输入端与非门

相关问答

【用3线—8线译码器(74LS138芯片).四输入与非门...

[最佳回答]电路如下:改变任一开关的状态,都能控制改变灯的状态(亮或灭).

74ls00d是什么集成电路?

74ls00d是常用的2输入四与非门集成电路。集成电路是一种微型电子器件或部件。采用一定的工艺,把一个电路中所需的晶体管、电阻、电容和电感等元件及布线互连...

74ls04是什么逻辑门?

74LS04是74系列逻辑门的简称,它是一种四输入NAND门集成电路。该IC采用TTL技术,具有高速和低功耗特性。它具有4个逻辑输入端(A、B、C和D)和1个逻辑输出端(Y)...

pt2314是什么芯片?

PT2314是一个使用CMOS制程技术的四输入位数音质处理芯片。通道输入音频处理器pt2314概述PT2314是一款采用CMOS技术的四通道输入数字音频处理器。音量,低...

4511芯片可以用哪些芯片代替?

CD4511S是BCD-7段锁存译码驱动器可以用74LS47代替。CD4011是2输入端4与非门可以用74C00替代,但是引脚功能排列有所不同。注意一点74LS系列集成电路必须是5V供...

8输入1输出的与门逻辑芯片是什么?74系列4000系列都行?

8输入1输出的与门逻辑芯片:74LS系列,74LS30是8输入与非门,输出端加一个非门就变成与门了。4000系列,CD4068,是8输入的与门/与非门,有两个输出端,一个是...8...

非门芯片工作原理?

它是由三极管构成的。当输入端A为低电位时通过R1、R2电阻分压的结果,在基极产生一个正电位,使三极管截止,这时B点输出负电位。反之,当输入端A为高电位时,分...

hc00芯片的好坏测量?

hc00芯片是2输入端四与非门电路。要测它的好坏,可检查它的逻辑功能。先查第一组与非门,它的1,2,3脚分別是A,B,Y。先将A与B都置高电平,则Y为低电平,将A或B...h...

与门芯片原理?

工作原理:当T1发射极中有任一输入为0时,Y端输出为1;当T1发射极输入全1时,Y端输出为0。实现了与非门的功能。在使用TTL电路时要注意输入端悬空问题。当T1发射极...

74LS20属于哪种类型的集成电路?_作业帮

[回答]74LS20是TTL电平的二——4输入与非门.每一片74LS74上有两路4个输入端的与非门.

 棋后诸宸  战场原荡漾 
王经理: 180-0000-0000(微信同号)
10086@qq.com
北京海淀区西三旗街道国际大厦08A座
©2026  上海羊羽卓进出口贸易有限公司  版权所有.All Rights Reserved.  |  程序由Z-BlogPHP强力驱动
网站首页
电话咨询
微信号

QQ

在线咨询真诚为您提供专业解答服务

热线

188-0000-0000
专属服务热线

微信

二维码扫一扫微信交流
顶部