芯片供应商
HOME
芯片供应商
正文内容
74ls138芯片的功能 74HC138DSN74HC138DRAIP74HC138最新中文资料
发布时间 : 2026-03-24
作者 : 小编
访问数量 : 23
扫码分享至微信

74HC138DSN74HC138DRAIP74HC138最新中文资料

提供74HC138D/SN74HC138DR/AIP74HC138中文资料_价格_PDF数据手册_引脚图及功能

产品描述

74HC138D/SN74HC138DR/AIP74HC138 将 3 个二进制加权地址输入(A0,A1 和 A2)解码为 8 个互斥输出(Y¯0~Y¯7)。该器件具有 3 个使能输入(E¯1,E¯2和E3)。除非E¯1 和E¯2 为低电平且 E3 为高电平,否则每个输出都为高电平。该多重使能功能允许简单的并行扩展至 32 选 1(5-32)解码器,只需要一个反相器和4个AiP74HC/HCT138 IC。AiP74HC/HCT138 可以通过将有效的低电平使能输入之一用作数据输入并将其余的使能输入用作频闪来作为一个 8 路输出解复用器。输入内置钳位二极管。这样就可以使用限流电阻将输入接口连接到超过 VCC的电压。

其主要特点如下:

● 输入电平:

AiP74HC138: CMOS 电平

AiP74HCT138: TTL 电平

● 解复用能力

● 支持多输入,便于扩展

● 理想的存储器芯片选择解码

● 低电平有效互斥输出

● 工作环境温度范围: -40℃~+105℃

● 封装形式: DIP16/SOP16/TSSOP16

基础参数

类型:解码器/多路解器

输入线路数量: 3

输出线路数量: 8

供电电压:2V~6V

静态电流(最大值): 8uA

不同 V,最大 CL 时的最大传播延迟: 26ns@6V,50pF

低电平输出电流(IOL):5.2mA

高电平输出电流(IOH):5.2mA

逻辑电平-高: 1.5V~4.2V

逻辑电平-低: 0.5V~1.8V

供电电源:单电源

工作温度:-40℃~+105℃

尺寸最大值

交流参数

功能框图

逻辑符号

功能框图

逻辑框图

引脚图及功能

应用

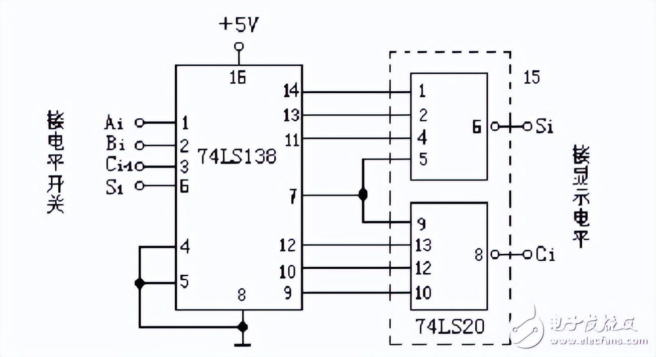
如何用74HC138译码器设计一个全加器

全加器有3个输入信号,有两个输出信号,因此可选74HC138和两个与非门来实现。

讲A1连A2、B1连A1、C1连A0,则Si、Ci变为:

由此可画出所涉及的全家器电路

上图中所使用的74LS138和74HC138两者功能一样,74HC138采用高速CMOS工艺制作,自身功耗低,输出高低电平范围宽。74LS138采用早期的双极型工艺,驱动能力相对较大些。

参考报价

深圳市灵星芯微电子科技有限公司 以低本高质的服务精神屹立于电子行业20多年

实例分析译码器电路

3-8译码器

二进制译码器有n个输入端(即n位二进制码),2n个输出线,其功能是将输入的二进制代码译成相应的状态信息,常见的二进制译码器有2-4译码器、3-8译码器和4-16译码器。本小节以3-8译码器为例说明设计过程。3-8译码器有3位输入,8位输出。其功能见表5-1。

(1)用if……else语句描述3-8译码器

【例5-1】用if……else语句描述3-8译码器逻辑功能。

从图5-1仿真波形可以看到,8个输出信号按照A2、A1、A0组合的不同,分别产生低电平的有效信号。

图5-1 3-8译码器仿真波形

(2)用case语句描述3-8译码器

【例5-2】用case语句描述3-8译码器逻辑功能。

(3)用Verilog HDL实现3-8译码器芯片74LS138的逻辑功能

74LS138的电路符号及功能表如图5-2所示。

图5-2 3-8译码器符号及功能表

【例5-3】3-8译码器芯片74LS138。

在本例中,使用了if和case两种语句完成程序设计。在复杂的数字电路设计中,经常会用到这种设计方式。

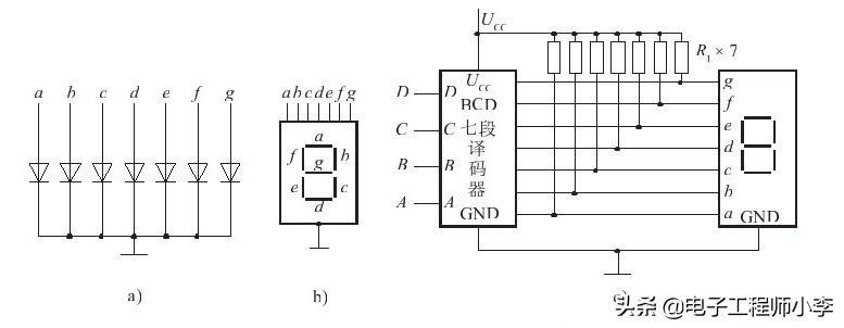
七段译码器

七段译码器是对4位二进制数进行译码,从而使七段数码管上显示相应十进制数的译码电路。数码管有共阴阳极之分,所以相应的译码电路也不同。图5-3为共阴极数码管的结构图及译码器与数码管的接线。表5-2列出了共阴极译码电路的真值表。

图5-3 译码电路及数码管的结构及接线图

【例5-4】七段译码器。

相关问答

【用3线—8线译码器(74LS138芯片).四输入与非门实现"三个开...

[最佳回答]电路如下:改变任一开关的状态,都能控制改变灯的状态(亮或灭).

74LS138全加器的优点?

因为74LS138有相应的对接口,所以对接好就相当于4线译码器了。好处是能节约很多钱。74LS138是常见的芯片因而价格比较便宜。一个74LS154一般来说比两个74LS138...

74ls149芯片功能介绍?

74Is149芯片是8线一8线优先编码器,该编码器采用3.5微米硅P一阱CMOS制造,它具有CMOS电路典型的高噪声容限和低功耗的特点,其速度和输出驱动能力与LSTTL。该编...

74LS138中各个字母、数字分别是什么意思?_作业帮

[最佳回答]74LS138为3线-8线译码器,74L138只是它的型号而已,没什么特殊含义,只是个代号而已它共有54/74S138和54/74LS138两种线路结构型式.其工作原理...

74ls138控制端有什么用?

就是38译码器,是TTL系列的,也就是74系列,有三个输入端A0,A1,A2,其中A2是高位,输出是八个低电平输出Y0~Y7,工作电压一般的5V就可以了,举个例子,你A0,A1...就...

74hc138d是什么芯片?

高速CMOS芯片。74hc138d是一款高速CMOS芯片,74hc138引脚兼容低功耗肖特基TTL(LSTTL)系列。74HC138译码器可接受3位二进制加权地址输入(A0,A1和A2),并当使.....

74LS138译码器的表达式及其功能?

F=A'B'C'+ABC=A⊙B⊙C电路功能:A、B、C相同,F输出为1。三八译码器是输出低电平有效,与非门在这里就是低电平的或非门。⊙是同或...

74ls138可以用什么芯片代替?

74LS138是一款常用的光耦合器,可以将输入端和输出端隔离,以实现光隔离保护。如果需要用其他芯片代替74LS138,可以考虑使用光耦合器芯片,如74HC4517、74HC4...

74LS138译码器不是有3个输入端,8个输出端吗?那8个输出端的...

[最佳回答]译码器的作用是输入三个信号,共有八种状态,分别对应八个输出端的一个信号,相当于输出端有八个水管,分别有八个水龙头,三根输入线的不同状态决定了开...

74LS1383-8译码器怎么构成5-32线译码器怎么连接法,求电路...

要实现5-32线译码器电路图的话,首先要准备三个74LS138模块,并且它们之间通过Y...完成后你将得到一个多路复用的功能强大的译码器结构74LS138是个3-8线译码器...

 奥地利总理  封峰 
王经理: 180-0000-0000(微信同号)
10086@qq.com
北京海淀区西三旗街道国际大厦08A座
©2026  上海羊羽卓进出口贸易有限公司  版权所有.All Rights Reserved.  |  程序由Z-BlogPHP强力驱动
网站首页
电话咨询
微信号

QQ

在线咨询真诚为您提供专业解答服务

热线

188-0000-0000
专属服务热线

微信

二维码扫一扫微信交流
顶部