电子展会
HOME
电子展会
正文内容
dir芯片 电力行业必看!国产评估板-全志科技T3,最全的开箱测评
发布时间 : 2026-02-06
作者 : 小编
访问数量 : 23
扫码分享至微信

电力行业必看!国产评估板-全志科技T3,最全的开箱测评

本期我们来开箱测评创龙科技(Tronlong)的首款国产ARM评估板——TLT3-EVM评估板,它基于全志科技T3处理器设计,究竟性能如何?下面,我们一起看看详情!目录1 开箱2 评估板介绍3 接口测试4 Docker容器测试5 ARM + FPGA通信测试

1、开箱 评估板采用底板+邮票孔核心板方式,配套:(1) 5个资料光盘。内含测试评估板需要的开发资料,包含核心板引脚定义、可编辑底板原理图、可编辑底板PCB、芯片Datasheet、系统固化镜像、内核驱动源码、文件系统源码等,以及丰富的Demo程序、操作手册;(2) 1个配件盒子。包含电源、SD卡、读卡器、网线、VGA线、2.4G天线等。

2、评估板介绍 评估板基于全志科技T3处理器设计,四核Cortex-A7 ARM架构,主频1.2GHz。

核心板采用100%国产方案,DDR、eMMC、晶振、电源等均采用国产芯片!

核心板符合工业级标准,经过高低温测试验证(-40℃~+85℃)。

核心板经过3000次启动测试,稳定可靠,满足各种工业应用环境。

3、接口测试 评估板已赠送SD系统启动卡,仅需正常上电即可启动评估板。备注:由于篇幅有限,本文仅提供部分接口测试数据。如需所有接口测试数据,请点击链接或微信扫码获取产品详细资料。http://site.tronlong.com/pfdownload

(1) DDR读写测试 评估板采用紫光国芯和江波龙的国产DDR,读写速率分别为1231.04MB/s、627.9MB/s。读速度测试:Target# bw_mem 100M rd写速度测试:Target# bw_mem 100M wr

(2) eMMC读写测试 评估板采用康盈和江波龙的国产eMMC。执行如下命令对eMMC设备进行写速度测试。Target# echo 3 > /proc/sys/vm/drop_cachesTarget# mkdir -p /run/media/mmcblk0p7Target# mount /dev/mmcblk0p7 /run/media/mmcblk0p7Target# time dd if=/dev/zero of=/run/media/mmcblk0p7/test bs=1024K count=500执行如下命令对eMMC设备进行读速度测试。Target# echo 3 > /proc/sys/vm/drop_cachesTarget# time dd if=/run/media/mmcblk0p7/test of=/dev/null bs=1024K

读写速率如下:

(3) CAN通信测试 评估板采用芯力特国产SPI转CAN芯片实现CAN功能。

发送测试执行如下命令,接收PC端发送的数据。Target# candump can0

在PC端打开ECANTools软件,选择设备类型,然后点击“打开设备”。

等待软件检测到设备后,点击“确定”进入软件操作界面,如下图所示。

在如下数据发送界面中,点击“发送”开始发送数据。

依次向接收端发送两组数据,在ECAN Tools及串口调试终端可看到数据,如下图所示。

接收测试 评估板文件系统执行如下命令,发送数据至ECANTools软件,ECANTools软件收到数据说明功能正常。Target# cansend can0 123#1122334455667788

(4) 网口通信测试 评估板配备1个千兆网口和1个百兆网口,采用裕太车通国产PHY,使用Iperf工具测试TCP带宽,分别为644MB/s、93MB/s。

(5) SATA读写测试 评估板配备SATA硬盘接口,120G固态硬盘读写速率分别为163.42MB/s、32.99MB/s。

执行如下命令,测试SATA盘写速度。Target# echo 3 > /proc/sys/vm/drop_cachesTarget# time dd if=/dev/zero of=/mnt/usb/sda1/test bs=1024K count=1000执行如下命令,测试SATA盘读速度。Target# echo 3 > /proc/sys/vm/drop_cachesTarget# time dd if=/mnt/usb/sda1/test of=/dev/null bs=1024K

(6) LVDS显示屏测试 LVDS显示屏和评估板接口连接。

执行设置命令,重启后即可看到Qt界面。

4、Docker容器测试 下面我们来演示如何快速部署电力能源神器-Docker容器。(备注:本文仅包含主要步骤,详细操作请点击下方图片,查看推文↓↓)

(1)Ubuntu安装Docker Host# sudo apt-get updateHost# sudo apt-get install docker-ce

(2)搭建本地镜像仓库 Host# mkdir -p /home/tronlong/docker/myregistryHost# sudo docker run -d -p 5000:5000 -v /home/tronlong/docker/myregistry:/var/lib/registry registry:2

(3)构建镜像 新建Dockerfile文件。Host# cd /home/tronlong/docker/dockerfileHost# gedit Dockerfile

构建镜像。Host# sudo docker build -t 192.168.0.40:5000/led_flash:v1.0 .//注意命令最后含有"."Host# sudo docker images//查看已构建的镜像

请执行如下命令,将镜像推送至本地仓库Registry。Host# sudo docker push 192.168.0.40:5000/led_flash:v1.0

执行如下命令,重新启动Docker、Registry容器(通过指定ID),并重新推送镜像至本地Registry。Host# sudo /etc/init.d/docker restartHost# sudo docker ps -aHost# sudo docker start b898d3391bb9//以查询得到的CONTAINER ID号为准Host# sudo docker push 192.168.0.40:5000/led_flash:v1.0

通过浏览器访问"http://192.168.0.40:5000/v2/_catalog",即可看到当前仓库里已有的镜像。

(4)下载镜像并运行容器 评估板创建容器并启动容器,耗时约1min,容器启动后评估板2个LED灯同时闪烁,停止容器后LED灯不再闪烁,Docker测试完成。

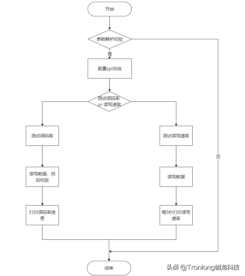
5、ARM + FPGA通信测试 本次给大家演示T3与Spartan-6 FPGA处理器之间的SPI通信测试。案例功能: (1)FPGA端程序实现SPI Slave功能,具体如下:a.FPGA将SPI Master发送的2KByte数据保存到BRAM。b.SPI Master发起读数据时,FPGA从BRAM读取2KByte通过SPI总线传输给SPI Master。(2)ARM实现SPI Master功能,支持误码率测试和速率测试两种模式,具体如下:a.误码率测试:ARM通过SPI总线写入2KByte随机数到FPGA BRAM,然后读出数据、进行数据校验,同时打印SPI总线读写速率和误码率。b.读写速率测试:ARM通过向FPGA发送4KByte随机数,并读取回来。根据命令行传入的参数循环多次,仅测试读写速率,不进行数据检验。每隔5秒钟程序将会打印一次读写平均速率。

由于评估底板拓展接口未预留SPI总线引脚,因此需在T3与FPGA之间进行飞线。

连接完成后,演示T3对FPGA BRAM的读写测试。读写功能测试。 执行如下命令运行程序,ARM通过SPI总线写入2KByte随机数到FPGA BRAM,然后读出数据、进行数据校验,同时打印SPI总线读写速率和误码率,如下图所示。Target# ./spi_rw -d /dev/spidev0.0 -s 5000000 -OH -S 20484

读写性能测试。 执行如下命令运行程序,ARM通过向FPGA发送4096Byte随机数据,并从FPGA读取回来,循环50000次,测试SPI总线读写速率,不进行数据检验。串口终端每隔5秒钟会打印一次读写平均速率,如下图所示。Target# ./spi_rw -d /dev/spidev0.0 -s 80000000 -OH -S 4096 -c 50000

根据官方数据手册(如下图),SPI总线通信时钟频率理论值最大为100MHz。但由于当前驱动程序原因,最高可设置为80MHz。本次测试指定SPI总线通信时钟频率为80MHz,则理论速率为:(80000000/1024/1024/8)MB/s≈9.54MB/s。从上图可知,每隔5秒钟程序将会打印一次读写平均速率,以最后一次打印的平均速率为例,读写速率为:(38790.8/1024/8)MB/s≈4.74MB/s。

同时测得进行SPI读写速率测试时,CPU的占用率约为8%,如下图所示。

本次对于创龙科技T3评估板的部分功能测评就进行到这里。评估板还板载了WIFI模块、蓝牙模块,并可适配移远EC20 4G模块,同时我们还将提供更多的开发案例,例如翼辉国产操作系统演示案例、Igh EtherCAT主站开发案例,供您在实际开发应用中参考。

拒绝吃独食,电机驱动H桥知识大分享,赶紧get√√

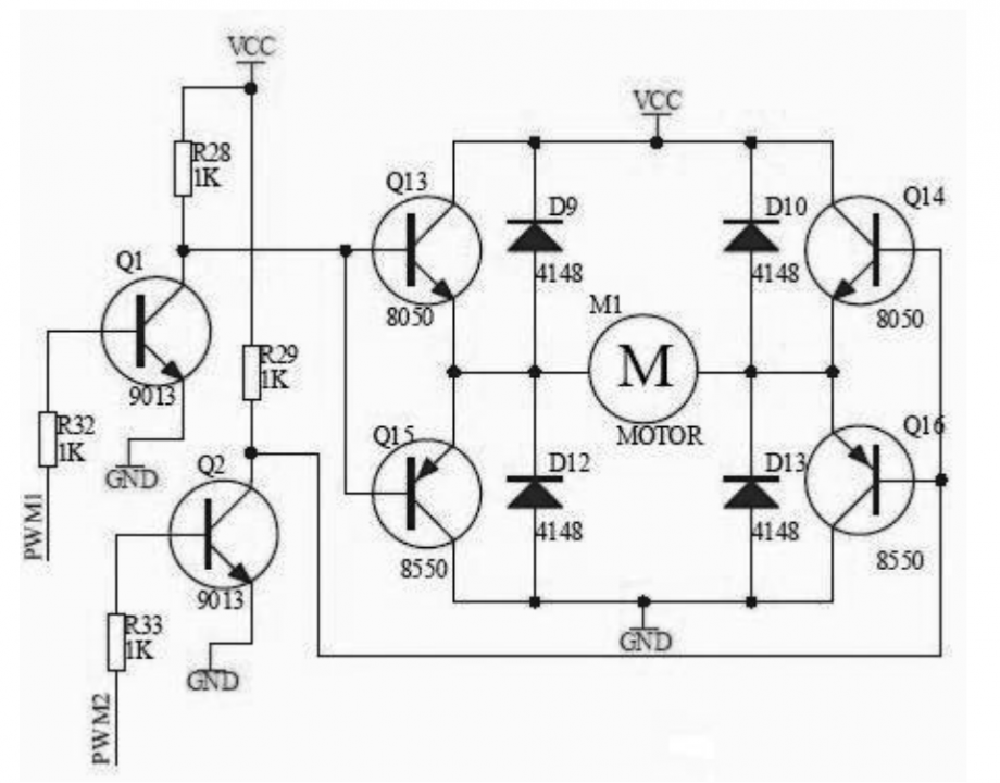
电机是我们在应用中用的比较多的一个元器件了,而且相比led,蜂鸣器这类基础元器件而言,技术含量会更高一点,今天小弟在这里抛砖引玉,浅要谈谈电机驱动之H桥的一些小知识和大家分享一下~“H 桥驱动电路”是因为它的形状酷似字母 H。 4 个三极管组成 H 的 4 条垂直腿,而电机就是 H 中的横杠(注意:下图不是完整的电路图,只是示意图而已,其中三极管的驱动电路没有画出来)。

要使电机运转,必须使对角线上的一对三极管导通。例如,当 Q1管和 Q4 管导通时,电流就从电源正极经 Q1 从左至右穿过电机,然后再经 Q4 回到电源负极。按图中电流箭头所示,该流向的电流将驱动电机顺时针转动。当三极管 Q1 和 Q4 导通,电流将从左至右流过电机,从而驱动电机按特定方向转动(电机周围的箭头指示为顺时针方向)。同理Q2和Q3导通,则电机逆时针转动。(PS:同侧三极管不能同时打通,否则会造成短路,烧坏三极管。即Q1和Q2不能同时导通;Q3和Q4不能同时导通)

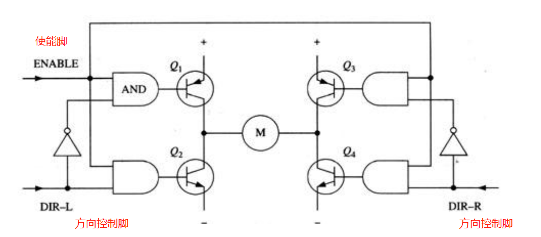
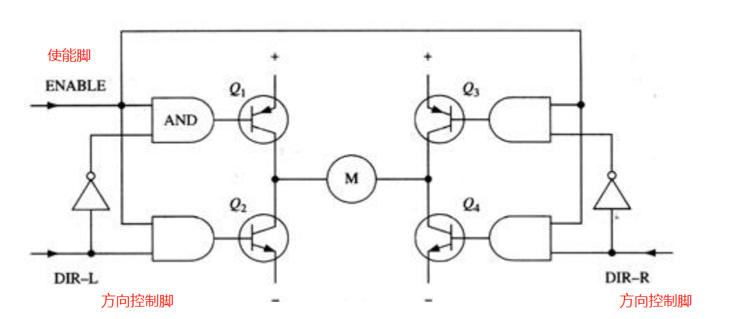
但是可能会有一些新手会不小心让同侧的三极管导通了,这样会让设计处于危险的状态,轻则元器件烧毁,重则起火造成财产生命损失。于是本着安全稳定的原则,在上述电路上做了一点改进。在基本 H 桥电路的基础上增加了4 个与门和 2 个非门。 4 个与门同一个“使能”导通信号相接,这样,用这一个信号就能控制整个电路的开关。而 2 个非门通过提供一种方向输人,可以保证任何时候在 H 桥的同侧腿上都只有一个三极管能导通。(与前面的示意图一样,下图所示也不是一个完整的电路图,特别是图中与门和三极管直接连接是不能正常工作的。)

采用以上方法,电机的运转就只需要用三个信号控制:两个方向信号和一个使能信号。如果 DIR-L 信号为 0, DIR-R 信号为 1,并且使能信号是 1,那么三极管 Q1 和 Q4导通,电流从左至右流经电机(如图 4.16 所示);如果 DIR-L 信号变为 1,而 DIR-R 信号变为 0,那么 Q2 和 Q3 将导通,电流则反向流过电机。

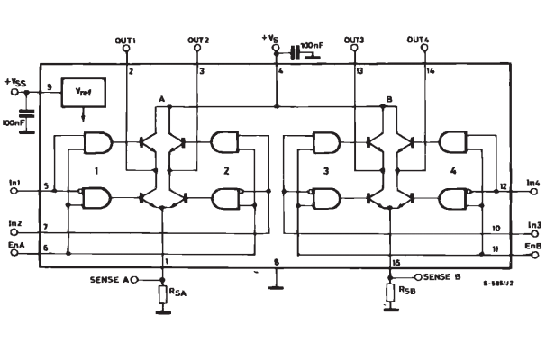
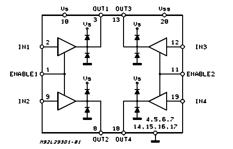
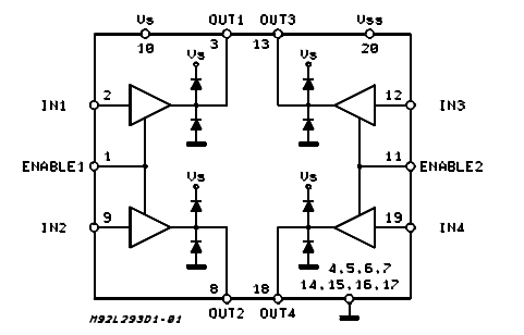
实际使用的时候,用分立元件制作 H 桥是很麻烦的,好在现在市面上有很多封装好的 H 桥集成电路,接上电源、电机和控制信号就可以使用了,在额定的电压和电流内使用非常方便可靠。比如常用的 L293D、 L298N等,下图为两个芯片的内部构造图。

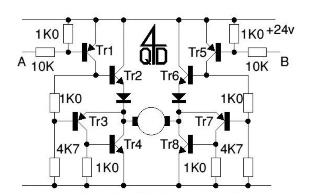
附两张分立元件的 H 桥驱动电路:

附件为L293D、 L298N的规格书。关于上面与门和非门的讨论,感兴趣的朋友也可以研究下其它输入的情况下,电机的转动情况,2^3=8。

电机是我们在应用中用的比较多的一个元器件了,而且相比led,蜂鸣器这类基础元器件而言,技术含量会更高一点,今天小弟在这里抛砖引玉,浅要谈谈电机驱动之H桥的一些小知识和大家分享一下~“H 桥驱动电路”是因为它的形状酷似字母 H。 4 个三极管组成 H 的 4 条垂直腿,而电机就是 H 中的横杠(注意:下图不是完整的电路图,只是示意图而已,其中三极管的驱动电路没有画出来)。

要使电机运转,必须使对角线上的一对三极管导通。例如,当 Q1管和 Q4 管导通时,电流就从电源正极经 Q1 从左至右穿过电机,然后再经 Q4 回到电源负极。按图中电流箭头所示,该流向的电流将驱动电机顺时针转动。当三极管 Q1 和 Q4 导通,电流将从左至右流过电机,从而驱动电机按特定方向转动(电机周围的箭头指示为顺时针方向)。同理Q2和Q3导通,则电机逆时针转动。(PS:同侧三极管不能同时打通,否则会造成短路,烧坏三极管。即Q1和Q2不能同时导通;Q3和Q4不能同时导通)

但是可能会有一些新手会不小心让同侧的三极管导通了,这样会让设计处于危险的状态,轻则元器件烧毁,重则起火造成财产生命损失。于是本着安全稳定的原则,在上述电路上做了一点改进。在基本 H 桥电路的基础上增加了4 个与门和 2 个非门。 4 个与门同一个“使能”导通信号相接,这样,用这一个信号就能控制整个电路的开关。而 2 个非门通过提供一种方向输人,可以保证任何时候在 H 桥的同侧腿上都只有一个三极管能导通。(与前面的示意图一样,下图所示也不是一个完整的电路图,特别是图中与门和三极管直接连接是不能正常工作的。)

采用以上方法,电机的运转就只需要用三个信号控制:两个方向信号和一个使能信号。如果 DIR-L 信号为 0, DIR-R 信号为 1,并且使能信号是 1,那么三极管 Q1 和 Q4导通,电流从左至右流经电机(如图 4.16 所示);如果 DIR-L 信号变为 1,而 DIR-R 信号变为 0,那么 Q2 和 Q3 将导通,电流则反向流过电机。

实际使用的时候,用分立元件制作 H 桥是很麻烦的,好在现在市面上有很多封装好的 H 桥集成电路,接上电源、电机和控制信号就可以使用了,在额定的电压和电流内使用非常方便可靠。比如常用的 L293D、 L298N等,下图为两个芯片的内部构造图。

附两张分立元件的 H 桥驱动电路:

附件为L293D、 L298N的规格书。关于上面与门和非门的讨论,感兴趣的朋友也可以研究下其它输入的情况下,电机的转动情况,2^3=8。

原标题:电机驱动H桥的知识分享

原作者:王小琪

本文为21ic有奖征文作品,详情请见21ic论坛活动专区:第一届万元红包——蓝V达人有奖征文活动,如果您也有兴趣参与征文,欢迎进入论坛参与活动~

相关问答

谁能帮忙质量好的控制芯片厂家,控制芯片什么牌子服务质量好??

[回答]SM总线控制器是主板控制芯片上的一个通信控制器.不会影响你的任何操作。你把它禁用就可以了。如果你想安装。如果你有主板光盘。你在主板光盘下找ch...

sn74lvc245的vcc没3.3v对芯片的输入出有影响吗?

1.没有影响2.因为SN74LVC245是一种双向电平转换器芯片,其VCC引脚是供电引脚,用于提供芯片的工作电压。VCC为3.3V时,可以正常工作,不会对芯片的输入和输出产...

主板芯片写的是:FW82801DB?

你说的是南桥吧,集成显卡的话是在北桥里面的你说的这个型号是ICH4北桥应该是845系列的,你可以上INTEL的官网找找http://drivers.mydrivers.com/drivers/d...

电学中ENA什么意思-ZOL问答

ENA一般是使能信号端,内部规定ENA为高(或低)电平时候芯片开始工作;adj常标在可...PUL为脉冲控制信号,低电平时驱动器内部光耦导通;DIR为方向控制信号,高低电平控...

d-link路由器cpu是高通吗?

具体要看D-LINK路由器的型号来查看的。比如DIR-859使用了全套Qualcomm(高通)方案,QCA9563+QCA9880+QCA8337N。主芯片来自高通QCA9563,运行频率为750MH...

老表们,谁能帮忙,郑州同步整流芯片制造商,同步整流芯片有...

[回答]随着芯片技术的飞速发展,现在很多芯片都内置了MOS管(同步整流)来代替续流二极管,这种芯片无需外接续流二极管,且由于内置MOS管导通内阻小,具有更高...

如何选购家庭宽带使用的路由器呢?

现在光纤宽带已经进入到了家家户户中,而选择一台信号稳定的无线路由器也是必不可少的,但面对路由器的众多参数和术语,很多人却比较盲目,不知道该怎么选择,下...

老师们 可以推荐一下 运城D-LINK百兆光模块,百兆光模块性...

层弱电井或配线间放光纤转换设备,然后通过网线接到用户家里。你用360或其它电脑管家来实地测试一下网速,或者多线程下载高清电影、大型软件可...你...

电脑的硬盘有多少零件构成-ZOL问答

(4)DIR区:根目录区(Directory)DIR区是根目录区的意思。当我们在DOS提示符下键入DIR并按回车键ENTER,显示器上所显示的内容即为该区内容。(5)DATA区:数据区D...

硬件防火墙与软件防火墙哪一个比较好?-imzy00的回答-懂得

硬件防火墙就是在一台服务器上装了软件防火墙而已。高端的硬件防火墙不是将防火墙软件装在硬盘中,而是固化在BIOS中,这样提高丢包效率,并且很难被破...

 申纪兰简介  火币app官网下载 
王经理: 180-0000-0000(微信同号)
10086@qq.com
北京海淀区西三旗街道国际大厦08A座
©2026  上海羊羽卓进出口贸易有限公司  版权所有.All Rights Reserved.  |  程序由Z-BlogPHP强力驱动
网站首页
电话咨询
微信号

QQ

在线咨询真诚为您提供专业解答服务

热线

188-0000-0000
专属服务热线

微信

二维码扫一扫微信交流
顶部