芯片元器件
HOME
芯片元器件
正文内容
电压转电流芯片 USB多路输出电源---原理图设计1(Boost电路)
发布时间 : 2025-05-07
作者 : 小编
访问数量 : 157
扫码分享至微信

USB多路输出电源---原理图设计1(Boost电路)

开篇绪论

用元器件搭建一个小功率的电源模块,可以直接插在电脑的USB接口。不仅能实现降压,同时也可以升压,得到我们想要的常用电压源,甚至能实现正负电压源,按照这个思路从原理图开始做起。欢迎大家一起来讨论,如果能给大家带来乐趣的同时,也让大家从中收获更多的知识,未来还会分享我做过的各种DIY小玩意儿。

本贴用来汇总大家DIY问题中所遇到的所有技术问题,也包括元器件的购买问题。大家可以把遇到的问题在此帖子下罗列,我每天review大家的问题,并进行回复,也方便给大家问题备份与回顾。

DIY主题

DIY活动:从零开始一起制作USB多路输出电源。

下面就来给大家一步一步展示怎么从无到有设计 焊接 制作的。

一般我们用的电脑,它的USB输出是5V左右,不同的电脑,输出电流也会有所不同(台式机、标压版笔记本、低功耗版笔记本)。在开篇前要说明一下,一般的电脑USB供电输出电流0.5A,这个具体要看电脑的配置。我们这个项目,要求单个电源的最大带载能力为0.5A。

第一步:原理图设计

首先第一步,要进行原理图的设计了。

做几个比较常用的直流电压。先将USB_5V用Boost电路升压到12V,然后再分别降到5V和3.3V。我们这个板子还做了2个负压电源,用USB_5V降压至-12V,再用-12V升压到-5V。

5V_USB --> 12V, 0.5A

如上图所示,BOOST芯片我们选用的是一颗国产MT3540型号的芯片,厂家也给出了这款芯片的推荐电路,这款芯片的频率f=1.2MHz。首先要经过BOOST电路进行升压,将5V转成12V。

计算分压电阻

需要有几个元器件的参数需要进一步确认。由于输出电压Vout是12V,FB电压反馈脚的电阻值需要根据输出电压来进行匹配。通过查看数据手册,我们知道Vfb=1.2V。

根据电阻分压公式,另外,还要考虑回路的阻抗,我们可以计算出R1 R2的阻值。

Boost伏秒平衡推导

根据Boost电路的拓扑结构,来分析一下电感是如何工作的,如下图所示:

上图是Boost电路的拓扑结构,Boost之所以能够升压,是利用电感的充放电来实现的。如上图所示,当开关闭合on时,此时Vin给电感充电;当开关断开off时,此时电感放电,而且是骑在Vin之上的,相当于电源把电感给抬高了。

我们知道,之所以输出电压Vo能达到平衡,是因为电感的充电电流=放电电流。那么,我们知道电感的电流与感量的关系:

电感充电时,Δt为ton;电感放电时,Δt为toff。

同样的,我们再来分别分析ton和toff期间,电感两端的电压。

可以从上面这幅图中看出来,

计算电感量

我们刚刚分析了Boost电路占空比,那么电感的平均电流IL是多少呢?电感量应该如何取呢?

根据能量守恒,我们可以知道:

又由于电感平均电流为电流三角形面积的平均值,所以,

上面计算的电感量是在0.5A时,工作在BCM模式状态下,如果我们想让Boost电路的工作模式连续深度更深的话,需要再乘以一个0.2系数,表示负载进入100mA(0.5A*0.2)时,进入了BCM模式。

这里我们可以选择一个4.7µH 1A的标称电感。

最终确定后的Boost电路原理图

一种上位机实时反馈输出电压电流电路,压频转换芯片——AD654

当我们需要上位机实时显示某一输出结果时,可由一种简单电路实现,这个电路的主要原理就是压频转换,通过将电压值或者电流值取样,转化,送到PLC等处理设备,然后实现电压显示!

下面我们来看一下工作原理!

1.主要芯片:AD654

引脚说明:

图一 AD654引脚结构示意图

图2 简单内部结构示意图(图片来源于网络)

引脚1:FOUT振荡信号输出引脚

引脚2:地电平

引脚3:Rt输入放大器的反相输入引脚

引脚4:+Vin输入放大器的同相输入引脚

引脚5:-Vs负电源

引脚6,7:CT定时电容

引脚8:+Vs正电源

2.原理介绍

在取样电压输入芯片的4脚后,由外部设定好的振荡频率开始振荡,最高振荡频率也由外部电路设置,当经过内部NPN管跟随器处理后,得到一个驱动电流,此电流一方面向电容CT充电,另一方面驱动输出三极管,从而实现1,2引脚的连通。

3.官方标准使用电路

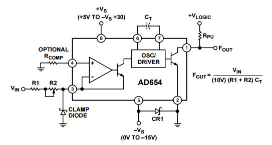
图3 正输入电压的标准连接

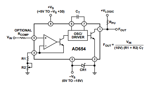
图4 负输入电压的标准连接

根据标准连接电路,可取的适当的电阻电容等达到自己的要求,输出公式上图已经写明

4.实际应用电路

此电路为将一输出电压约100~300V的电压转化为频率信号的电路

图5 实际应用电路

经过大电阻分压后,300V电压得到约5V左右的电压值,经过R12电阻输入到运放同相输入端,

输出频率随着可调电位器调节振荡电阻阻值的改变而改变,我们可以调节到自己需要的频率值,由图6公式可知:

图6 输出频率公式

假设Vin最大为10V,此电路可输出最大频率为F=10/(10×4.7×0.01)=21.23Khz

最小频率为F=10/(10×24.7×0.01)=4.04Khz

当1脚与2脚导通后,外接的光耦隔离器的初级实现导通,电子从初级到达次级实现次级导通,PLC电源输入端经过限流电阻经光耦次级输出至VFO,这就是我们想要的同步频率信号。此信号送到PLC的高速脉冲计数点,经过软件控制处理后,在转化为数字信号显示,即可达到我们想要的上位机实时电压显示!

并且光耦的引入可以有效将PLC与光耦前级电路隔离,一旦前级发生短路或者打火时,不至于串入PLC,实现对PLC的保护。

表达水平欠佳,努力改进中,如果你对电子电路元器件感兴趣,如果你是一名电气设计师,如果你是一名学生,欢迎评论交流!

头脑有点热的电子君——2019.4.13

相关问答

求问芯片里的PO是什么意思?

就是用来发光的功率。一般,晶片纸上会有个电压范围,把这个电压乘以点亮电流就是芯片的总功率了,而PO就是这个总功率里面能有效发光的功率,这个值越高,做出...

3846芯片5伏电压怎么来的?

3846芯片本身不具有产生5伏电压的功能,它需要外接一个5伏电压电源才能工作。通常情况下,这个5伏电压源可以通过以下方式获得:使用变压器和整流桥将交流电转换...

充电器有什么芯片

充电器通常使用一种称为控制芯片的电子元件。这些控制芯片是通过提供电源管理功能来确保安全和有效的充电。它们负责监测充电电池的状态,控制电流和电压,以及...

24V转5V(或3.3V),电流1.5A,SOP8封装外围电路简单,什么芯片好?

24V转5V/3.3V,输出电流要1.5A,压差比较大,如果用LDO的话转化效率低,发热严重,所以首先把LDO排除了,只能考虑DC/DC类,并且封装为SOP8,这里推荐一款DC/DC类...想将.....

哪种电机驱动芯片可以输入高电压,大电流?

一、用的最多的一个H桥驱动芯片:L928N这个芯片是很简单,很便宜,而且很容易买到,一个芯片里面就集成了2路的H桥电路,还带PWM控制和电流采集。但是它有2个严...

mlp291电源芯片引脚功能

特征单电源操作:2.7V至12V宽输入电压范围轨间输出摆动电流300μA/300μA宽带:3MHz转换速率:0.5V/μs低失调电压:700μV无相位反转应用工业过程...

8管脚DAC电流输出型芯片有哪些?

数模转换器的位数是10位二进制(10bit),输出精度约为千分之一(2^10=1024)。电流输出型DAC,即输入0~1023的数字,输出是相应的电流,而不是相应的电压,如果...数...

电流电压表芯片坏了如何换?

要更换电流电压表芯片,首先需要确定芯片型号和规格。然后,将电流电压表断电并拆开外壳,找到原芯片的位置。使用焊锡吸取器或焊锡铜丝将原芯片的引脚上的焊锡...

直流转换芯片作用?

直流转换芯片,它的功能是把外部输入的交流信号有效值变成直流信号输出,可以计算各种复杂波形的真有效值。可测量的输入信号有效值可高达7V,对于1vRMS的信...

怎样把24伏80安电流降低到24伏3安?

1.电流很小且恒定,直接电阻分压即可,简单粗暴。2.电流很小且电流不恒定,考虑线性降压,类似于78xx芯片的原理(但78xx芯片输入电压没这么高)3.电流很大,基...

王经理: 180-0000-0000(微信同号)
10086@qq.com
北京海淀区西三旗街道国际大厦08A座
©2026  上海羊羽卓进出口贸易有限公司  版权所有.All Rights Reserved.  |  程序由Z-BlogPHP强力驱动
网站首页
电话咨询
微信号

QQ

在线咨询真诚为您提供专业解答服务

热线

188-0000-0000
专属服务热线

微信

二维码扫一扫微信交流
顶部