技术资料
HOME
技术资料
正文内容
led灯芯片图片 关于LED驱动电源那些常见的十款经典LED驱动芯片
发布时间 : 2025-12-31
作者 : 小编
访问数量 : 23
扫码分享至微信

关于LED驱动电源那些常见的十款经典LED驱动芯片

目前,芯片设计行业越来越多的厂家加入了LED设计,设计出众多型号,在此从性能价格比方面详细的谈谈,怎样选择自己合适的IC,哪些IC最合适自己准备设计的产品。

为IC设计企业了解市场需要什么样的IC,应该制定什么价位中合适。价格随时会变动只能为参考值。质量和价格是决定是否采用的因数,符合产品设计质量参数要求很重要!价格更重要!

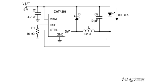
1、美国CATALYST公司-CAT4201

这个IC驱动1-7颗1W LED。效率可达92%,6-28V电压输入范围降压型驱动应用设计。它最大的优势是封装SOT23大小,线路简介,符合目前多数小体积灯杯设计使用要求。

大阻值范围电流调节,可以电位器宽阻值范围调节亮度,比如设计台灯等产品需要这样时。

2、美国国家半导体 LM3404

LM3404和LM3402的线路一样,不同的是电流可以达到1A,驱动1-15pcsLED性价比较高。

上面所列IC规格都是内置MOS管,内置MOS管可以简化线路设计,小体积,降低设计综合成本,故障率也会降低。因其目前IC工艺制成、成本等原因大于1A以上的LED驱动IC需要外置MOS管。在我们日常产品设计中经常会遇到大电流设计,比如5W、10W等更高功率的设计要求,那只能选择外置MOS管的IC才可以。

3、褒贬不一的LED驱动芯片IC-AMC7150

在当时AMC7150还是不错的,它有个很重要的因数就是价格,有不到2元的市场价格,是你采用它的理由。AMC7150目前有几十家可以直接替换的IC型号,价格战会无法避免。

在设计参数要求不高的低压4-25V产品中可以选择它,基本驱动能力在3W以下应用设计。比如1W串3颗或3W 1颗LED设计是稳定的。

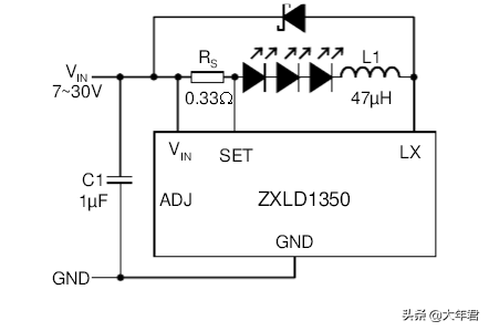
4、欧洲Zetex公司-ZXLD1350

这颗IC目前市场反应良好,也是SOT23小体积封装,输入7-30V电压降压恒流驱动1-7psc LED,线路简洁实用。设计时Rs要紧靠IC避免供电电压大幅度不动,这样会影响恒流效果。

5、杭州士兰微电子-SB42511

目前士兰半导体推出新款IC,主要是针对驱动24V驱动6颗LED市场。价格要高于AMC7153优惠于欧美市场IC,适合设计1-6颗LED,输入6-25V输入电压,SOP8封装形式,主要针对目前低端射灯市场。

6、美国美信集成产品公司 MAX16802

MAX16802A/B是高亮度(HB) LED驱动器控制IC,内部包含了设计一个宽输入范围LED驱动器所需的全部电路,适合通用照明和显示应用。适用于低输入电压(10。8V DC至24V DC) LED驱动器。需要精密调节LED电流时,可利用片上的误差放大器以及精度为1%的基准。通过低频PWM亮度调节可实现较宽的亮度调节范围。

MAX16802 具有输入欠压锁定(UVLO)特性,可设置输入启动电压,并可确保在电源跌落时正常工作。MAX16802具有较高滞回电压的内部自举欠压锁定电路,从而简化了离线式LED驱动器的设计。MAX16802内部没有这个自举电路,可直接由+12V电压提供偏置电源。内部微调的262kHz固定开关频率允许优化选择磁性元件和滤波元件,从而实现紧凑、高性价比的LED驱动器。

MAX16802A的最大占空比为50%,MAX16802B的最大占空比为75%。这些器件均采用8引脚μMAX?封装,可工作在-40°C至+85°C温度范围。

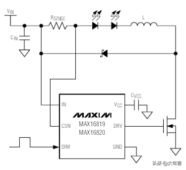
7、美国美信集成产品公司 MAX16819/MAX16820

MAX16819/MAX16820工作于4。5V至28V输入电压范围,并且有一个5V/10mA片上稳压器。输出电流由高边电流检测电阻调节,专用PWM输入(DIM)可实现宽范围的脉冲式亮度调节。

MAX16819/MAX16820非常适合需要宽输入电压范围的应用。高边电流检测和内置电流设置电路可使外部元件的数量最少,并可提供±5%精度的LED电流。在负载切换和PWM亮度调节过程中,滞回控制算法保证了优异的输入电源抑制和快速响应。MAX16819具有30%的电感纹波电流,而MAX16820具有10%的纹波电流。这些器件可工作于高达2MHz的开关频率,从而允许使用小型元件。

MAX16819/MAX16820可工作于-40°C至+125°C汽车级温度范围,可提供3mm x 3mm x 0。8mm,6引脚TDFN封装。

8、美国美信集成产品公司 MAX16818

MAX16818脉宽调制(PWM)型LED驱动控制器采用紧凑封装,可在使用最少外部元件的情况下提供较大输出电流。MAX16818非常适合于同步和非同步降压(buck)拓扑,以及boost、buck-boost、SEPIC和buck LED驱动器架构。可以实现高达20A/μs的快速LED瞬态电流以及30kHz的亮度调节频率。

该器件采用平均电流模式控制,通过优化利用具有最佳电荷和导通电阻特性的MOSFET,甚至在输出LED电流高达30A时也能使对外部散热器的需求降到最低。真差分检测技术可以精确控制LED电流。通过外部PWM信号可以方便的实现宽范围亮度调节。内部稳压器配合简单的外部偏压器件,可以使器件工作在较宽的4。75V至5。5V或7V至28V输入电压范围。开关频率范围较宽,可高达1。5MHz,允许使用小尺寸的电感和电容。

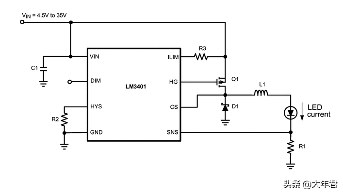
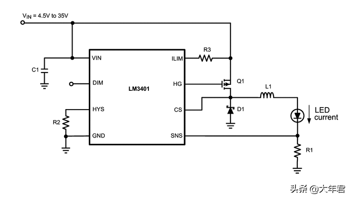
9、美国国家半导体 LM3401

LM3401是国半推出的外置MOS大功率LED驱动器,可以设计3A以内的驱动电流,输入电压最高35V,可以串接10多颗LED。

10、国家半导体 LM3402

LM3402市场反映不错,输入电压范围涵盖整个汽车应用领域,内置MOS管最多可以15颗LED,1-3颗LED是感觉有些贵,5颗以上时性价比很不错。目前接触到的客户工程师评价很高,接受领域比较广线路简洁实用,是国半众多LED驱动IC中间佼佼者。

小“芯”高能,创维、长虹都在用的LED驱动芯片你还不来看看

前言

LED驱动器是一种用于驱动LED模块的电子器件,用于驱动LED发光并保证LED模块组件能够正常工作。LED的导通特性决定了它对电源电压和电流的要求非常严格,稍有偏差就可能导致LED无法点亮、发光效率降低,甚至缩短使用寿命或损坏芯片。传统的工频电源和常见的电池电源并不适合直接供给LED,因此LED驱动器可以确保LED在最佳的电压或电流状态下工作。

LED驱动芯片在电视中主要用于控制屏幕LED背光灯的亮度以及点亮时长,能够实现整体屏幕亮度控制以及局部调光,可以说LED驱动芯片的选择会直接影响到电视的画面表现。最近充电头网在整理以往的拆解案例时,发现有两款4K电视内置高性能LED驱动芯片,以实现高亮度、高画质输出。

LED驱动芯片在电视中的应用

文中出现的两款LED驱动芯片的部分规格如表格所示,详细信息和应用案例,充电头网将在下文为您详细介绍。

芯成IS31FL3731

芯成IS31FL3731是一颗紧凑的LED驱动器,支持144个矩阵LED灯驱动,可通过I2C兼容接口进行编程,采用QFN-28和SSOP-28封装,工作电压为2.7V~5.5V,工作温度范围为 -40°C 至 +85°C。

应用案例

创维4K OLED自发光壁纸电视主机

创维这款OLED电视采用分体式设计,主机与屏幕通过导线连接,使得屏幕可以做到极为纤薄。主机连接电源以及显示输入接口,内置扬声器,分体式设计,使用更加方便。电视主机采用玻璃面板,深邃美观,更加具有高级感。

相关阅读:

拆解报告:创维4K OLED自发光壁纸电视主机

昂宝OB3350CP

昂宝OB3350CP是一颗高性价比LED调光控制器,包含一个PWM升压驱动器,采用电流模式控制和固定频率,采用SOP-8封装。芯片输入电压范围8V~35V,工作温度范围为 -40°C 至 +85°C,配合MOS管和肖特基二极管和电感,可用于电视机LED背光升压驱动。

应用案例

长虹42英寸智能网络电视42P3F

长虹这款42英寸智能网络电视42P3F内置4K电视专用芯片、立体声扬声器,无论是视觉还是听觉体验都会很好。另外还支持手机游戏、电影无线投屏等,进一步增强娱乐体验。

相关阅读:

拆解报告:长虹42英寸智能网络电视42P3F内置电源

充电头网总结

LED驱动芯片在电视中的已经成为提升显示画质、增强用户体验的关键器件之一。选择性能卓越的LED驱动芯片可为电视带来了更高的亮度、更广的色域和更低的功耗。文中提到的芯成IS31FL3731和昂宝OB3350CP两款高性能LED驱动芯片可以助力厂商实现精准调光,提升产品使用体验。

LED驱动芯片在电视中的广泛应用不仅直接提升了画质观感,还为电视的设计和用户体验带来了更多可能。随着显示面板技术的不断迭代升级和LED驱动芯片的不断创新,未来用户可以享受更加优质的视听体验。

相关问答

led光源芯片十大排名?

1厦门三安光电(主流全色系超高亮度LED芯片,各项性能指标领先,蓝、绿光ITO(氧化铟锡)芯片的性能指标已接近国际最高指标,在同行内具有较强竞争力)2大...1...

led灯的芯片怎么分好坏?

1、看支架一般情况支架为镀银红铜支架,镀银红铜支架的好处就是散热快,可以更好的给灯珠散热电阻小。市场上有些商家会用陶瓷支架来代替镀银红铜支架,陶瓷支架...

恒流源芯片有哪些型号,led光源常用的是那种?

1、LED常用的恒流芯片:LM2623,MAX5033,NCP3063,TPS61042,FSDM311,NCP1027,NCP1216。2、恒流源由信号源和电压控制电流源(VCCS)两部分组成。正...

led芯片品牌排行榜?

国内10大LED芯片厂排名1厦门三安光电(主流全色系超高亮度LED芯片,各项性能指标领先,蓝、绿光ITO(氧化铟锡)芯片的性能指标已接近国际最高指标,在同行...

德国欧司朗芯片好不好?

德国欧司朗芯片很好,做为全球第二的LED发光芯片生产厂家知名度是毋庸置疑的,一分钱一分货,质量好。经久耐用,荧光灯管光摔比较好。德国欧司朗芯片很好,做为全...

led灯驱动七脚芯片有哪些?

1.VCC:电源正极2.GND:电源负极3.VIN:输入电压4.VOUT:输出电压5.ADJ:调节引脚6.EN:使能引脚7.FB:反馈引脚其中,VIN是输入电压,VOUT是...

led灯芯片型号?

大多数是0.5瓦150毫安的LED芯片的大多数是0.5瓦150毫安的LED芯片的

led灯芯片好坏检测的四种方法?

1、肉眼观察判断法:如果LED灯珠有外观烧伤,或里面的芯片发黑,那是LED灯珠物理损坏。2、如果手头有干电池,可以采用2颗1.5V电池:串联成3V,正反接一下,不...1...

led普瑞芯片有没有标志,是什么样的标志?

成品的话芯片背面有二维码供应封装厂的芯片只能用专业仪器测了,肉眼看不出。成品的话芯片背面有二维码供应封装厂的芯片只能用专业仪器测了,肉眼看不出。

LED支架或者芯片上有化学脏污,例如抗氧化剂类的硫化物,会造...

这个问题八年前都已有很好的解决方案了,LED支架或者芯片上有化学脏污,比如抗氧化剂类的硫化物,会造成不好固晶和不好焊线,用qt-60-psp等离子清洗机完全可以解决...

 环球摔迷网  1000年后的人类 
王经理: 180-0000-0000(微信同号)
10086@qq.com
北京海淀区西三旗街道国际大厦08A座
©2026  上海羊羽卓进出口贸易有限公司  版权所有.All Rights Reserved.  |  程序由Z-BlogPHP强力驱动
网站首页
电话咨询
微信号

QQ

在线咨询真诚为您提供专业解答服务

热线

188-0000-0000
专属服务热线

微信

二维码扫一扫微信交流
顶部