芯片元器件
HOME
芯片元器件
正文内容
以太网控制芯片 应用以太网控制芯片W5200,设计电能质量远程监控系统
发布时间 : 2026-01-01
作者 : 小编
访问数量 : 23
扫码分享至微信

应用以太网控制芯片W5200,设计电能质量远程监控系统

随着电力电子装置应用,电网质量严重降低,电能质量的监控与治理势在必行。本文提出了基于电网参数采集和以太网远程监控技术实现电能治理现场和远程监控的设计方案。硬件上结合ARM和以太网控制芯片W5200搭建网络监测系统,采用PC机与控制器通信实现远程通信,同时通过投切电容实现无功治理;软件部分分别介绍了控制器和上位机远程监控PC机软件。通过一段时间的实际运行证明了此设计方案是切实可行的。

随着电力电子技术的不断发展,电力电子设备得到了广泛应用,使得电网负荷中的感性负载占很大比例,如变压器,电动机等,同时也产生了电网谐波。无功功率会增加设备容量以及线路损耗,同时冲击性无功功率负载还可能引起电压剧烈波动,使得电网质量严重降低。

而谐波的危害更大,谐波使得元器件产生附加的损耗,此外谐波可能影响各种电气设备的正常运行,如机械振动、噪声和过电压,使得变压器、电容器局部过热、绝缘老化,寿命缩短,严重时发生爆炸,发生事故。同时也可能影响邻近系统的数据通信,严重时系统无法正常通信。

为了保证电网安全稳定运行,必须综合治理这些影响电网的关键因素。治理的关键是对电网参数的实时准确的监测与分析。电网参数的通信方式比较多,主要有串口通信接口、USB接口、GPRS以及网络接口等。以太网通信传输速率高,便于实时数据通信,从而进行数据分析,减轻现场工作强度,对电网长期运行评估预测意义重大。

本文基于ARM和W5200设计了一种无功补偿控制器,其具有无功补偿,电压电流谐波等参数测量,数据统计存储以及以太网接口等功能,使用该控制器和后台PC软件可构建远程监控系统,实现电能质量的远程监控。

1 总体设计方案

1.1 远程监控系统设计

远程监控系统的组成结构如图1所示。

图1 系统组成结构图

系统主要由4个部分组成,无功补偿控制器,以太网模块,远程PC终端以及输出控制单元部分。控制输出单元是TDS系列智能电力电容器,可实现就地无功补偿。以太网模块主要实现电网数据的网络传输。远程PC终端实现了远程数据的监视,远程设置参数,历史数据采集,远程电容器控制等功能。无功补偿控制器的设计是本文的重点。

1.2 无功补偿控制器设计

如图2所示,无功补偿控制器主要由以下8个模块组成,,各模块的主要作用分别为:

图2 无功补偿控制器组成框图

1)电源模块:将电网电压转换成芯片可用的工作电源,通信电源等。2)数据采集模块:完成电网数据信号的采集,主要包括三相电压,三相电流。3)数据处理模块:主要完成电网有功、无功、功率因数,谐波总含量以及3-25次谐波分量的计算处理,谐波的计算采用FFT算法。4)显示模块:采用128*64点阵液晶,主要显示电网参数以及工作状态,电容状态等。5)数据存储模块:将电网参数的整点数据存储起来,便于现场运行情况的分析处理。这些数据既可通过上位机软件检测,也可连接U盘将数据读取出来,导入上位机。6)网络接口模块:主要实现与网络模块的通信,这是实现远程监控的关键。7)RS485模块: 主要实现了与TDS智能电容器的通信,从而实现电容器状态和信息的实时监测与本体控制。8)报警输出模块:为保证系统的安全稳定运行,当过压、欠压、谐波过大等情况下,通知用户发生故障及自动及时切除已投入电容。

2 硬件设计方案

无功补偿控制器的主控芯片选择意法半导体公司基于ARM Cortex-M3内核的32位处理器STM32F103。硬件总体设计包括电源设计、复位电路、晶振模块、JTAG/SWD接口、人机接口、采集部分、RS485、SPI网络接口及存储设备等。

2.1 主控芯片

STM32F103最高可工作在72MHz,包含5个USART、2个DMA控制器、3路SPI、3个ADC、ADC包含16路通道,提供电压检测器,提高了抗干扰能力,可保证系统的稳定运行。

2.2 晶振模块

晶振主要提供主控芯片的时钟信号,W5200的工作时钟是由STM32的软件控制的。STM32内部虽自带RC振动器,可产生8 MHz时钟,但精度较差。因此选用外接独立晶振提供8 MHz时钟源。

2.3 电源设计

运行现场不可能直接提供芯片的工作电源,就需要进行电源转换。设计采用传统电源设计模式:220V交流电压通过变压器变压,整流桥整流,电容滤波,最后稳压芯片稳压后输出直流电源。稳压芯片选用ASM1117,电压转换成3.3 V直接给STM32与W5200供电。

2.4 采集部分

由于STM32具有12位ADC采样,采样速度最快可达到1 us采集一次,精度也可保证,因此,直接将电网信号转换成STM32口线可以采集的信号接到STM32口线上。

采集的具体流程图如图3所示。

图3 电网信号采样流程图

电信号经过互感器采样后,加上滤波放大电路和电压转换电路后转换为电压信号,由于STM32采集的模拟量范围是 0~3.3V,所以要再经过一个电压偏移电路,加上基准电压,就形成 STM32所能处理的模拟量信号。滤波电路选用最简单的 RC 滤波电路,主要滤除外界对电网信号造成的干扰。电网信号的检测采用电流、电压互感器实现。

2.5 复位电路

复位电路可靠性是整个系统运行正常的关键。本系统采用了常规的阻容复位和芯片MAX706S结合的复位方式。系统采用了双看门狗方式,一个为STM32的内部独立看门狗,一个为MAX706S提供的硬件看门狗。由于W5200的工作电源需要3V以上,而STM32只需2V就可正常工作,此时MAX706S提供的低电压复位信号起作用,这样就保证了系统的正常运行。

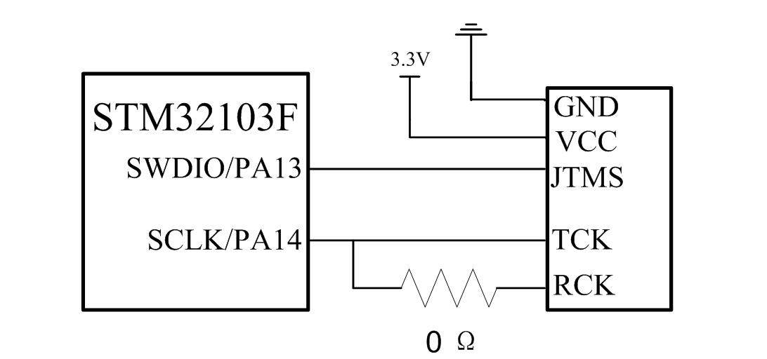
2.6 SWD接口

为便于主控芯片程序的调试和下载,就需要设计调试接口。较JTAG接口,SWD接口简单,只需两根口线就可以实现,接口电路如图4所示。

图4 SWD接口电路

2.7 SPI网络接口

由于W5200集成了TCPIP协议的网络控制器,对软件设计人员水平要求不高,通过SPI接口就可实现网络连接,比较适合单芯片实现TCPIP协议栈、10/100M以太网MAC和PHY。W5200 内部有32K的存储器用于通信数据的存储,通过简单的端口编程,用户可实现以太网通信,而不必要处理复杂的以太网控制。W5200的SPI接口可以支持高达80MHz的时钟。

图5 网络模块结构图

模块的结构如图5所示,ARM芯片提供了时钟信号,复位信号,控制信号,RJ45接口提供了以太网通信接口,网络指示灯指示网络的工作状态。

W5200支持8个独立的端口同时工作,可以实现同一无功控制器通过网络交换机受控于多台上位机终端。

2.8 串口通信模块

为了实时采集多台电容器的实时工作状态及其电容器信息,同时实现电容器的实时控制,为保证数据通信的可靠性,采用传统的RS485通信。

同时,无功补偿控制器备用了2个RS232接口,可用来连接GPRS模块实现远程数据采集和电表数据采集。

3. 软件设计方案

3.1 开发环境(MDK)

MDK开发平台是一个针对ARM处理器的专用集成开发环境。可以使用C/C++和汇编语言方便开发应用程序。MDK的在线调试与仿真,对软件开发具有很大的帮助。

3.2 软件设计

整个系统的软件流程图如图6所示。

图6 软件流程图

本系统的软件设计主要包括ARM的应用程序的开发和μC/OS-Ⅱ操作系统[10]的移植2个基本部分。ARM的应用程序主要包括数据测量、显示程序、数据存储程序、USB数据读取程序、按键扫描处理程序、电容器通信、网络通信程序、电容器控制和程序和报警输出程序等。μC/OS-Ⅱ操作系统是协调STM32对程序的任务管理和调度。

3.3 终端PC机软件

上位机远程监控PC机软件开发环境采用C++ Builder和SQL数据库结合设计。C++ Builder集成开发环境提供了可视化窗体设计器,集成编辑器和调试器等系列可视化快速应用程序开发设计,程序员可轻松建立和管理自己的程序和资源。SQL数据库用来将采集的数据实时存储起来,便于以后查询与现场故障分析等。

PC机与无功补偿控制器之间采用标准的电网101规约进行通信,便于接入已成型的智能电网中,实现了电网数据的遥测,设定参数的遥调和电容器状态远程显示及远程控制。

如图7所示,PC机与无功控制器联机正常运行的实际情况,可见实时现场的电网参数基本上都可以监测到,三相功率因数均达到0.93以上,也取得较好的补偿效果。

图7 上位机远程监控软件运行图

经过一段时间的实际运行,运行情况良好,电网功率因数达标,证明该设计方案是切实可行的。

4.总结

本文以STM32为主控芯片,设计了一种控制器,具有无功补偿功能。同时,通过驱动W5200网络控制芯片实现了电网参数的实时远程监控与电容器的远程控制。该网络接口硬件设计简单,成本低,开发周期短,便于应用。而电网的长期在线监测,有利于电网的维护与故障分析。

本文编自《电气技术》,原文标题为“基于W5200的电能质量远程监控系统设计”,作者为夏文、冯国伟 等。

锐捷网络:公司以太网交换机所用芯片既有国产芯片,也有国外厂商的芯片

证券之星消息,锐捷网络(301165)10月12日在投资者关系平台上答复投资者关心的问题。

投资者: 尊敬的董秘您好,请问贵公司以太网交换机所用芯片是否实现了国产替代?谢谢。

锐捷网络董秘: 尊敬的投资者您好,公司以太网交换机所用芯片既有国产芯片,也有国外厂商的芯片。公司出于对客户需求、自身产品性能及市场竞争力等因素的考虑,建立了多元化的芯片供应渠道。感谢您的关注。

投资者: 公司之前说有数据安全的产品,但在同花顺软件上并不属于数据安全概念的公司,请董秘介绍数据安全产品

锐捷网络董秘: 尊敬的投资者您好,网络安全业务是公司主营业务之一。公司基于在网络设备领域的技术优势和覆盖优势,从整网安全视角出发,打造融合“网络+安全”的防护体系,推出了网络安全软硬件产品。公司之前介绍过网络安全产品的主要品类,其中包含了”大数据安全平台”产品。大数据安全平台是公司利用大数据技术建设的综合性日志分析平台,兼容市场大多数品牌的安全设备、网络设备、服务器、主机系统、中间件等,将异构的安全信息进行综合分析,过滤无效数据,呈现网络安全态势,为客户提供极简的网络安全分析运营。感谢您的关注。

投资者: 请问贵司在6g通讯领域是否有布局?现在很多网络设备公司已经有6G概念的产品

锐捷网络董秘: 尊敬的投资者您好,目前,公司正在关注6G通信领域的产业政策、技术标准及发展动态。感谢您的关注。

以上内容由证券之星根据公开信息整理,由算法生成,与本站立场无关。证券之星力求但不保证该信息(包括但不限于文字、视频、音频、数据及图表)全部或者部分内容的的准确性、完整性、有效性、及时性等,如存在问题请联系我们。本文为数据整理,不对您构成任何投资建议,投资有风险,请谨慎决策。

相关问答

以太网PHY芯片出现故障要如何处理?

其实不接变压器,理论上也可以工作,但存在太多的风险。接网络变压器的好处有如下3点:1.增加传输距离。phy芯片的驱动能力有限,当网线很长时,信号到达接收端...

AC104芯片以太网收发器有程序吗?

AC104芯片以太网收发器没有内置程序。它需要一个微控制器(MCU)或其他处理设备来控制和配置。微控制器可以通过AC104芯片提供的寄存器来配置以太网参数,从而实...

以太网芯片MAC和PHY的关系?

MAC是数字链路层,PHY芯片是物理层,有一个介质独立的概念,介质就是实际侧传输介质,比如光缆,电缆,这时模拟层的东西,需要PHY来实现模数转换(还有其他数字...MA...

linux没有以太网芯片会识别网卡吗?

不会。Linux系统需要能够识别以太网芯片的网卡才能进行网络连接。如果系统中没有安装合适的驱动程序或者硬件不支持,那么Linux将无法识别网卡,也就无法进行网...

为什么我的Macbook显示以太网连接但却没法上网?-ZOL问答

朋友是网络不给力吧。愿我的答案能够解决您的烦忧第一,驱动问题,购买笔记本时,厂家都会匹配本电脑的系统盘,建议您找一下,因为那个驱动是最适合...

AX88772芯片怎么样?

AX88772是USBtoEthernet网络控制芯片。由AX88772搭配具备USBHost串行接口之微控制器,即可将以太网络的连接性加入嵌入式系统中,微控制器不仅可经由网络发...

工业以太网的优点有哪些?

以太网支持的传输介质为粗同轴电缆、细同轴电缆、双绞线、光纤等,其最大优点是简单,经济实用,易为人们所掌握,所以深受广大用户欢迎。与现场总线相比,以太...

IntelLGA1151平台的芯片组都包含哪些?-ZOL问答

除了支持新的LGA1151插座,100系列芯片组的扩展能力将得到再次提升。USB3.0接口方面,Z170、Q170将增至十个,H170、Q150各有八个,B150六个,H110也有了四个。SA....

电脑的网卡分几种型号啊-ZOL问答

网卡是一种成熟的硬件产品,一般不会出现型号问题掉线,而且有些网卡在确比一些网卡短,像腾达的,但是都可以正常使用,型号。家用的多为8139/10M/100M网卡,还有...

华为公布“华为公司十大发明”,你最看好哪个?

华为OXC解决方案已经实现商用部署。现在的手机用户对手机的需求越来越大,其中比较突出的表现就是电池的续航,在手机电池无法再扩大的情况下,手机快充的作...现...

 第三方测试  索沛 
王经理: 180-0000-0000(微信同号)
10086@qq.com
北京海淀区西三旗街道国际大厦08A座
©2026  上海羊羽卓进出口贸易有限公司  版权所有.All Rights Reserved.  |  程序由Z-BlogPHP强力驱动
网站首页
电话咨询
微信号

QQ

在线咨询真诚为您提供专业解答服务

热线

188-0000-0000
专属服务热线

微信

二维码扫一扫微信交流
顶部