电子展会
HOME
电子展会
正文内容
芯片是sc 下一代骁龙X2 CPU已经开始测试 SC8480XP 芯片代号为“Project Glymur“
发布时间 : 2026-01-23
作者 : 小编
访问数量 : 23
扫码分享至微信

下一代骁龙X2 CPU已经开始测试 SC8480XP 芯片代号为"Project Glymur"

高通骁龙 X 系列早在几个月前就已推出,其强劲的 CPU 和 GPU 组合有望带来稳固的 AI PC 体验,势头强劲。据报道,高通公司已经在为 PC 开发基于 Arm 的下一代 Snapdragon X2 CPU,最新的"SC8480XP"已经过测试。

虽然炒作声势浩大,但最初的评测&性能结果显示骁龙 X 系列能力略显不足,IPC 改进、单核性能、&效率/电池寿命被视为亮点,而多核和图形性能则略显乏力。为了解决这些问题,该公司也提供了一系列不同价位的解决方案,包括X Elite 和 X Plus 系列中的 12 核、10 核和最新的 8 核 SoC。

从那时起,AMD 和 Intel 等 x86 处理器厂商就以 Ryzen AI 300"Strix" 和 Core Ultra 200V"Lunar Lake" SoC 的形式强势回归。 这些产品提供了改进的 NPU、强大的 CPU 内核和令人难以置信的集成 GPU,可提供市场上最好的性能。 由此看来,高通公司将继续保持第一代骁龙 X 系列的强劲势头,并已开始测试下一代骁龙 X2(占位名称)系统芯片。

据Winfuture报道,高通测试下一代骁龙 X2 SoC 已经有一段时间了。 据悉,内部数据库显示,使用"Glymur"或"Project Glymur"代号的 SC8480XP SOC 于 7 月和 8 月进行了测试,因此确切时间为 2024 年第三季度。 要知道,目前这一代骁龙 X SoC 的内部型号为"SC8380XP",代号为"Hamoa"。

此外,有消息称,高通公司仍处于测试下一代 SoC 的早期阶段,因为开发板可能配备不同的 NAND 和内存组件。 这与 RVP 或 EVP 类似,它们都是早期评估平台,目的是在正式规格确定之前测试样品。

通过早些时候戴尔 XPS 的泄露,证实了高通公司正在开发至少两个 Oryon CPU 架构的下一代变体,它们将在基于骁龙 X 的 AI PC 中出现。 其中包括计划于 2025 年中期推出的骁龙 X V2,以及预计于 2027 年第四季度推出的后续骁龙 V3。 这些都是初步的时间表,但由于泄密者是高通公司的主要合作伙伴戴尔公司,我们可以肯定地说,高通公司正在开发新的 SoC。

骁龙 X Plus 系列中的一款新入门级产品也在准备之中,将被命名为"X1P-24-100"。 它应该会保留 8 核设计,但预期其时钟或 GPU 性能会有所降低。

南芯推出高集成充电芯片SC8932和SC8930,耐压高达20V

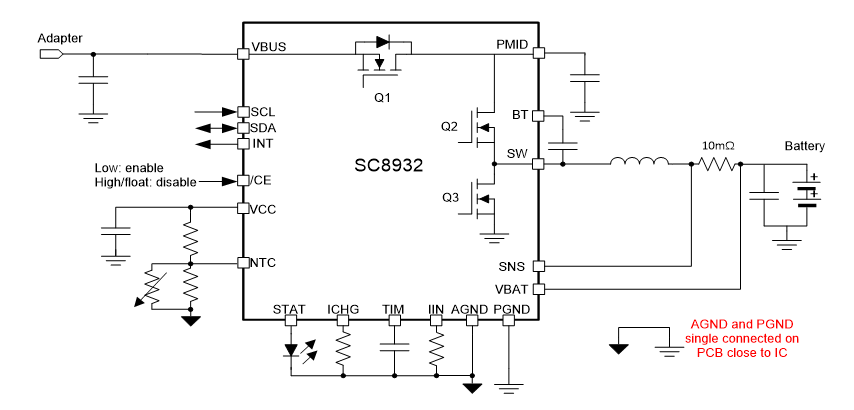
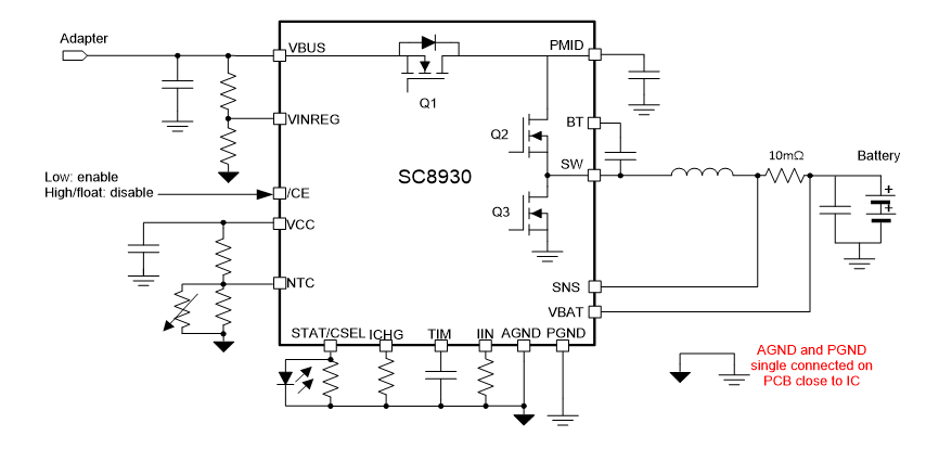
上海南芯半导体作为国内领先的模拟IC设计公司,今年新推出了应用于蓝牙音箱、电子烟、POS机等领域的通用型单双节锂电池快速充电管理芯片SC8932和SC8930。

该系列产品支持4-13.5V输入,耐压高达20V,无需外部OVP器件即可避免客户在使用12V适配器时热插拔带来的spike损坏器件,充电电流高达3A,支持NTC保护(可支持JEITA标准)和safety timer,功能强大、安全度高、整体集成度高,外围元件少、能大幅节约用户成本,提升充电安全,方便客户快速将产品推向市场。

SC8932/SC8930是两款同步降压充电控制器,内部集成了防反灌MOS管及Buck 功率管,单节充电效率高达95%,两节充电效率高达97%,可有效减小PCBA发热,降低热设计要求。SC8932/SC8930支持完善的充电循环管理,包括:死电池充电,涓流充电,恒流充

电,恒压充电,充电截止,自动再充电等。SC8932/SC8930电池端充电电压精度高达±0.5%,电流精度高达±5%,客户可精准的控制充电电流,同时支持输入电流限流,拥有充电状态指示,方便客户直观地查看充电状态。

SC8932/SC8930同时支持完善的保护机制,包括输入端电压及电流动态功率管理,充电安全时间管理,NTC控制(支持JEITA 标准),输入欠/过压保护,电池端欠/过压保护,热保护,热关断,能够保证芯片在各种异常状态下安全工作。

SC8932/SC8930在实现高集成度的同时采用超小QFN 3X3 Flipchip封装,可以有效降低导通阻抗;能够搭配1uH电感使用,有效减小PCB Size,降低BOM 成本。

SC8932集成了I2C接口,MCU可通过I2C方便快捷的设置充电电流,输入端限流,VINREG,充电截止电压等各项参数,且能实时反馈芯片状态。SC8930为standalone版本,用户只需要外部使用电阻,电容,即可简单地设置充电的各项参数,无需外部controller的介入。

SC8932典型应用原理图

SC8932详细规格参数

SC8930典型应用原理图

SC8932详细规格参数

目前SC8932及SC8930 已经进入量产阶段,功能非常强大,有需求的小伙伴可以联系南芯获取详细产品信息。

相关问答

sc2022打印机r1如何解决?

提示更换硒鼓,加完粉以后,直接更换芯片即可;如果不想换芯片,可以直接更换套鼓;清零指的是把主板上的计数芯片重新复位,当计数芯片累加数达到芯片...如果不...

电源芯片sc1117dg各脚功能?

1.电源芯片SC1117DG的各脚功能是什么?2.SC1117DG是一种线性稳压器芯片,具有三个引脚,分别是输入引脚(VIN)、输出引脚(VOUT)和地引脚(GND)。-VIN引...1....

遥控器PT是什么意思?

答:遥控器PT是指固定码遥控器的意思。固定码遥控器:又称编码遥控器,焊码遥控器,常用发射芯片PT,SC,HS,LX(2260/2262/2264),配对接收芯片为PT,SC,LX...答:遥.....

u盘的芯片制造商:Alcor(安国);芯片型号:sc708-3,u盘为64G,...

用安国主控的64G可能性真的很小,你这个闪存也没检测出来,可能闪存太新了,有点悬啊。建议:下载量产工具查看或用芯片无忧再检测试下也可以换台电脑检...

sc9850处理器相当于骁龙?

展讯通信在深圳的全球合作伙伴大会上发布的一款国产SC9850中低端平台,采用了28nm工艺,4核A7,并支持18:9HD+(720*1440)屏幕显示以及1300万像素摄像头。在性...

sc2262芯片和pt2262芯片引脚及功能一样吗?帮帮忙,急用?

sc2262芯片有6个数据输出引脚,pt2262芯片只有4个数据输出引脚,区别只有这里。sc2262芯片有6个数据输出引脚,pt2262芯片只有4个数据输出引脚,区别只有这里。

华硕K53SC笔记本电脑主板是HM65芯片,SATA接口是2.0还是3.0...

华硕K53SC原装一般是不提供SATA0接口的,因为HM65主要针对的是中端市场。不过如果后来进行了硬件改造或系统优化升级的话,则有可能实现数据传输速度的提升至SA...

sc1528a芯片参数?

sc1528a是驱动芯片,其参数是电压输出范围是1.1V-1.85V,开关频率80KHz。输入电压范围为2.7V~5.5V,主频率3600。它是集成有CMOS控制电路和DMOS功率器件的芯片...

sc70管内径多少?

Sc70管是一种微型封装的半导体器件,其内径是指管内芯片的尺寸。它的尺寸特点是面积小、厚度薄,主要针对高密度集成电路设计。Sc70管的内径一般为0.22mm,是现行...

sc93f8333m是什么芯片?

sc93f8333m是处理器芯片。这款芯片其实就是高通骁龙865处理器,它是支持5G双模全网通功能的,采用的是台积电七纳米的制程工艺,安兔兔跑分达到了五十几万分,并...

 孟珺瑶  i10 
王经理: 180-0000-0000(微信同号)
10086@qq.com
北京海淀区西三旗街道国际大厦08A座
©2026  上海羊羽卓进出口贸易有限公司  版权所有.All Rights Reserved.  |  程序由Z-BlogPHP强力驱动
网站首页
电话咨询
微信号

QQ

在线咨询真诚为您提供专业解答服务

热线

188-0000-0000
专属服务热线

微信

二维码扫一扫微信交流
顶部