技术资料
HOME
技术资料
正文内容
5脚贴片电源芯片 六角贴片开关电源芯片 轻触按键开关IC 长按15秒延时开关芯片
发布时间 : 2026-01-22
作者 : 小编
访问数量 : 23
扫码分享至微信

六角贴片开关电源芯片 轻触按键开关IC 长按15秒延时开关芯片

ECJ22091-705ED6长按1.5秒开关机

一. 功能说明

工作电压:DC 2.4-5.0V。一路按键输入控制,两路高电平同步输出(可二选一)。

上电负载不工作,OUT1 OUT2为低电平。长按按键1.5秒开机,OUT1 OUT2输出高电平,再长按按键 1.5 秒关机,OUT1、OUT2输出是低电平。

二. 电气参数(VDD=5.0V TA=25℃)

参数

符号

最小值

典型值

最大值

单位

条件

工作电压

VDD

2.2

3.0

5.0

V

FINST=1MHz @ I_HRC/4

工作电流

IOP

0.5

mA

静态电流

ISTB

2

uA

FLOSC=32KHz @ I_LRC/4

驱动电流低电平输出

IOL

13

mA

VOL=1.0V

驱动电流高电平输出

IOH

-11

mA

VOH=2.0V

工作温度

TA

-10

25

85

储存温度

Tstg

-25

25

125

三. 封装脚位图(SOT23-6)

6脚长按开关芯片

管脚号

符号

功能描述

1

OUT1

信号输出,高电平有效

2

GND

电源负

3

KEY

触发开关

4

OUT2

信号输出,高电平有效

5

VDD

电源正

6

NC

悬空

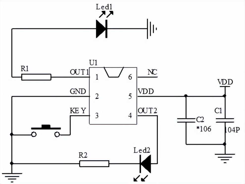
四. 电路图参考

长按延时开关IC

主控推LED应用图

轻触按键开关IC

*C2电容可根据电源实际需要调整或省略

五. 封装尺寸图(SOT23-6)

6脚贴片开关电源芯片

六. 版本说明

版本

日期

描述

ECJ22091-90DE54

2022/6/25

V01初版

ECJ22091-705ED6

2022/7/15

触发时间3S改成1.5S

延时开关机芯片

五脚贴片稳压芯片原理

五脚贴片稳压芯片通常是指具有五个引脚的集成电路,用于稳定输入电压并输出稳定的电压。这种稳压芯片的原理与一般的稳压芯片类似,主要是通过内部的反馈电路来调整输出电压,以使其始终保持在设定的数值。

具体来说,五脚贴片稳压芯片的引脚通常包括输入电压引脚、地引脚、输出电压引脚、调节引脚和电容引脚。其中,输入电压引脚用于连接输入电压源,地引脚连接到电路的地线,输出电压引脚用于输出稳定的电压,调节引脚用于控制输出电压的稳定值,电容引脚用于连接外部电容以提高稳压性能。

通过控制调节引脚的电压,五脚贴片稳压芯片可以实现对输出电压的精确调节。当输入电压发生变化时,内部的反馈电路会调整输出电压,以使其保持在设定的数值。这样就能确保连接到稳压芯片的电路和组件在稳定的电压条件下正常工作。

相关问答

五脚电源芯片引脚功能?

1五脚电源芯片引脚有多个功能2第一脚是输入电源,第二脚是地,第三脚是输出电源,第四脚是电源调整引脚,第五脚是过载保护引脚。其中,第四脚可以通过外部电容...

贴片五脚芯片引脚定义?

它为五针脚形状。其中,一针脚为信号同相输入、二针脚为信号反相输入、三针脚负电源-Vee(单电源接地GND)、四针脚为信号输出、五针脚电源+Vcc输入。它为五针脚...

一个很小的六脚贴片芯片是什么芯片??上面写着CBG-ZOL问答

一个很小的六脚贴片芯片是什么芯片??上面写着CBG讨论回答(4)这些是很常用的电源IC来的请跟我联络发规格书给你确认其参数电路是集成块你这个说的太笼统了...

SOT-23五脚的,贴片运放1脚输出,2脚电源地,3,4脚输入,五脚电源,芯片标有AAA字样或A3A字样?

这个元器件的实际型号是AD8601,应该是这个啦这个元器件的实际型号是AD8601,应该是这个啦

丝印是TAGP标号的是什么芯片,6个脚的贴片芯片-ZOL问答

这是个很常用的电源IC来的请跟我联络发规格书给你确认其参数电路G1=31ELDO电源芯片丝印MA,封装为SOT-363的有两款,是不同厂家的,但丝印是一样的这款的MA是...

六脚贴片电源芯片通用吗?

不通用。六脚贴片电源芯片型号不同,不能通用。六脚贴片电源芯片通常是指一个具有看门狗功能、采用贴片式封装的电源芯片,其电路图适合作为单片机的复位电路。...

直插6脚电源管理芯片参数?

直插6脚电源管理芯片通常用于直流电源转换和管理。对于这类芯片,参数可能因具体型号和制造商而异。以下是一些常见参数,以帮助您了解这些芯片的功能:1.输入...

开关电源芯片TB6810是一款原边反馈五脚贴片封装的15W芯片吗?

是的,开关电源芯片TB6810内置线损补偿和峰值电流补偿功能,采用PFM调制技术,提供精确的恒压/恒流(CC/CV)控制环路,具有非常高的稳定性和平均效率。封...

6脚电源贴片IC丝印GLV是什么型?

6-18V,,常用的液晶电源芯片6-18V,,常用的液晶电源芯片

6脚电源芯片各个引脚功能?

6脚电源芯片各个引脚都有相应的功能。6脚电源芯片一般是用来稳压的,其中的各个引脚都有相应的功能。其中VIN为输入电压引脚,VOUT为输出电压引脚,通常用于连接...

 发酵饲料  蒙东电力公司 
王经理: 180-0000-0000(微信同号)
10086@qq.com
北京海淀区西三旗街道国际大厦08A座
©2026  上海羊羽卓进出口贸易有限公司  版权所有.All Rights Reserved.  |  程序由Z-BlogPHP强力驱动
网站首页
电话咨询
微信号

QQ

在线咨询真诚为您提供专业解答服务

热线

188-0000-0000
专属服务热线

微信

二维码扫一扫微信交流
顶部