芯片元器件
HOME
芯片元器件
正文内容
74ls192芯片 常用74系列,4000系列芯片功能选型说明
发布时间 : 2026-02-03
作者 : 小编
访问数量 : 23
扫码分享至微信

常用74系列、4000系列芯片功能选型说明

74系列和4000系列,是外围最常用的芯片,包括SN74HC595-8位移位寄存器/锁存器(即串转并转换)等重要的芯片,所以列举他们的选型列表,希望对大家有用。至于它们的pdf文档,‘机电匠’基本都有,有需要的告诉我吧。

常用74系列芯片功能选型说明

7400 TTL 2输入端四与非门

7401 TTL 集电极开路2输入端四与非门

7402 TTL 2输入端四或非门

7403 TTL 集电极开路2输入端四与非门

7404 TTL 六反相器

7405 TTL 集电极开路六反相器

7406 TTL 集电极开路六反相高压驱动器

7407 TTL 集电极开路六正相高压驱动器

7408 TTL 2输入端四与门

7409 TTL 集电极开路2输入端四与门

7410 TTL 3输入端3与非门

74107 TTL 带清除主从双J-K触发器

74109 TTL 带预置清除正触发双J-K触发器

7411 TTL 3输入端3与门

74112 TTL 带预置清除负触发双J-K触发器

7412 TTL 开路输出3输入端三与非门

74121 TTL 单稳态多谐振荡器

74122 TTL 可再触发单稳态多谐振荡器

74123 TTL 双可再触发单稳态多谐振荡器

74125 TTL 三态输出高有效四总线缓冲门

74126 TTL 三态输出低有效四总线缓冲门

7413 TTL 4输入端双与非施密特触发器

74132 TTL 2输入端四与非施密特触发器

74133 TTL 13输入端与非门

74136 TTL 四异或门

74138 TTL 3-8线译码器/复工器

74139 TTL 双2-4线译码器/复工器

7414 TTL 六反相施密特触发器

74145 TTL BCD—十进制译码/驱动器

7415 TTL 开路输出3输入端三与门

74150 TTL 16选1数据选择/多路开关

74151 TTL 8选1数据选择器

74153 TTL 双4选1数据选择器

74154 TTL 4线—16线译码器

74155 TTL 图腾柱输出译码器/分配器

74156 TTL 开路输出译码器/分配器

74157 TTL 同相输出四2选1数据选择器

74158 TTL 反相输出四2选1数据选择器

7416 TTL 开路输出六反相缓冲/驱动器

74160 TTL 可预置BCD异步清除计数器

74161 TTL 可予制四位二进制异步清除计数器

74162 TTL 可预置BCD同步清除计数器

74163 TTL 可予制四位二进制同步清除计数器

74164 TTL 八位串行入/并行输出移位寄存器

74165 TTL 八位并行入/串行输出移位寄存器

74166 TTL 八位并入/串出移位寄存器

74169 TTL 二进制四位加/减同步计数器

7417 TTL 开路输出六同相缓冲/驱动器

74170 TTL 开路输出4×4寄存器堆

74173 TTL 三态输出四位D型寄存器

74174 TTL 带公共时钟和复位六D触发器

74175 TTL 带公共时钟和复位四D触发器

74180 TTL 9位奇数/偶数发生器/校验器

74181 TTL 算术逻辑单元/函数发生器

74185 TTL 二进制—BCD代码转换器

74190 TTL BCD同步加/减计数器

74191 TTL 二进制同步可逆计数器

74192 TTL 可预置BCD双时钟可逆计数器

74193 TTL 可预置四位二进制双时钟可逆计数器

74194 TTL 四位双向通用移位寄存器

74195 TTL 四位并行通道移位寄存器

74196 TTL 十进制/二-十进制可预置计数锁存器

74197 TTL 二进制可预置锁存器/计数器

7420 TTL 4输入端双与非门

7421 TTL 4输入端双与门

7422 TTL 开路输出4输入端双与非门

74221 TTL 双/单稳态多谐振荡器

74240 TTL 八反相三态缓冲器/线驱动器

74241 TTL 八同相三态缓冲器/线驱动器

74243 TTL 四同相三态总线收发器

74244 TTL 八同相三态缓冲器/线驱动器

74245 TTL 八同相三态总线收发器

74247 TTL BCD—7段15V输出译码/驱动器

74248 TTL BCD—7段译码/升压输出驱动器

74249 TTL BCD—7段译码/开路输出驱动器

74251 TTL 三态输出8选1数据选择器/复工器

74253 TTL 三态输出双4选1数据选择器/复工器

74256 TTL 双四位可寻址锁存器

74257 TTL 三态原码四2选1数据选择器/复工器

74258 TTL 三态反码四2选1数据选择器/复工器

74259 TTL 八位可寻址锁存器/3-8线译码器

7426 TTL 2输入端高压接口四与非门

74260 TTL 5输入端双或非门

74266 TTL 2输入端四异或非门

7427 TTL 3输入端三或非门

74273 TTL 带公共时钟复位八D驱动器

74279 TTL 四图腾柱输出S-R锁存器

7428 TTL 2输入端四或非门缓冲器

74283 TTL 4位二进制全加器

74290 TTL 二/五分频十进制计数器

74293 TTL 二/八分频四位二进制计数器

74295 TTL 四位双向通用移位寄存器

74298 TTL 四2输入多路带存贮开关

74299 TTL 三态输出八位通用移位寄存器

7430 TTL 8输入端与非门

7432 TTL 2输入端四或门

74322 TTL 带符号扩展端八位移位寄存器

74323 TTL 三态输出八位双向移位/存贮寄存器

7433 TTL 开路输出2输入端四或非缓冲器

74347 TTL BCD—7段译码器/驱动器

74352 TTL 双4选1数据选择器/复工器

74353 TTL 三态输出双4选1数据选择器/复工器

74365 TTL 门使能输入三态输出六同相线驱动器

74365 TTL 门使能输入三态输出六同相线驱动器

74366 TTL 门使能输入三态输出六反相线驱动器

74367 TTL 4/2线使能输入三态六同相线驱动器

74368 TTL 4/2线使能输入三态六反相线驱动器

7437 TTL 开路输出2输入端四与非缓冲器

74373 TTL 三态同相八D锁存器

74374 TTL 三态反相八D锁存器

74375 TTL 4位双稳态锁存器

74377 TTL 单边输出公共使能八D锁存器

74378 TTL 单边输出公共使能六D锁存器

74379 TTL 双边输出公共使能四D锁存器

7438 TTL 开路输出2输入端四与非缓冲器

74380 TTL 多功能八进制寄存器

7439 TTL 开路输出2输入端四与非缓冲器

74390 TTL 双十进制计数器

74393 TTL 双四位二进制计数器

7440 TTL 4输入端双与非缓冲器

7442 TTL BCD—十进制代码转换器

74352 TTL 双4选1数据选择器/复工器

74353 TTL 三态输出双4选1数据选择器/复工器

74365 TTL 门使能输入三态输出六同相线驱动器

74366 TTL 门使能输入三态输出六反相线驱动器

74367 TTL 4/2线使能输入三态六同相线驱动器

74368 TTL 4/2线使能输入三态六反相线驱动器

7437 TTL 开路输出2输入端四与非缓冲器

74373 TTL 三态同相八D锁存器

74374 TTL 三态反相八D锁存器

74375 TTL 4位双稳态锁存器

74377 TTL 单边输出公共使能八D锁存器

74378 TTL 单边输出公共使能六D锁存器

74379 TTL 双边输出公共使能四D锁存器

7438 TTL 开路输出2输入端四与非缓冲器

74380 TTL 多功能八进制寄存器

7439 TTL 开路输出2输入端四与非缓冲器

74390 TTL 双十进制计数器

74393 TTL 双四位二进制计数器

7440 TTL 4输入端双与非缓冲器

7442 TTL BCD—十进制代码转换器

74447 TTL BCD—7段译码器/驱动器

7445 TTL BCD—十进制代码转换/驱动器

74450 TTL 16:1多路转接复用器多工器

74451 TTL 双8:1多路转接复用器多工器

74453 TTL 四4:1多路转接复用器多工器

7446 TTL BCD—7段低有效译码/驱动器

74460 TTL 十位比较器

74461 TTL 八进制计数器

74465 TTL 三态同相2与使能端八总线缓冲器

74466 TTL 三态反相2与使能八总线缓冲器

74467 TTL 三态同相2使能端八总线缓冲器

74468 TTL 三态反相2使能端八总线缓冲器

74469 TTL 八位双向计数器

7447 TTL BCD—7段高有效译码/驱动器

7448 TTL BCD—7段译码器/内部上拉输出驱动

74490 TTL 双十进制计数器74491 TTL 十位计数器

74498 TTL 八进制移位寄存器

7450 TTL 2-3/2-2输入端双与或非门

74502 TTL 八位逐次逼近寄存器

74503 TTL 八位逐次逼近寄存器

7451 TTL 2-3/2-2输入端双与或非门

74533 TTL 三态反相八D锁存器

74534 TTL 三态反相八D锁存器

7454 TTL 四路输入与或非门

74540 TTL 八位三态反相输出总线缓冲器

7455 TTL 4输入端二路输入与或非门

74563 TTL 八位三态反相输出触发器

74564 TTL 八位三态反相输出D触发器

74573 TTL 八位三态输出触发器

74574 TTL 八位三态输出D触发器

74645 TTL 三态输出八同相总线传送接收器

74670 TTL 三态输出4×4寄存器堆

7473 TTL 带清除负触发双J-K触发器

7474 TTL 带置位复位正触发双D触发器

7476 TTL 带预置清除双J-K触发器

7483 TTL 四位二进制快速进位全加器

7485 TTL 四位数字比较器

7486 TTL 2输入端四异或门

7490 TTL 可二/五分频十进制计数器

7493 TTL 可二/八分频二进制计数器

7495 TTL 四位并行输入\输出移位寄存器

7497 TTL 6位同步二进制乘法器

SN74LSOO 四2输入与非门

SN74LSO2 四2输入与非门

SN74LS04 六反相器

SN74LS06 六反相缓冲器/驱动器

SN74LS08 四2输入与非门

SN74LS10 三3输入与非门

SN74LS12 三3输入与非门

SN74LS14 六反相器.斯密特触发

SN74LS16 六反相缓冲器/触发器

SN74LS20 双4输入与门

SN74LS22 双4输入与门

SN74LS26 四2输入与非门

SN74LS28 四输入端或非缓冲器

SN74LS32 四2输入或门

SN74LS37 四输入端与非缓冲器

SN74LS40 四输入端与非缓冲器

SN74LS47 BCD-七段译码驱动器

SN74LS49 BCD-七段译码驱动器

SN74LS54 四输入与或非门

SN74LS63 六电流读出接口门

SN74LS74 双D触发器

SN74LS76 双J-K触发器

SN74LS83 双J-K触发器

SN74LS86 四2输入异或门

SN74LS90 4位十进制波动计数器

SN74LS92 12分频计数器

SN74LS96 5位移位寄存器

SN74LS109 正沿触发双J-K触发器

SN74LS113 双J-K负沿触发器

SN74LS121 单稳态多谐振荡器

SN74LS123 双稳态多谐振荡器

SN74LS125 三态缓冲器

SN74LS131 3-8线译码器

SN74LS133 13输入与非门

SN74LS137 地址锁存3-8线译码器

SN74LS139 双2-4线译码-转换器

SN74LS147 10-4线优先编码器

SN74LS153 双4选1数据选择器

SN74LS155 双2-4线多路分配器

SN74LS157 四2选1数据选择器

SN74LS160 同步BDC十进制计数器

SN74LS162 同步BDC十进制计数器

SN74LS164 8位串入并出移位寄存

SN74LS166 8位移位寄存器

SN74LS169 4位可逆同步计数器

SN74LS172 16位多通道寄存器堆

SN74LS174 6D型触发器

SN74LS176 可预置十进制计数器

SN74LS182 超前进位发生器

SN74LS189 64位随机存储器

SN74LS191 二进制同步可逆计数器

SN74LS193 二进制可逆计数器

SN74LS195 并行存取移位寄存器

SN74LS197 可预置二进制计数器

SN74LS238 3-8线译码/多路转换器

SN74LS241 八缓冲/驱动/接收器

SN74LS243 四总线收发器

SN74LS245 八总线收发器

SN74LS248 BCD-七段译码驱动器

SN74LS251 三态8-1数据选择器

SN74LS256 双四位选址锁存器

SN74LS258 四2选1数据选择器

SN74LS260 双5输入或非门

SN74LS266 四2输入异或非门

SN74LS275 七位树型乘法器

SN74LS279 四R-S触发器

SN74LS283 4位二进制全加器

SN74LS293 4位二进制计数器

SN74LS365 六缓冲器带公用启动器

SN74LS367 六总线三态输出缓冲器

SN74LS373 8D锁存器

SN74LS375 4位双稳锁存器

SN74LS386 四2输入异或门

SN74LS393 双4位二进制计数器

SN74LS574 8位D型触发器

SN74LS684 8位数字比较器

SN74LSO1 四2输入与非门

SN74LS03 四2输入与非门

SN74LS05 六反相器

SN74LS07 六缓冲器/驱动器

SN74LS09 四2输入与非门

SN74LS11 三3输入与非门

SN74LS13 三3输入与非门

SN74LS15 三3输入与非门

SN74LS17 六反相缓冲器/驱动器

SN74LS21 双4输入与门

SN74LS25 双4输入与门

SN74LS27 三3输入与非门

SN74LS30 八输入端与非门

SN74LS33 四2输入或门

SN74LS38 双2输入与非缓冲器

SN74LS42 BCD-十进制译码器

SN74LS48 BCD-七段译码驱动器

SN74LS51 三3输入双与或非门

SN74LS55 四4输入与或非门

SN74LS73 双J-K触发器

SN74LS75 4位双稳锁存器

SN74LS78 双J-K触发器

SN74LS85 4位幅度比较器

SN74LS88 4位全加器

SN74LS91 8位移位寄存器

SN74LS93 二进制计数器

SN74LS95 4位并入并出寄存器

SN74LS107 双J-K触发器

SN74LS112 双J-K负沿触发器

SN74LS114 双J-K负沿触发器

SN74LS122 单稳态多谐振荡器

SN74LS124 双压控振荡器

SN74LS126 四3态总线缓冲器

SN74LS132 二输入与非触发器

SN74LS136 四异或门

SN74LS138 3-8线译码/转换器

SN74LS145 BCD十进制译码/驱动器

SN74LS148 8-3线优先编码器

SN74LS151 8选1数据选择器

SN74LS154 4-16线多路分配器

SN74LS156 双2-4线多路分配器

SN74LS158 四2选1数据选择器

SN74LS161 4位二进制计数器

SN74LS163 4位二进制计数器

SN74LS165 8位移位寄存器

SN74LS168 4位可逆同步计数器

SN74LS170 4x4位寄存器堆

SN74LS173 4D型寄存器

SN74LS175 4D烯触发器

SN74LS181 运算器/函数发生器

SN74LS183 双进位保存全价器

SN74LS190 同步BCD十进制计数器 

SN74LS192 BCD-同步可逆计数器

SN74LS194 双向通用移位寄存器

SN74LS196 可预置十进制计数器

SN74LS221 双单稳态多谐振荡器

SN74LS240 八缓冲/驱动/接收器

SN74LS242 四总线收发器

SN74LS244 八缓冲/驱动/接收器

SN74LS247 BCD-七段译码驱动器

SN74LS249 BCD-七段译码驱动器

SN74LS253 双三态4-1数据选择器

SN74LS257 四3态2-1数据选择器

SN74LS259 8位可寻址锁存器

SN74LS261 2x4位二进制乘发器

SN74LS273 八进制D型触发器

SN74LS276 四J-K触发器

SN74LS280 9位奇偶数发生校检器

SN74LS290 十进制计数器

SN74LS295 4位双向通用移位寄存器

SN74LS366 六缓冲器带公用启动器

SN74LS368 六总线三态输出反相器

SN74LS374 8D触发器

SN74LS377 8位单输出D型触发器

SN74LS390 双十进制计数器

SN74LS573 8位三态输出D型锁存器

SN74LS670 8位数字比较器

SN74HC00 四2输入与非门

SN74HC02 四2输入或非门

SN74HC03 四2输入或非门

SN74HC04 六反相器

SN74HC05 六反相器

SN74HC08 四2输入与门

SN74HC10 三3输入与非门

SN74HC11 三3输入与门

SN74HC14 六反相器/斯密特触发器

SN74HC20 双四输入与门

SN74HC21 双四输入与非门

SN74HC27 三3输入与非门

SN74HC30 八输入端与非门

SN74HC32 四2输入或门

SN74HC42 BCD十进制译码器

SN74HC73 双J-K触发器

SN74HC74 双D型触发器

SN74HC76 双J-K触发器

SN74HC86 四2输入异或门

SN74HC107 双J-K触发器

SN74HC113 双J-K负沿触发器

SN74HC123 双稳态多谐振荡器

SN74HC125 三态缓冲器

SN74HC126 四三态总线缓冲器

SN74HC132 二输入与非缓冲器

SN74HC137 二输入与非缓冲器

SN74HC138 3-8线译码/解调器

SN74HC139 双2-4线译码/解调器

SN74HC148 8选1数据选择器

SN74HC151 双4选1数据选择器

SN74HC154 4-16线多路分配器

SN74HC157 四2选1数据选择器

SN74HC161 4位二进制计数器

SN74HC163 4位二进制计数器

SN74HC164 8位串入并出移位寄存器

SN74HC165 8位移位寄存器

SN74HC173 4D型触发器

SN74HC174 6D触发器

SN74HC175 4D型触发器

SN74HC191 二进制同步可逆计数器

SN74HC221 双单稳态多谐振荡器

SN74HC238 3-8线译码器

SN74HC240 八缓冲器

SN74HC244 八总线3态输出缓冲器

SN74HC245 八总线收发器

SN74HC251 三态8-1数据选择器

SN74HC259 8位可寻址锁存器

SN74HC266 四2输入异或非门

SN74HC273 8D型触发器

SN74HC367 六缓冲器/总线驱动器

SN74HC368 六缓冲器/总线驱动器

SN74HC373 8D锁存器

SN74HC374 8D触发器

SN74HC393 双4位二进制计数器

SN74HC541 8位三态输出缓冲器

SN74HC573 8位三态输出D型锁存器

SN74HC574 8D型触发器

SN74HC595 8位移位寄存器/锁存器

SN74HC4028 7级二进制串行加数器

SN74HC4046 锁相环

SN74HC4050 六同相缓冲器

SN74HC4051 8选1模拟开关

SN74HC4053 三2选1模拟开关

SN74HC4060 14位计数/分频/振荡器

SN74HC4066 四双相模拟开关

SN74HC4078 3输入端三或门

SN74HC4511 7段锁存/译码驱动器

SN74HC4520 双二进制加法计数器

74F00 高速四2输入与非门

74F02 高速四2输入或非门

74F04 高速六反相器

74F08 高速四2输入与门

74F10 高速三3输入与门

74F14 高速六反相斯密特触发

74F32 高速四2输入或门

74F38 高速四2输入或门

74F74 高速双D型触发器

74F86 高速四2输入异或门

74F139 高速双2-4线译码/驱动器

74F151 高速双2-4线译码/驱动器

74F153 高速双4选1数据选择器

74F157 高速双4选1数据选择器

74F161 高速6D型触发器

74F174 高速6D型触发器

74F175 高速4D型触发器

74F244 高速八总线3态缓冲器

74F245 高速八总线收发器

74F373 高速8D锁存器

常用4000系列芯片功能选型说明

CD4000 双3输入端或非门+单非门 TI

CD4001 四2输入端或非门 HIT/NSC/TI/GOL

CD4002 双4输入端或非门 NSC

CD4006 18位串入/串出移位寄存器 NSC

CD4007 双互补对加反相器 NSC

CD4008 4位超前进位全加器 NSC

CD4009 六反相缓冲/变换器 NSC

CD4010 六同相缓冲/变换器 NSC

CD4011 四2输入端与非门 HIT/TI

CD4012 双4输入端与非门 NSC

CD4013 双主-从D型触发器 FSC/NSC/TOS

CD4014 8位串入/并入-串出移位寄存器 NSC

CD4015 双4位串入/并出移位寄存器 TI

CD4016 四传输门 FSC/TI

CD4017 十进制计数/分配器 FSC/TI/MOT

CD4018 可预制1/N计数器 NSC/MOT

CD4019 四与或选择器 PHI

CD4020 14级串行二进制计数/分频器 FSC

CD4021 08位串入/并入-串出移位寄存器 PHI/NSC

CD4022 八进制计数/分配器 NSC/MOT

CD4023 三3输入端与非门 NSC/MOT/TI

CD4024 7级二进制串行计数/分频器 NSC/MOT/TI

CD4025 三3输入端或非门 NSC/MOT/TI

CD4026 十进制计数/7段译码器 NSC/MOT/TI

CD4027 双J-K触发器 NSC/MOT/TI

CD4028 BCD码十进制译码器 NSC/MOT/TI

CD4029 可预置可逆计数器 NSC/MOT/TI

CD4030 四异或门 NSC/MOT/TI/GOL

CD4031 64位串入/串出移位存储器 NSC/MOT/TI

CD4032 三串行加法器 NSC/TI

CD4033 十进制计数/7段译码器 NSC/TI

CD4034 8位通用总线寄存器 NSC/MOT/TI

CD4035 4位并入/串入-并出/串出移位寄存 NSC/MOT/TI

CD4038 三串行加法器 NSC/TI

CD4040 12级二进制串行计数/分频器 NSC/MOT/TI

CD4041 四同相/反相缓冲器 NSC/MOT/TI

CD4042 四锁存D型触发器 NSC/MOT/TI

CD4043 4三态R-S锁存触发器("1"触发) NSC/MOT/TI

CD4044 四三态R-S锁存触发器("0"触发) NSC/MOT/TI

CD4046 锁相环 NSC/MOT/TI/PHI

CD4047 无稳态/单稳态多谐振荡器 NSC/MOT/TI

CD4048 4输入端可扩展多功能门 NSC/HIT/TI

CD4049 六反相缓冲/变换器 NSC/HIT/TI

CD4050 六同相缓冲/变换器 NSC/MOT/TI

CD4051 八选一模拟开关 NSC/MOT/TI

CD4052 双4选1模拟开关 NSC/MOT/TI

CD4053 三组二路模拟开关 NSC/MOT/TI

CD4054 液晶显示驱动器 NSC/HIT/TI

CD4055 BCD-7段译码/液晶驱动器 NSC/HIT/TI

CD4056 液晶显示驱动器 NSC/HIT/TI

CD4059 “N”分频计数器 NSC/TI

CD4060 14级二进制串行计数/分频器 NSC/TI/MOT

CD4063 四位数字比较器 NSC/HIT/TI

CD4066 四传输门 NSC/TI/MOT

CD4067 16选1模拟开关 NSC/TI

CD4068 八输入端与非门/与门 NSC/HIT/TI

CD4069 六反相器 NSC/HIT/TI

CD4070 四异或门 NSC/HIT/TI

CD4071 四2输入端或门 NSC/TI

CD4072 双4输入端或门 NSC/TI

CD4073 三3输入端与门 NSC/TI

CD4075 三3输入端或门 NSC/TI

CD4076 四D寄存器

CD4077 四2输入端异或非门 HIT

CD4078 8输入端或非门/或门

CD4081 四2输入端与门 NSC/HIT/TI

CD4082 双4输入端与门 NSC/HIT/TI

CD4085 双2路2输入端与或非门

CD4086 四2输入端可扩展与或非门

CD4089 二进制比例乘法器

CD4093 四2输入端施密特触发器 NSC/MOT/ST

CD4094 8位移位存储总线寄存器 NSC/TI/PHI

CD4095 3输入端J-K触发器

CD4096 3输入端J-K触发器

CD4097 双路八选一模拟开关

CD4098 双单稳态触发器 NSC/MOT/TI

CD4099 8位可寻址锁存器 NSC/MOT/ST

CD40100 32位左/右移位寄存器

CD40101 9位奇偶较验器

CD40102 8位可预置同步BCD减法计数器

CD40103 8位可预置同步二进制减法计数器

CD40104 4位双向移位寄存器

CD40105 先入先出FI-FD寄存器

CD40106 六施密特触发器 NSC\TI

CD40107 双2输入端与非缓冲/驱动器 HAR\TI

CD40108 4字×4位多通道寄存器

CD40109 四低-高电平位移器

CD40110 十进制加/减,计数,锁存,译码驱动 ST

CD40147 10-4线编码器 NSC\MOT

CD40160 可预置BCD加计数器 NSC\MOT

CD40161 可预置4位二进制加计数器 NSC\MOT

CD40162 BCD加法计数器 NSC\MOT

CD40163 4位二进制同步计数器 NSC\MOT

CD40174 六锁存D型触发器 NSC\TI\MOT

CD40175 四D型触发器 NSC\TI\MOT

CD40181 4位算术逻辑单元/函数发生器

CD40182 超前位发生器

CD40192 可预置BCD加/减计数器(双时钟) NSC\TI

CD40193 可预置4位二进制加/减计数器 NSC\TI

CD40194 4位并入/串入-并出/串出移位寄存 NSC\MOT

CD40195 4位并入/串入-并出/串出移位寄存 NSC\MOT

CD40208 4×4多端口寄存器

CD4501 4输入端双与门及2输入端或非门

CD4502 可选通三态输出六反相/缓冲器

CD4503 六同相三态缓冲器

CD4504 六电压转换器

CD4506 双二组2输入可扩展或非门

CD4508 双4位锁存D型触发器

CD4510 可预置BCD码加/减计数器

CD4511 BCD锁存,7段译码,驱动器

CD4512 八路数据选择器

CD4513 BCD锁存,7段译码,驱动器(消隐)

CD4514 4位锁存,4线-16线译码器

CD4515 4位锁存,4线-16线译码器

CD4516 可预置4位二进制加/减计数器

CD4517 双64位静态移位寄存器

CD4518 双BCD同步加计数器

CD4519 四位与或选择器

CD4520 双4位二进制同步加计数器

CD4521 24级分频器

CD4522 可预置BCD同步1/N计数器

CD4526 可预置4位二进制同步1/N计数器

CD4527 BCD比例乘法器

CD4528 双单稳态触发器

CD4529 双四路/单八路模拟开关

CD4530 双5输入端优势逻辑门

CD4531 12位奇偶校验器

CD4532 8位优先编码器

CD4536 可编程定时器

CD4538 精密双单稳

CD4539 双四路数据选择器

CD4541 可编程序振荡/计时器

CD4543 BCD七段锁存译码,驱动器

CD4544 BCD七段锁存译码,驱动器

CD4547 BCD七段译码/大电流驱动器

CD4549 函数近似寄存器

CD4551 四2通道模拟开关

CD4553 三位BCD计数器

CD4555 双二进制四选一译码器/分离器

CD4556 双二进制四选一译码器/分离器

CD4558 BCD八段译码器

CD4560 "N"BCD加法器

CD4561 "9"求补器

CD4573 四可编程运算放大器

CD4574 四可编程电压比较器

CD4575 双可编程运放/比较器

CD4583 双施密特触发器

CD4584 六施密特触发器

CD4585 4位数值比较器

CD4599 8位可寻址锁存器

欢迎关注,机电匠,更多机电干货等着你!

作者:小点

素材来源互联网收集、机电匠汇编整理

------

直升机机载电子设备NR810导航机工作原理-G

直升机机载电子设备NR810()导航机虚拟化仪表检测试验器设计-8

直升机机载电子设备NR810()导航机工作原理-G

编写:贺军

概述:

NR810 导航接收机是一部机载无线电导航设备,可完成下述功能:

A)、接收从 108MHZ 到117.95MHZ范围的“VOR”信标,根据所选的指示器

的型式,自动或手动显示信标位置。

B)、接收“ILS” (航向和下滑)信标,实现水平位置和垂直位置的显示。

- 从 108 MHZ 到 111.95 MHZ甚高频航行信标(信道隔开)。

- 从 329.15MHZ-335.00 MHz甚高频下滑信标。

C)、接收75 MHz频率的无线电位置标“MARKER”信标,通过三个不同颜色

的指示灯显示。

“直升机机载电子设备NR810()导航机虚拟化仪表检测试验器”是用于采用虚拟化仪表方式检测“NR810 导航接收机”各项技术指标的检测设备。

“直升机机载电子设备NR810()导航机虚拟化仪表检测试验器”组成如下图所示:

“直升机机载电子设备NR810()导航机虚拟化仪表检测试验器”检测屏幕显示如图所示。

NR810 导航接收机工作原理:

直升机机载电子设备NR810()导航机虚拟化仪表检测试验器设计-8

直升机机载电子设备NR810导航机工作原理-G

本NR810导航机工作原理说明中所涉及到的集成电路技术资料如下所示:

1、集成电路型号:SN74S00/N如下图所示:

2、集成电路型号:SN5402/N如下图所示:

3、集成电路型号:SN74LS04/N如下图所示:

4、集成电路型号:SN74S20/N如下图所示:

5、集成电路型号:SN74LS30/N如下图所示:

6、集成电路型号:SN74S112/N如下图所示:

7、集成电路型号:SN74LS192/N如下图所示:

8、晶体管型号:LM340T05、LM340T08、LM340T15、如下图所示:

9、运算放大器型号:MC1590G5如下图所示:

10、运算放大器型号:MC1558G如下图所示:

11、运算放大器型号:MC1741G如下图所示:

12、集成电路型号:MC1723G如下图所示:

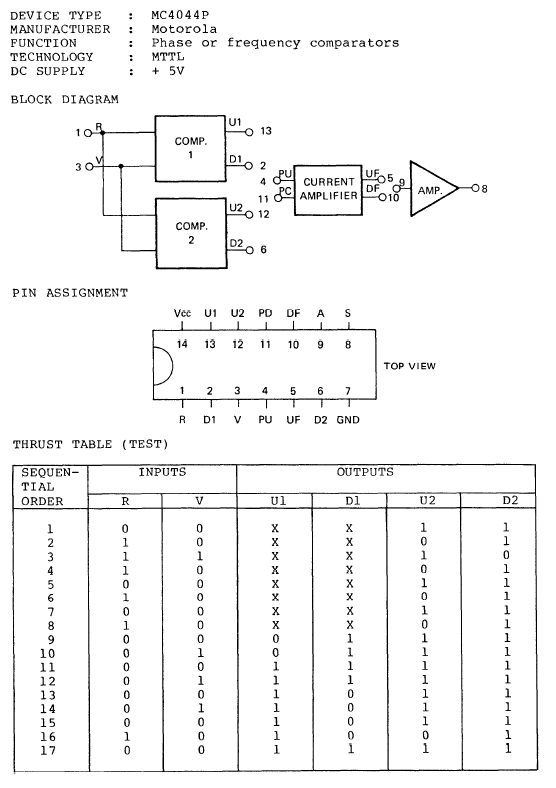
13、集成电路型号:MC4044P如下图所示:

14、集成电路型号:CD4046如下图所示:

相关问答

74ls192可换成什么芯片?

可以用CMOS的74HC192替换可以用CMOS的74HC192替换

74ls192可以用什么芯片代替?

74LS192是一款4位可编程的同步计数器芯片,用于计数和分频等应用。如果要寻找可以替代74LS192的芯片,可以考虑以下选项:1.74LS193:这是74LS192的同系列芯片...

74ls192与74hc192有什么区别?

74ls192是ttl系列同步递增/递减BCD计数器(双时钟带清零),74hc192是高速cmos系列同步递增/递减BCD计数器(双时钟带清零),二者的功能基本相同,但芯片的构...74l...

74ls192组成的六十进制计数器?

因为74LS192是四位十进制可逆计数器,也就是说,这块芯片计数到10会自动清零,因为这是它的最大计数值了,构成的六十进制计数器个位已经计数到10,十位计数到6,...

74ls192芯片如何灭灯?

74ls192是TTL电路,复位端和置数端不接相当于悬空,悬空输入是高电平。复位端是高电平复位,置数端是低电平置数。不接悬空,计数器处于清零状态,计数器输出为零...

74l192置数端怎么用?

74ls192是4位十进制同步可逆计数器。加法计数器,芯片清除端14脚高电平时清零,计数时14脚为低电平。置数端11脚低电平时置数,计数时11脚为高电平。使减计数端4...

记数法三大类,其中有一个叫数码记数_作业帮

[回答]要用两块带并行输入的BCD码计数器74LS192芯片,一块8位数比较器74LS682,两块BCD七段译码器,两个数码管,一块与非门74LS00,两个开关,一个置数,另一个...

74168和74192芯片功能区别?

74192N和74LS192是一样的器件,功能是一样的。都是4位十进制同步可逆计数器。74192N是标准型,后边的符号N是封装符号,N代表为双列直插塑封。74LS192中的LS代表...

74ls192可以代替74ls160吗?

74ls160是四位十进制同步计数器,直接清除,清除脉冲为低电平。有使能端P,使能端T,使能端为高电平时,时钟脉冲的上升沿计数。有一个动态进位位,高电平有效。7...

求用两个74ls192构成的六十进制计数器工作原理,文字叙述,越详细越好?

74192是十进制计数器,将两个4192级联,并将高位的74192用反馈复位法接成6进制,就构成了60进制。74192是十进制计数器,将两个4192级联,并将高位的74192用反馈复...

 蔺文财  透明显示 
王经理: 180-0000-0000(微信同号)
10086@qq.com
北京海淀区西三旗街道国际大厦08A座
©2026  上海羊羽卓进出口贸易有限公司  版权所有.All Rights Reserved.  |  程序由Z-BlogPHP强力驱动
网站首页
电话咨询
微信号

QQ

在线咨询真诚为您提供专业解答服务

热线

188-0000-0000
专属服务热线

微信

二维码扫一扫微信交流
顶部