芯片供应商
HOME
芯片供应商
正文内容
4069芯片 CD4000系列逻辑电路工作原理及其基本应用-六反相器CD4069
发布时间 : 2026-02-04
作者 : 小编
访问数量 : 23
扫码分享至微信

CD4000系列逻辑电路工作原理及其基本应用-六反相器CD4069

CD4000系列逻辑电路简介

CD4000系列集成电路为使用比较广泛的基本逻辑电路,这个系列的集成电路为典型CMOS即“互补型金属氧化物半导体器件”。CMOS集成电路诞生时间较早,并且经过了长时间的发展,已逐步取代其他系列的基本逻辑电路。

CMOS集成电路的特点

功耗低

CMOS集成电路内部采用的是场效应管,静态功耗低,单个门电路的动态功耗也仅在毫瓦级别;

工作电压范围宽

CMOS集成电路内部结构简单,4000系列的电路,其工作电压范围在3-18V;

输入阻抗高

CMOS集成电路由于采用场效应管,输入阻抗高,对输入电路的功率消耗低;

温度稳定性好

由于CMOS电路的功耗低,其内部发热量小,当环境温度变化时,一些参数能够自动补偿;

驱动方便

CMOS集成电路的输入阻抗高输出摆幅大,容易被其他电路驱动,也容易驱动其他电路和元件。

CD4069集成电路简介

CD4069为反相器电路,其内部包含了六个独立的反相器,反相器又称非门,CD4069为1输入1输出非门,在电路中起到反相的作用。

CD4069集成电路内部结构

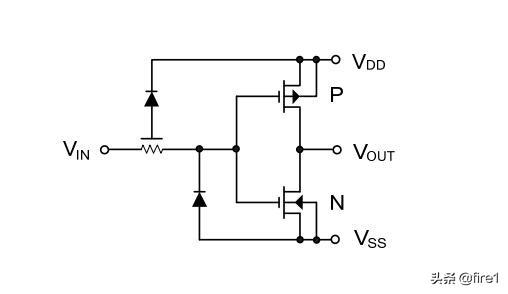
CD4069单个非门原理图

上图为CD4069单个非门原理图,包含了两个MOS管,一个P沟道和一个N沟道组成了互补结构,两个MOS管的栅极与漏极分别相连,同一时间只有一个MOS管导通。

CD4069集成电路主要参数

CD4069的极限参数

CD4069极限参数

CD4069推荐工作条件

CD4069推荐工作条件

CD4069集成电路引脚排序及封装

CD4069为16引脚,其中1、3、5、9、11、13脚分别为六个反相器的输入端,2、4、6、8、10、12脚分别为六个反相器的输出端,7脚为电源负极,14脚为电源正极。

CD4069引脚排序

CD4069主要有两个封装,双列直插封装(DIP)和贴片封装(SOP)。

CD4069直插封装

CD4069贴片封装

CD4069集成电路基本应用电路

CD4069构成的简易振荡电路

上图是一个由CD4069构成的简易振荡电路,其中标有1的为两个反相器,左边为输入端,右边为输出端,输出端的圆圈代表“非”。

其工作原理为:设定左边反相器为1,右边为2,在某一个时刻,反相器1的输入端为高电平,则1的输出端为低电平,经过反相器2之后输出高电平向电容充电,随着电容两端的电压升高,1的输入端逐渐变为低电平,一旦低于1/2VCC就会使非门翻转,此时1与2中间为高电平,经2反相后向电容反向充电,达到条件之后再次翻转,因此OUT端就会形成高低电平变化,周而复始形成振荡。其中左边的电阻R0与右边的电容C1组成正反馈,中间电阻R1为补偿调节电阻,用于在电源电压变化时稳定频率。其振荡频率为1/2.2RC。

以上举例说明了CD4069的基本应用,由其基本工作原理可扩展出定时、声光控的多种控制电路。

简单4069电路——发光逻辑显示电路

数字电路中的逻辑状态一般分为三种:即高电平“1”、 低电平“0”和“高阻态”(悬空)。逻辑状态的测试结果可由发光极管来显示,也可用发声器来提示,还可用数码管来显示。

内容介绍

本次电路介绍的是利用六反相器4069芯片与发光极管组成逻辑检测探头电路,电路原理图如图所示;就一个4069芯片、两只LED灯、电源和两个插座组成的电路,理解起来不难。电路可作为数字电路中检测各点逻辑状态的常用工具。

发光逻辑显示电路原理图

工作原理

六反相器4069芯片内含有6个独立的反相器,本电路将其全部利用。其中U1的第1、2脚用作检测信号输入电路,其余用作输入信号处理电路。其中又将其分为两部分:即由U1的3、4脚、U1的5、6脚、 U1的8、9脚串联组成一个与输入信号电平同相的处理电路;另一部分由U1的10、11脚、U1F的12、13脚组成一个与输入信号电平反相的处理电路。两组信号处理电路既可对信号作相位变换,使其符合测量的相位要求,又可对输入信号进行一定的放大。

从电路图中的逻辑关系可以看出,当被测信号电平为高电平时,U1的输出端(第2脚)为低电平。这一输出分作两路, 其中一路通过、U1的3、4脚、U1的5、6脚、 U1的8、9的逐级反相,在输出端(第8脚)输出高电平;另路则通过U1的10、11脚、U1F的12、13脚的两级反相,在输出端(第10脚)输出低电平。这时,红色发光二极管LED1就会发光,绿色LED2熄灭,指示被测试点为高电平。

当被测信号为低电平时,通过第二路信号处理电路后所输出的电平相位与被测信号为高电平时正好相反,即第12脚为高电平,第8脚为低电平。绿色发光二极管LED2发光,红色LED1熄灭, 指示被测试点为低电平。

当被测试点为交替变化的高、 低电平(即脉冲信号)时,通过检测电路对输入信号的处理,在输出端第8脚和第12脚就会出现高低电平交替变换的输出电平,其结果是LED1与LED2交替变换发光,形成红、绿发光极管的交替闪光。说明被测试点输出的是脉冲,闪光变换的速度反映了脉冲的频率高低。

友情提示

当被测点输入的脉冲过高时,会出现两个发光二极管同时发光的现象。这是由于人眼的视觉暂留现象,和发光二极管的余光共同造成视觉分辨率降低的结果。当输入端悬空时也会呈现类似状态。

喜欢电子DIY的小伙伴可以体验设计一下!

相关问答

CD4069和7406芯片有什么区别?

都是六反相器。但CD4069是CMOS芯片,7406是TTL芯片。工作电压范围和高低电平值有所不同。都是六反相器。但CD4069是CMOS芯片,7406是TTL芯片。工作电压范围和...

TC4069UBP芯片上0652wc是什么意思?

这个可能是哪年产的吧06年第52周的意思——我猜的哦,不过这个好像不影响你用吧,只要封装一样就行了这个可能是哪年产的吧06年第52周的意思——我猜的哦,...

TC4069集成块的作用?

TC4069UBP是TOSHIBA生产的CMOS六反相器,DIP封装的。CMOS电路六反相器(非门)。输入高电平则输出低电平,输入低电平则输出高电平。一般意义上讲,集成块就...TC...

cd4071be芯片有什么用?

CD4069是常规的6路反相器,每一路反相器都是相对独立的。其正常工作时VDD接电源,VSS通常接地。VDD范围为3V-15V。没有使用的输入端必须接电源、地或者其他输入...

HCCDHEFLS等系列的含义.IC上有HCCDHEFLS等系列,如74HCxx,CD40...

[回答]74HCSeriesHighSpeedCMOSLogicFamilyHC是高速COMS逻辑类它的逻辑电平和CMOS电路相同.74LSSeriesLowPowerSchottkyLog...

10稳压器集成块HD14069UBP和KIA324P或GS9502能代换吗?

不能!HD14069是标准的6逻辑门电路,可以用CD4069,MC14069直接代换。324P是一块4运算放大集成电路。不能!HD14069是标准的6逻辑门电路,可以用CD4069,MC14069直...

宜宾油系脉冲测试选哪家,脉冲测试使用率高吗??

[回答]自制网线测试器孙玉军在互联网遍布各个脚落的地球村时代,网络改变了人们传统的生活方式。现在计算机技术突飞猛进,宽带已走进千家万户,网络接入可以...

公交卡的照片上能贴贴纸吗-150****4069的回答-懂得

你是说卡贴吗?可以的,我都有贴,不影响刷卡的.可以,卡贴不影响公交卡的正常使用。城市中乘坐公交车时一般都使用IC卡。有专门的公交卡,也有和银行卡...

2020年平板电脑性价比排行榜肿么看?-ZOL问答

还是4069级压感,笔锋顺畅,记笔记很舒服,而且上课听老师讲课也方便,4扬声器音效足够好,麒麟985的芯片集成5G芯片,玩游戏或者日常使用足够了。4条回答:【推荐答案...

肿么用一个轻触开关和D触发器设计一个简单的开关电路-ZOL问答

D触发器可以用4013或者4069都行。如下图:个轻触开关给芯片提供触发下降源,4046作核心,三极管作为输出控制,来驱动led;找几个图供参考:1、下图负载6v灯泡换成...

 付国辉  途胜油耗 
王经理: 180-0000-0000(微信同号)
10086@qq.com
北京海淀区西三旗街道国际大厦08A座
©2026  上海羊羽卓进出口贸易有限公司  版权所有.All Rights Reserved.  |  程序由Z-BlogPHP强力驱动
网站首页
电话咨询
微信号

QQ

在线咨询真诚为您提供专业解答服务

热线

188-0000-0000
专属服务热线

微信

二维码扫一扫微信交流
顶部