芯片元器件
HOME
芯片元器件
正文内容
lm324芯片 什么是 LM324?LM324 引脚图及功能讲解,图文+案例,带你搞定 LM324
发布时间 : 2026-03-04
作者 : 小编
访问数量 : 23
扫码分享至微信

什么是 LM324?LM324 引脚图及功能讲解,图文+案例,带你搞定 LM324

我是小七,干货满满 。大家不要错过,建议收藏 ,错过就不一定找得到了,内容仅供参考,图片记得放大观看。

如果有什么错误或者不对,欢迎各位大佬指点

图片来源于网络

今天是 LM324 四路运算放大器 ,主要是以下几个方面:

什么是 LM324 芯片?LM324 引脚图及功能 LM324 特性参数 讲解LM324 工作原理 讲解LM324 运放电路图 讲解

一、什么是LM324 芯片?

LM324 是一款集成了四个运算放大器的四路运算放大器 IC ,由一个公共电源供电。差分输入电压范围可以等于电源电压的范围。默认输入失调电压非常低,幅度为 2mV。环境温度范围为 0°C 至 70°C,而最高结温可高达 150°C。通常,运算放大器可以执行数学运算

LM324 实物图

二、LM324 引脚图及功能

LM324 14 个引脚封装 主要是以下几种:CDIP、PDIP、SOIC 和 TSSOP 。可以去查询 datasheet 了解所有的封装。

LM324 引脚图 如下所示:

LM324 引脚图

LM324 引脚功能详细讲解 如下表所示:

LM324 引脚功能详细讲解图

三、LM324 特性参数讲解

LM324的特性参数如下所示:

单电源:3 V 至 32 V 双电源:±1.5 V 至 ±16 V 与电源电压无关的 电源电流消耗:0.8 mA(典型值) 共模输入电压范围包括接地 ,允许在接地附近直接感应差分输入电压范围等于最大额定电源电压:32 V2 kV ESD保护 低输入偏置和失调参数输入失调电压3mV 典型值厌恶:2mV 典型值输入失调电流:2 nA(典型值)输入偏置电流:20 nA(典型值)厌恶:15nA 典型开环差分电压放大:100 V/mV 典型值内部频率补偿

LM324 特性参数讲解

四、LM324 工作原理

这里设计了一个仿真电路 ,帮助你更好地了解 LM324 的工作原理。 下面这个电路十分简单,根据其中 LED 根据 LDR 值自动打开或关闭。

其关闭的状态如下图所示:

LM324 工作原理图

你可以在上图中看到,在输入端连接了 LDR而在其输出端连接了 LED可变电阻用于控制 LDR 传感器的灵敏度。

其打开状态如下图所示:

LM324 工作原理图

五、LM324运放电路图讲解

1、使用 LM324 芯片构建的函数发生器电路

下面为将使用 LM324 运算放大器 芯片构建的函数发生器电路

LM324 运算放大器芯片构建的函数发生器电路

上述电路的面包板电路如下图所示:

使用 LM324 芯片构建的函数发生器电路

以上就是用 LM324 搭建的函数发生器芯片。

工作原理:

如上所述,LM324 通过引脚 4 和 11 由直流电压供电。我们将 5V 至 15V 的任何电压馈入引脚 4-VCC,并将 -5V 至 -15V 的任何电压馈入引脚 11-GND,这为电路建立了足够的功率,使其可以运行。

第一个运算放大器 :该运算放大器产生方波 。100KΩ 电位器允许我们改变电路的频率。并且是调整输出信号频率的方式。所以在第一个运算放大器之后,我们有一个方波。接下来是积分器电路。当你将方波输入积分器电路时,输出是三角波。

第二个运算放大器 之后,我们现在有一个三角波形,作为我们的第二个波形 。然后我们将这个三角波形输入另一个积分器电路。当你将三角波形输入积分器电路时,输出是正弦波形。

在第三个运算放大器 之后,我们有一个正弦波形 ,这是我们的第三个波形 。这个电路是非常基本的。

第一个运算放大器产生方波。我们将此方波馈入积分器电路,该电路输出三角波。然后我们将这个三角波馈入第二个积分器电路,输出一个正弦波。

100KΩ 电位器允许相当宽的频率范围,因此电路提供良好的频率调节,就像标准函数发生器一样。

该电路还可以轻松地进行幅度调整 。如果你使用直流电源为该电路供电,你要做的就是调整直流电源上的电压以改变信号的幅度。如果你通过电池为电路供电,那么你需要添加获得所需最大电压所需的电池数量,然后添加一个小值电位器,例如 200Ω-500Ω,以允许电压调整。

这就是使用 LM324 运算放大器芯片构建函数发生器电路的方式。

2、基于LM324 IC的手机检测器电路图

基于LM324 IC的手机检测器电路图 如下所示。

该电路的设计非常简单,可以在10 到20米的距离内对手机进行检测 。检测范围主要取决于手机,因为每个手机都有自己的信号生成能力。该电路只检测编码信号,不检测语音内容。 编码信号可以在手机接听电话时接收,也可以在收发短信的同时进行通话。该电路可用于多种用途,例如寻找丢失的手机,在禁区寻找手机。

基于LM324 IC的手机检测器电路图

使用基本的电气和电子元件构建电路非常简单。LM324 运算放大器是电路的核心。该 IC 包含四个高增益运算放大器,但是该电路仅使用四个运算放大器中的单个运算放大器。

晶体管 2N4401 连接在 LM324 的输出端,以使 LED 以及压电蜂鸣器开启。LED 数量的连接也可以提高到 25 个。该电路可以在 4.5 V 至 12 V直流电压下运行。如果电路在低于 9V(较低电压)下运行,那么我们需要将电路中所有 LED 的限流电阻值从 470 Ω 替换为 220 Ω。电路灵敏度可以通过一个100K的可变电阻来改变。

3、基于 LM324 IC的感测温度和控制系统

下面将是一个简单的电路连接,用于感测温度和控制系统

基于 LM324 IC的感测温度和控制系统

在温度 = 25˚C 时,RT=10kὨ。反向输入=1.32V,非反向输入=2.36V。因此,输出为高电平,它可以通过晶体管或继电器驱动电机开启

基于 LM324 IC的感测温度和控制系统

在温度 = 70˚C 以上,RT=3kὨ。反向输入=1.32V,非反向输入=1.06V。因此,输出为低电平,它可以通过晶体管或继电器驱动电机关闭

基于 LM324 IC的感测温度和控制系统

如果要在电机的三个或四个位置监测温度,则可以在以下配置中使用 LM324。两个温度传感 RT1 和 RT2 的方向示例。

基于 LM324 IC的感测温度和控制系统

4、使用 LM324 的暗检测器示例

在这个暗检测器 示例中,LM324 用作比较器。光敏电阻是一种光传感器 。LDR 电阻会根据其周围环境中可用的光强度而变化。因此,我们可以将此光敏电阻用作光传感器来检测黑暗或测量光。我们也可以用 LDR 测量光。

在这个暗探测器示例中,使用 LM324 代替微控制器。

暗探测器工作原理:

我们通过 100Ω 在运算放大器引脚 14 的输出端连接 LED 。 这是一个指示灯 LED,只要 LDR 检测到光,它就会打开 。当 LDR 周围有灯时,LED 保持关闭状态。LM342N 用作比较器,反相端与 LDR 输出相连,同相端与可变电阻相连。 当引脚 13 上的电压大于引脚 12 上的电压时,比较器输出为 5 V 输出。该输出电压为 LED 提供正向电压并使其发光。

LM324 的暗检测器示例

以上就是今天的内容,大家记得关注 ,给我点赞 哦,欢迎大家在评论区留言 ,请各位大佬多多指教

图片来源于小红书

LM324运放电路图讲解,详细解读LM324引脚图及功能,几分钟就搞懂

大家好,我是李工,创作不易,希望大家多多支持我。今天给大家分享一篇关于 LM324运放 10 个简单电路 的文章(来源于艾琳)。

这里先简单介绍一下 LM324运放引脚及功能

什么是LM324?

LM324 是一款四路运算放大器 IC ,由四个高增益放大器 组成。这四个高增益放大器 可通过单个电压源进行操作。然而,分压供电操作也是可能的。内部提供频率补偿 ,以使高增益放大器 在宽频率范围内工作。

电源电流消耗几乎与 LM324 的电压供应无关。在增益等于 1 时,可以对输入偏置电流和交叉频率进行温度补偿,无需两个电源即可运行。

差分输入电压等于地电压,也可以轻松实现 100 倍的大直流电压增益。

LM324实物图

LM324引脚图及功能

LM324 14 个引脚 ,分别为 CDIP、PDIP、SOIC 和 TSSOP 。你可以查阅数据手册(Datasheet) 以了解所有封装的物理尺寸。引脚图及其详细信息如下所示:

LM324引脚图及功能图

LM324引脚图及功能

接下来讲详细介绍 10 个非常实用且易于理解的LM324电路。

主要是以下10个电路:

1、LM324 反相交流放大电路2、LM324 同相交流放大电路3、LM324交流信号三分配放大电路4、LM324 有源带通滤波电路5、LM324温度测量电路6、LM324 比较器电路7、LM324单稳态触发电路8、LM324步进波发生器电路9、LM324 高灵敏度嗅探器电路10、LM324 响应电路

1、LM324 反相交流放大电路

LM324放大器 可以代替三极管进行交流放大 ,并且用于放大器的前置放大 。具体的电路图如下所示:

LM324 反相交流放大电路不需要调试 ,放大器采用单电源供电 ,由 R1 和 R2 组成1/2V+偏置,C1为抑振电容。

反相交流放大器电路

LM324 反相交流放大器电压放大系数 Av由外部电阻 Ri 和 Rf 决定

Av=-Rf/Ri

负号表示 输出信号输入信号 相位相反。根据图中给出的值Av=-10,该电路的输入电阻为Ri。

一般情况下,Ri 首先等于信号源的内阻,然后根据需要的放大倍率选择Rf,Co 和 Ci 是耦合电容。

2、LM324 同相交流放大电路

同相交流放大器 的特点是输入阻抗高。 R1 和 R2 形成一个 1/2V+ 分压器电路,通过 R3 对运算放大器进行偏置。

电路的电压放大系数 Av 也只由外接电阻决定:

Av=1+Rf/R4

电路输入电阻 为R3,R4的阻值从几千欧到几万欧不等。

同相交流放大器电路

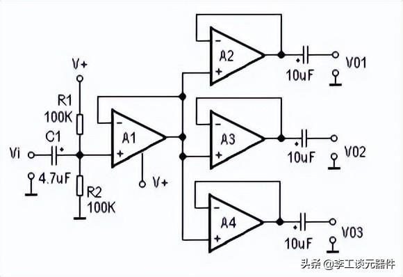
3、LM324交流信号三分配放大电路

LM324交流信号三分配放大电路将输入交流信号分成三路输出三路信号可作指示控制分析 等用途,对信号源影响很小

由于运放 Ai 的输入电阻较高,运放A1-A4都直接将输出端接到负输入端,信号输入到正输入端,相当于Rf=的情况0 同相放大状态。

因此,每个放大器的电压放大系数为1 ,与分立元件组成的射极跟随器相同

图 4. 交流信号三分配放大器电路

R1 和 R2 形成 1/2V+ 偏置。静态时,A1输出端的电压为1/2V+,所以运放A2-A4的输出也是1/2V+。交流信号通过输入输出电容的隔直功能取出,形成三路配电输出。

4、LM324 有源带通滤波电路

很多音频设备的频谱分析仪都用LM324 有源带通滤波电路 作为带通滤波器来选择不同频段的信号 ,并用显示器上发光二极管的数量来指示信号幅度的大小。此有源带通滤波器的中心频率为:

LM324 有源带通滤波电路的中心频率公式

中心频率 fo 处的电压增益 Ao= B3/Qo*2B1 ,其中 Qo 的公式如下图所示:

0.3dB 带宽 B=1/(п*R3*C) 也可以基于 Q,fo , Ao 值由设计确定,带通滤波器的元件参数值:

R1=Q/(2пfoAoC)

R2=Q/((2Q2-Ao)*2пfoC)

R3=2Q/(2пfoC)

上式中,当 fo=1KHz时,C取0.01Uf,该电路也可用于一般的选频放大。

有源带通滤波器电路

LM324 有源带通滤波电路也可以使用单电源,只需将运放的正输入偏置为1/2V+,电阻R2的下端接运放的正输入即可。

5、LM324温度测量电路

LM324温度测量电路 图如下所示,温度探头采用硅三极管3DG6 ,接成二极管形式。硅晶体管的发射结电压温度系数约为-2.5mV/℃,即温度每升高1度,发射结电压下降2.5mV。

运放 A1 以同相直流放大的形式连接。温度越高,三极管BG1的压降越小,运放A1同相输入端的电压越低,输出端的电压也越低。

温度测量电路

这是一个线性放大过程,我们只需要在A1的输出端接一个测量或处理电路来指示温度或进行其他自动控制。

6、LM324 比较器电路

当去掉运放的反馈电阻,或者反馈电阻趋于无穷大时(即开环状态),理论上运放的开环放大倍数也是无穷大的(其实就是非常大。比如LM324运放的开环放大是100dB,也就是10万倍)。

此时 LM324会形成一个电压比较器,其输出要么为高电平(V+),要么为低电平(V-或地)。当正输入电压高于负输入电压时,运放LM324输出低电平。

LM324 比较器电路

在上图中,两个运算放大器用于构成电压比较器 。其中,电阻R1、R1ˊ构成分压电路,为运放A1设置比较电平U1;电阻R2、R2ˊ构成分压电路,为运放A2设置比较电平U2。

输入电压U1同时施加在A1的正输入端和A2的负输入端之间。当Ui>U1时,运放A1输出高电平;Ui <SPAN>时,运放A2输出高电平。

只要运算放大器A1和A2输出高电平,晶体管BG1就会导通,发光二极管LED就会点亮。   

如果选择U1>U2,当输入电压Ui超过[U2,U1]的范围时,LED灯亮,为电压双限指示。

如果选择U2>U1,当输入电压在[U2,U1]范围内时,LED灯亮,为“窗口”电压指示。

LM324比较器电路与各种传感器配合使用 。稍加修改,即可用于各种物理量的双限检测短路断路报警 等。

7、LM324单稳态触发电路

如下图所示,LM3224 单稳态电路用于一些自动控制系统 。电阻R1和R2构成分压电路,为运放 A1 (LM324)的负输入端提供偏置电压 U1 作为比较电压参考。静态时,电容 C1充满电,运放 A1 正输入电压 U2 等于电源电压V+,所以 A1 输出高电平。

当输入电压 Ui 变低时,二极管 D1 导通,电容 C1 通过 D1 快速放电,使 U2 突然下降到地电平。此时,由于 U1>U2,运放 A1 输出低电平。

当输入电压 Ui 变高时,二极管 D1 截止,电源电压 R3 对电容 C1 充电。当 C1 上的充电电压大于 U1 时,U2>U1 和 A1 输出都变为高电平,从而结束单稳态触发。

显然,增加 U1 或增加 R2 和 C1 的值会增加单稳态延迟时间,反之亦然。

LM 324 单稳态触发电路

LN324 单稳态触发电路

如果去掉二极管D1,这个电路就具有上电延时功能。上电时,U1>U2,运放A1输出低电平。随着电容器C1继续充电,U2继续上升。当 U2>U1 时,A1 输出变为高电平。

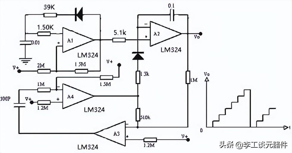
8、LM324步进波发生器电路

下图是由电流型运放组成的梯形波发生器 LM324实用电路。运算放大器A1( LM324 )和外围元件组成矩形波发生电路并输出脉冲串。

阶跃波发生器电路

运放 A2 及其外围元件为积分保持电路 。积分电容对输入脉冲进行积分并保持输入脉冲的阶跃,在输出端得到的是每一步的累加,也就是步进波。

运算放大器 A3 是一个电压比较器。当阶跃波电压上升到电源电压的80%左右时,A3反转。

运放 A4 及其外围元件为单稳态电路。A3 的反相使其输出一个脉冲(约100UFS),作为复位脉冲来复位 A2,从而完成一个梯形周期。

9、LM324 高灵敏度嗅探器电路

使用 LM324高灵敏度嗅探器电路 ,你可以在远处听到非常微弱的声音 ,其指向性强且灵敏度高。 例如,你可以用它来听到运动场上运动员和教练员的耳语。

高灵敏度嗅探器电路

LM324高灵敏度嗅探电路的工作原理

电路上图所示。安装在专用管中的麦克风接收某个方向的声音(其他方向的声音被抑制),送至放大器进行放大。放大器由两级组成。第一级由 LM324 的四个运算放大器中的一个组成,增益为 110 倍。第二级由另一个运算放大器组成,增益为 500 倍。

如此高的放大能力,足以将非常微弱的声音信号放大,由耳机输出。它可以用来听到人耳无法从远处直接听到的微弱声音。

LM324 中集成了四个运算放大器,这里只使用了A和D,接线方法可以参考上图;R1=R2,取值范围在10K---100K之间;电源+6V---9V,两个(或三个)电池夹可串联使用;本机的灵敏度极高,测试期间不要在 MIC 附近讲话。

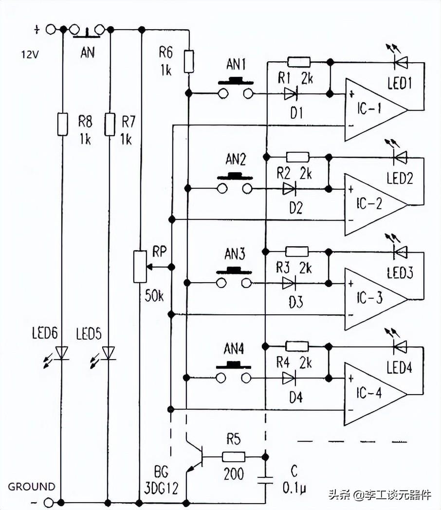
10、LM324 响应电路

我们可以使用运放LM324 按照“电路简单、成本低、元器件容易获取”的原则设计制造成功的接听器电路,如下图所示:

LM324 响应电路

上图中LM324响应电路的电路原理

通过打开电源并调节 RP ,每个运放的反相输入端都会有一定的电压。由于各运放同相端通过R1~R4和R5、BG的R结接地,各运放输出低电平;当AN1按下时,R6和R1分压(因为C的电压不能突变,BG 没有导通),使运放IC-1的同相输入端产生一定的电压。

这个电压高于反相输入端的电压,运放IC-1输出高电平,通过LED1反馈到同相输入端并自锁。同时,电流通过R1、R5、BC be 接地。一方面保持 LED1 亮;另一方面为 BG 提供基极电流。

C 的延时功能结束后,BG 饱和开启。即使再次按下其他按键,相应运放的同相输入端也不会因为没有更高的电压输出高电平,从而保证了先按键的人接听成功。AN 复位后,可进行第二轮抢答。

调试本电路前,先用一个容量较大的电容 C 调整 RP ,使每个运放 LM324 的反相输入端电压为 4V 左右,然后在各通道能可靠触发的情况下尽量减小 C 的容量。

以上就是关于LM432运放电路 的知识,希望大家多多支持 我,得点赞关注 ,有问题欢迎在评论区留言 ,大家一起讨论

图片来源于网络

相关问答

lm324n原理电路图及各引脚的作用-ZOL问答

这是一个很普通的运放芯片LM324是一款通用的集成四路运算放大器,主要优点就是成本低廉、性价比高。技术上具有以下特点:即使只用单电源供电,在线性工作区内...

c324g是什么芯片?

c324g是四路运算放大器和lm324完全互换,与单电源应用场合的标准运算放大器相比,它们有一些显著优点。该四放大器可以工作在低到3.0伏或者高到32伏的电源下,静...

lm324集成电路原理?

LM324系列器件带有真差动输入的四运算放大器,具有真正的差分输入。与单电源应用场合的标准运算放大器相比,它们有一些显著优点。该四放大器可以工作在低到3.0...

lm324输出电压范围?

1、lm324n的正常工作电压是3-32V。2、LM324N为一款四运放集成电路。针脚数是14,工作温度范围是-40°Cto+85°C,封装类型是DIP。集成电路是一种微型电子器件...

什么芯片可以代替LM347?

如果真的话换也是可以的,但要根据不同具体场合具体考虑。1,虽然封装相同,但LM324的频带宽不及LF347,如果工作频率超过1M,恐怕就不能替换了,有的品质较...如...

lm324标称电压?

lm324n的正常工作电压是3-32V。LM324N为一款四运放集成电路。针脚数是14,工作温度范围是-40°Cto+85°C,封装类型是DIP。集成电路是一种微型电子器件或部件...

TL084和LM324的区别?

TL084是只能用单电源供电,LM324可用单电源和双电源供电,TL084对信号响应较好,不会引入高频分量,LM324是通用型运放,比较便宜,但是失调电压较高。具体的引脚...

集成AS324M-E1和LM324M?

这两种集成块是同一个型号,都是通用型的四运放集成电路,只是生产厂家不同,可以直接代换,价格在八毛钱一块。这两种集成块是同一个型号,都是通用型的四运放集...

HA17324A可以用LM324代换吗,怎么代换,给个各脚电压和代换说明,谢谢?

ha17324可以代换lm324.ha17324是东芝的芯片,lm324是美国国半芯片产品标号。ha17324可以代换lm324.ha17324是东芝的芯片,lm324是美国国半芯片产品标号。

lm324单电源供电怎么连接?-ZOL问答

lm324单电源供电只需要在下图4引脚接电源正极,11引脚接电源负极即可:LM324系列器件带有真差动输入的四运算放大器,具有真正的差分输入。与单电源应用场合的标...

 崔珉焕  陈景润活了多少岁 
王经理: 180-0000-0000(微信同号)
10086@qq.com
北京海淀区西三旗街道国际大厦08A座
©2026  上海羊羽卓进出口贸易有限公司  版权所有.All Rights Reserved.  |  程序由Z-BlogPHP强力驱动
网站首页
电话咨询
微信号

QQ

在线咨询真诚为您提供专业解答服务

热线

188-0000-0000
专属服务热线

微信

二维码扫一扫微信交流
顶部